Каталог запасных частей к технике: ЧТЗ ДЭТ-250М2. Насос топливный и регулятор

zoom-in zoom-out enlarge shrink circle-right circle-left file-text2 info cart arraw right arraw left zoom out zoom in arraw maximize arraw minimize
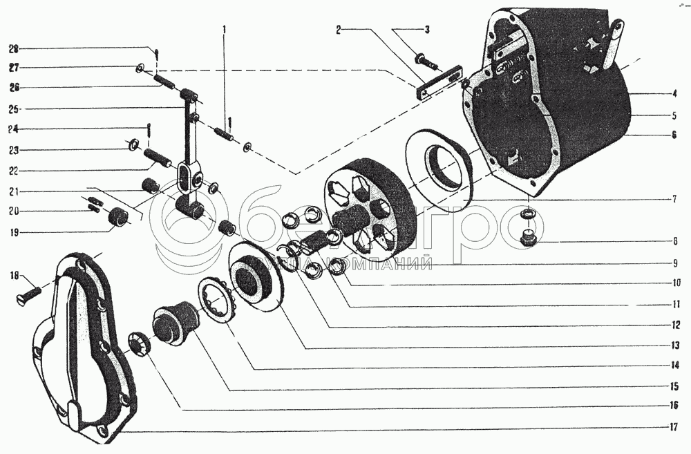
1
2
3
4
5
6
7
8
9
10
11
12
13
14
14
15
16
17
18
19
20
21
22
23
24
25
26
27
28
315-601-9
Корпус регулятора
В узле: ---
315-664-2
Втулка
В узле: ---
315-606-5
Тяга
В узле: ---
315-662-3
Рычаг регулятора
В узле: ---
315-665
Рычаг
В узле: ---
327-00-49
Насос топливный НК-10
В узле: ---
1
315-632-1
Палец пружин
В узле: ---
2
315-643-4
Поводок шарнира
В узле: ---
3
356-84
Болт М6х20
В узле: ---
4
351-02
Гайка М8
В узле: ---
5
353-23
Шайба 6Т
В узле: ---
6
315-663-17
Корпус регулятора
В узле: ---
7
315-610-2
Тарелка регулятора
В узле: ---
8
301-101
Заглушка
В узле: ---
9
315-611-2
Крестовина
В узле: ---
10
315-614
Шарик 25,4-40
В узле: ---
11
315-647
Гайка
В узле: ---
12
315-644
Кольцо стопорное
В узле: ---
13
315-613-3
Диск упора
В узле: ---
14
Подшипник 8109 [ГОСТ 7872-89]
Подшипник 8109
В узле: ---
14
315-646-1
Подшипник № 8109
В узле: ---
15
315-616-7
Втулка
В узле: ---
16
315-615-3
Упор рычага
В узле: ---
17
315-620-5
Крышка регулятора
В узле: ---
18
356-64
Винт М6х25
В узле: ---
19
315-622-2
Ролик
В узле: ---
20
327-95
Ролик 2,5х13,8 АЗ ЕТУ 500
В узле: ---
21
315-636-1
Втулка рычага регулятора
В узле: ---
22
315-635-1
Палец упора
В узле: ---
23
353-07-1
Шайба чистая 10
В узле: ---
24
354-12
Шплинт 2х20
В узле: ---
25
315-617-2
Рычаг регулятора
В узле: ---
26
315-637-1
Палец рычага
В узле: ---
27
353-04-1
Шайба чистая 6
В узле: ---
28
354-17
Шплинт 2х12
В узле: ---
Содержащиеся в справочниках-каталогах запасные части и детали не предлагаются к продаже, а носят исключительно информационный характер

Ваша заявка была отправлена. В ближайшее время наши специалисты с Вами свяжутся по указанному Вами телефону.

Представьтесь
Поле обязательно для заполнения
Ваш телефон
Введите правильный номер телефона
E-mail
Введите правильный e-mail
Тема
Тема
применяемость финансирование доставка цена, наличие другое сервис и гарантия
Время для звонка
08:00
08:00 09:00 10:00 11:00 12:00 13:00 14:00 15:00 16:00 17:00 18:00 19:00
19:00
08:00 09:00 10:00 11:00 12:00 13:00 14:00 15:00 16:00 17:00 18:00 19:00

Мы постараемся перезвонить в указанное время

Если вы не хотите ждать, то звоните нашим вежливым консультантам:

8 800 100-2-700
Подтвердите, что вы не робот
Подтвердите, что вы не робот
Спасибо!

Ваше сообщение успешно отправлено!

ЗакрытьПовторить попытку