Каталог запасных частей к технике: ЧТЗ ДЭТ-250М2. Рама трактора

zoom-in zoom-out enlarge shrink circle-right circle-left file-text2 info cart arraw right arraw left zoom out zoom in arraw maximize arraw minimize
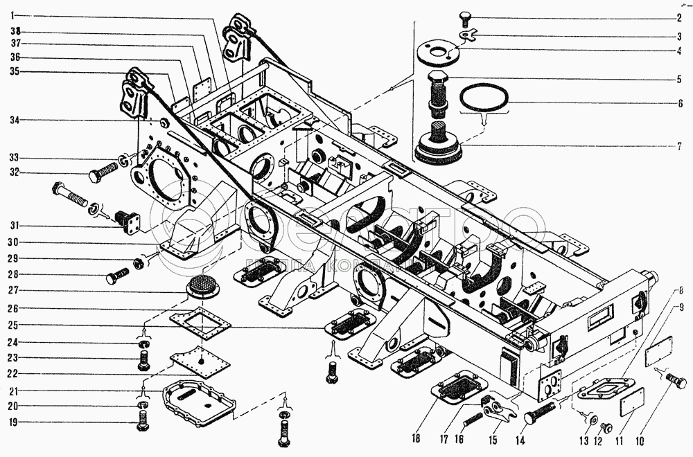
1
2
3
4
5
6
7
8
9
10
11
12
13
14
15
16
17
18
19
20
21
22
23
24
25
26
27
28
29
30
31
32
33
34
35
36
37
38
748-20-375СП
Защелка
В узле: ---
1
748-20-296
Прокладка
В узле: ---
2
Болт М6-6gх20.88.35.019 [ГОСТ 7798-70]
Болт М6-6gх20.88.35.019
В узле: ---
3
700-31-2490
Шайба
В узле: ---
4
748-20-528
Фланец
В узле: ---
5
748-20-232СП
Ручка
В узле: ---
6
700-40-2014
Кольцо
В узле: ---
7
748-20-524
Клапан
В узле: ---
8
748-20-229СП
Крышка
В узле: ---
9
748-20-340СП
Крышка
В узле: ---
10
Болт М10-6gх25.58.019 [ГОСТ 7796-70]
Болт М10-6gх25.58.019
В узле: ---
11
748-20-339СП
Крышка
В узле: ---
12
700-37-2242
Пробка
В узле: ---
13
МН 4152-62
Кольцо 12х18
В узле: ---
14
748-20-518
Ось
В узле: ---
15
272-50-458
Защелка
В узле: ---
16
748-20-1024
Валик
В узле: ---
17
700-38-2795
Пружина
В узле: ---
18
748-20-312СП
Крышка
В узле: ---
19
Болт М10-6gх30.58.019 [ГОСТ 7796-70]
Болт М10-6gх30.58.019
В узле: ---
20
Шайба 10 ОТ 65Г 09 [ГОСТ 6402-70]
Шайба 10 ОТ 65Г 09
В узле: ---
21
748-20-618
Крышка
В узле: ---
22
748-20-342СП
Крышка
В узле: ---
23
Болт М8-6gх16.88.35.019 [ГОСТ 7796-70]
Болт М8-6gх16.88.35.019
В узле: ---
24
Шайба 8Т 65Г 09 [ГОСТ 6402-70]
Шайба 8Т 65Г 09
В узле: ---
25
748-20-313СП
Крышка
В узле: ---
26
748-20-891
Прокладка
В узле: ---
27
748-20-327СП
Сетка
В узле: ---
28
Винт ВМ8-8gх20.14Н.019 [ГОСТ 1481-75]
Винт ВМ8-8gх20.14Н.019
В узле: ---
29
Гайка М8.6.019 [ГОСТ 5915-70]
Гайка М8.6.019
В узле: ---
30
748-20-369СП
Рама
В узле: ---
31
748-20-935
Очиститель
В узле: ---
32
700-28-2312
Болт
В узле: ---
33
Шайба 30 65Г 09 [ГОСТ 6402-70]
Шайба 30 65Г 09
В узле: ---
34
700-30-164
Гайка
В узле: ---
35
748-20-247СП
Крышка
В узле: ---
36
748-20-297
Прокладка
В узле: ---
37
748-20-294
Крышка
В узле: ---
38
748-20-1065
Стяжка
В узле: ---
Содержащиеся в справочниках-каталогах запасные части и детали не предлагаются к продаже, а носят исключительно информационный характер

Ваша заявка была отправлена. В ближайшее время наши специалисты с Вами свяжутся по указанному Вами телефону.

Представьтесь
Поле обязательно для заполнения
Ваш телефон
Введите правильный номер телефона
E-mail
Введите правильный e-mail
Тема
Тема
применяемость финансирование доставка цена, наличие другое сервис и гарантия
Время для звонка
08:00
08:00 09:00 10:00 11:00 12:00 13:00 14:00 15:00 16:00 17:00 18:00 19:00
19:00
08:00 09:00 10:00 11:00 12:00 13:00 14:00 15:00 16:00 17:00 18:00 19:00

Мы постараемся перезвонить в указанное время

Если вы не хотите ждать, то звоните нашим вежливым консультантам:

8 800 100-2-700
Подтвердите, что вы не робот
Подтвердите, что вы не робот
Спасибо!

Ваше сообщение успешно отправлено!

ЗакрытьПовторить попытку