Каталог запасных частей к технике: ЧТЗ ДЭТ-250М2. Терморегуляторы

zoom-in zoom-out enlarge shrink circle-right circle-left file-text2 info cart arraw right arraw left zoom out zoom in arraw maximize arraw minimize
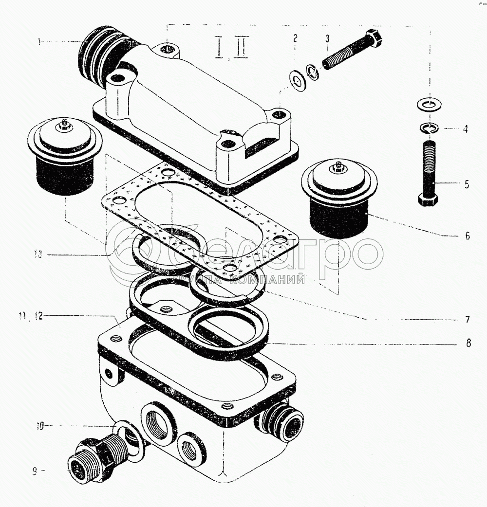
1
1
2
2
3
3
4
4
5
5
6
6
7
7
8
8
9
10
12
12
13
13
1
748-08-290
Крышка
В узле: ---
1
748-08-290
Крышка
В узле: ---
2
Шайба 10.02.019 [ГОСТ 11371-78]
Шайба 10.02.019
В узле: ---
2
Шайба 10.02.020 [ГОСТ 11371-78]
Шайба 10.02.020
В узле: ---
3
Болт М10х50.58.019 [ГОСТ 7795-70]
Болт М10х50.58.019
В узле: ---
3
Болт М10х50.58.020 [ГОСТ 7795-70]
Болт М10х50.58.020
В узле: ---
4
Шайба 10 ОТ 65Г 09 [ГОСТ 6402-70]
Шайба 10 ОТ 65Г 09
В узле: ---
4
Шайба 10 ОТ 65Г 10 [ГОСТ 6402-70]
Шайба 10 ОТ 65Г 10
В узле: ---
5
Болт М10х60.58.019 [ГОСТ 7795-70]
Болт М10х60.58.019
В узле: ---
5
Болт М10х60.58.020 [ГОСТ 7795-70]
Болт М10х60.58.020
В узле: ---
6
ТС108-1306100-01
Термостат
В узле: ---
6
ТС108-1306100-01
Термостат
В узле: ---
7
748-08-274
Кольцо
В узле: ---
7
748-08-274
Кольцо
В узле: ---
8
748-08-275
Проставка
В узле: ---
8
748-08-275
Проставка
В узле: ---
9
748-08-222
Штуцер
В узле: ---
10
МН 4152-62
Кольцо 12х18
В узле: ---
12
748-08-288
Корпус
В узле: ---
12
748-08-288
Корпус
В узле: ---
13
700-40-5449
Прокладка
В узле: ---
13
700-40-5449
Прокладка
В узле: ---
Содержащиеся в справочниках-каталогах запасные части и детали не предлагаются к продаже, а носят исключительно информационный характер

Ваша заявка была отправлена. В ближайшее время наши специалисты с Вами свяжутся по указанному Вами телефону.

Представьтесь
Поле обязательно для заполнения
Ваш телефон
Введите правильный номер телефона
E-mail
Введите правильный e-mail
Тема
Тема
применяемость финансирование доставка цена, наличие другое сервис и гарантия
Время для звонка
08:00
08:00 09:00 10:00 11:00 12:00 13:00 14:00 15:00 16:00 17:00 18:00 19:00
19:00
08:00 09:00 10:00 11:00 12:00 13:00 14:00 15:00 16:00 17:00 18:00 19:00

Мы постараемся перезвонить в указанное время

Если вы не хотите ждать, то звоните нашим вежливым консультантам:

8 800 100-2-700
Подтвердите, что вы не робот
Подтвердите, что вы не робот
Спасибо!

Ваше сообщение успешно отправлено!

ЗакрытьПовторить попытку