Каталог запасных частей к технике: ЧТЗ ДЭТ-250М2. Трубопровод масляный

zoom-in zoom-out enlarge shrink circle-right circle-left file-text2 info cart arraw right arraw left zoom out zoom in arraw maximize arraw minimize
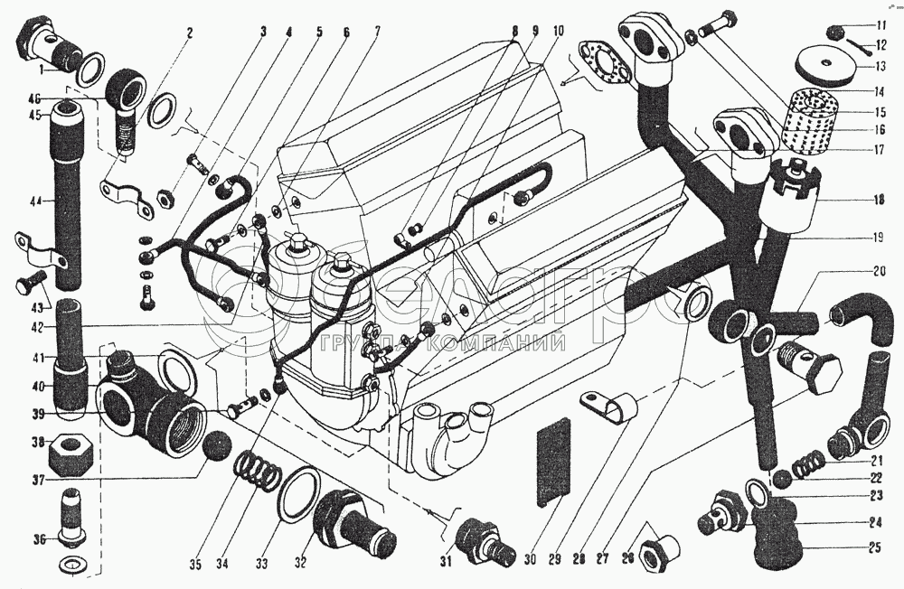
1
2
3
4
5
6
7
8
9
10
11
12
13
14
15
16
17
18
19
20
21
22
23
24
25
26
27
28
29
30
31
32
33
34
35
36
37
38
39
40
41
42
43
44
45
46
420-121
Труба сливная правая
В узле: ---
420-120
Труба сливная левая
В узле: ---
420-51-3
Шланг
В узле: ---
420-57А
Угольник поворотный
В узле: ---
1
3327-112
Зажим
В узле: ---
2
3335-63-1
Хомут
В узле: ---
3
351-13
Гайка М5
В узле: ---
4
420-06-13
Труба
В узле: ---
5
420-10-1А
Труба слива масла
В узле: ---
6
320-37
Зажим
В узле: ---
7
355-06
Кольцо 12-16
В узле: ---
8
434-23
Хомут подвесной
В узле: ---
9
3335-38-4
Прокладка
В узле: ---
10
320-32А
Труба подвода масла правая
В узле: ---
11
351-17
Гайка М8х1
В узле: ---
12
354-12
Шплинт 2х20
В узле: ---
13
420-124
Крышка
В узле: ---
14
420-133
Набивка суфлера
В узле: ---
15
321-17
Болт
В узле: ---
16
353-23
Шайба 6Т
В узле: ---
17
320-59-2А
Прокладка
В узле: ---
18
420-122
Труба сливная левая
В узле: ---
19
420-123
Труба сливная правая
В узле: ---
20
420-02-9
Труба
В узле: ---
21
3320-114
Пружина клапана
В узле: ---
22
3320-115
Шарик 12-200±100
В узле: ---
23
355-08
Кольцо
В узле: ---
24
3320-138
Штуцер
В узле: ---
25
320-57-2А
Втулка
В узле: ---
26
3327-116
Гайка
В узле: ---
27
320-63-1
Зажим
В узле: ---
28
355-13
Кольцо 22-30
В узле: ---
29
420-188
Хомут
В узле: ---
30
420-149-3
Прокладка
В узле: ---
31
420-185
Штуцер
В узле: ---
32
420-63Б
Штуцер
В узле: ---
33
355-17
Кольцо 33х39
В узле: ---
34
420-60
Пружина
В узле: ---
35
420-183-6
Трубка
В узле: ---
36
420-54
Наконечник
В узле: ---
37
313-70
Шарик 22-225-200+150
В узле: ---
38
420-53
Гайка накидная
В узле: ---
39
420-37
Зажим
В узле: ---
40
420-59
Корпус
В узле: ---
41
355-10
Кольцо 24-30
В узле: ---
42
320-33А
Труба подвода масла левая
В узле: ---
43
356-22-2
Винт М5
В узле: ---
44
420-35-01
Шланг
В узле: ---
45
3335-60
Муфта
В узле: ---
46
3335-29-2
Угольник поворотный
В узле: ---
Содержащиеся в справочниках-каталогах запасные части и детали не предлагаются к продаже, а носят исключительно информационный характер

Ваша заявка была отправлена. В ближайшее время наши специалисты с Вами свяжутся по указанному Вами телефону.

Представьтесь
Поле обязательно для заполнения
Ваш телефон
Введите правильный номер телефона
E-mail
Введите правильный e-mail
Тема
Тема
применяемость финансирование доставка цена, наличие другое сервис и гарантия
Время для звонка
08:00
08:00 09:00 10:00 11:00 12:00 13:00 14:00 15:00 16:00 17:00 18:00 19:00
19:00
08:00 09:00 10:00 11:00 12:00 13:00 14:00 15:00 16:00 17:00 18:00 19:00

Мы постараемся перезвонить в указанное время

Если вы не хотите ждать, то звоните нашим вежливым консультантам:

8 800 100-2-700
Подтвердите, что вы не робот
Подтвердите, что вы не робот
Спасибо!

Ваше сообщение успешно отправлено!

ЗакрытьПовторить попытку