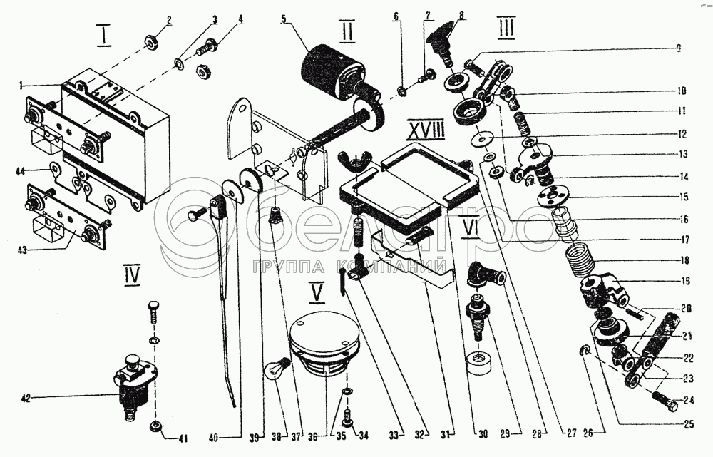
Каталог запасных частей к технике: ЧТЗ ДЭТ-250М2. Установка низковольтного электрооборудования

zoom-in zoom-out enlarge shrink circle-right circle-left file-text2 info cart arraw right arraw left zoom out zoom in arraw maximize arraw minimize
1
2
3
4
5
6
7
8
9
10
11
12
13
14
15
16
17
18
19
20
21
22
23
24
25
26
27
28
29
30
31
32
33
34
35
36
37
38
39
40
41
42
43
44
1
Регулятор напряжения и тока РНТ
Регулятор напряжения и тока РНТ
В узле: ---
2
700-30-272
Гайка
В узле: ---
3
Шайба 8Т 65Г 09 [ГОСТ 6402-70]
Шайба 8Т 65Г 09
В узле: ---
4
Болт М8-6gх16.88.35.019 [ГОСТ 7796-70]
Болт М8-6gх16.88.35.019
В узле: ---
5
748-10-368СП
Стеклоочиститель СЛ-105Д
В узле: ---
6
Шайба 6Т 65Г 09 [ГОСТ 6402-70]
Шайба 6Т 65Г 09
В узле: ---
7
Болт М6-6gх16.88.35.019 [ГОСТ 7798-70]
Болт М6-6gх16.88.35.019
В узле: ---
8
748-10-318ССП
Фара поворотная ФГ 16-к
В узле: ---
9
10764
Амортизатор
В узле: ---
10
748-10-114
Рычаг
В узле: ---
11
748-10-308СП
Стержень
В узле: ---
12
700-31-290
Шайба
В узле: ---
13
700-40-6999
Кольцо СП-20-11-3,5
В узле: ---
14
748-10-130СП
Опора
В узле: ---
15
748-10-345СП
Шайба
В узле: ---
16
Гайка М12х1,25-6Н.04.45.019 [ГОСТ 5916-70]
Гайка М12х1,25-6Н.04.45.019
В узле: ---
17
Шайба 12 ОТ 65Г 09 [ГОСТ 6402-70]
Шайба 12 ОТ 65Г 09
В узле: ---
18
700-38-217
Пружина
В узле: ---
19
748-10-365
Рычаг
В узле: ---
20
Штифт 5х30 [ГОСТ 3129-70]
Штифт 5х30
В узле: ---
21
748-10-341
Гайка
В узле: ---
22
748-10-366
Вилка
В узле: ---
23
748-10-281
Рукоятка
В узле: ---
24
748-10-355
Палец
В узле: ---
25
748-10-391
Сухарь
В узле: ---
26
700-58-2468
Кольцо стопорное
В узле: ---
27
748-10-344СП
Рамка
В узле: ---
28
700-40-6285
Наконечник
В узле: ---
29
Датчик температуры ТМ-100
Датчик температуры ТМ-100
В узле: ---
30
30330
Гайка
В узле: ---
31
700-47-360
Ось
В узле: ---
32
748-10-343СП
Стойка
В узле: ---
33
Шплинт 2х16.019 [ГОСТ 397-79]
Шплинт 2х16.019
В узле: ---
34
Винт ВМ4-6gх12.58.016 [ГОСТ 17473-80]
Винт ВМ4-6gх12.58.016
В узле: ---
35
Шайба 4Т 65Г 06 [ГОСТ 6402-70]
Шайба 4Т 65Г 06
В узле: ---
36
Плафон ПТ-37
Плафон ПТ-37
В узле: ---
37
748-10-359
Ручка
В узле: ---
38
Лампа накаливания ТН28-10
Лампа накаливания ТН28-10
В узле: ---
39
748-10-249
Прокладка
В узле: ---
40
748-10-315
Шайба
В узле: ---
41
Гайка М8-7Н.6.019 [ГОСТ 5915-70]
Гайка М8-7Н.6.019
В узле: ---
42
Включатель батарей ВБ-404
Включатель батарей ВБ-404
В узле: ---
43
748-10-282СП
Амортизатор
В узле: ---
44
748-10-277СП
Перемычка
В узле: ---
Содержащиеся в справочниках-каталогах запасные части и детали не предлагаются к продаже, а носят исключительно информационный характер

Ваша заявка была отправлена. В ближайшее время наши специалисты с Вами свяжутся по указанному Вами телефону.

Представьтесь
Поле обязательно для заполнения
Ваш телефон
Введите правильный номер телефона
E-mail
Введите правильный e-mail
Тема
Тема
применяемость финансирование доставка цена, наличие другое сервис и гарантия
Время для звонка
08:00
08:00 09:00 10:00 11:00 12:00 13:00 14:00 15:00 16:00 17:00 18:00 19:00
19:00
08:00 09:00 10:00 11:00 12:00 13:00 14:00 15:00 16:00 17:00 18:00 19:00

Мы постараемся перезвонить в указанное время

Если вы не хотите ждать, то звоните нашим вежливым консультантам:

8 800 100-2-700
Подтвердите, что вы не робот
Подтвердите, что вы не робот
Спасибо!

Ваше сообщение успешно отправлено!

ЗакрытьПовторить попытку