Каталог запасных частей к технике: ЧТЗ Кран ТР-20, ТР-12. Блок топливного насоса

zoom-in zoom-out enlarge shrink circle-right circle-left file-text2 info cart arraw right arraw left zoom out zoom in arraw maximize arraw minimize
51-67-117-01СП
1
2
2
3
4
5
6
7
8
9
10
11
11
12
13
14
15
16
17
18
19
19
20
21
22
23
51-67-117-01СП
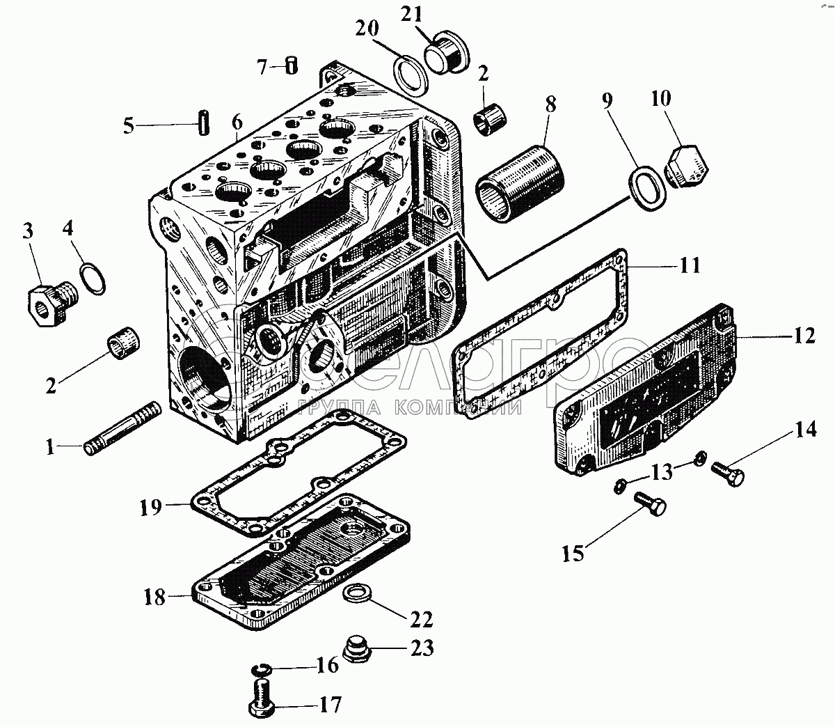
Блок топливного насоса
В узле: ---
1
ШпилькаМ8х1,25-3р/1-6gх38.66.029
Шпилька М8х1,25-3р/1-6gх38.66.029
В узле: ---
2
67204
Втулка
В узле: ---
3
700-41-3395
Штуцер
В узле: ---
4
40910
Кольцо
В узле: ---
5
67209
Трубка
В узле: ---
6
67203-02
Блок топливного насоса
В узле: ---
7
32208
Штифт
В узле: ---
8
67205
Втулка
В узле: ---
9
261163
Кольцо
В узле: ---
10
700-37-5001
Пробка
В узле: ---
11
40745-1
Прокладка
В узле: ---
11
40745
Прокладка
В узле: ---
12
14-67-5-2
Крышка
В узле: ---
13
Шайба8Т.65Г.09
Шайба 8Т.65Г.09
В узле: ---
14
28447
Болт
В узле: ---
15
БолтМ8-6gх12.88.35.019
Болт
В узле: ---
16
Шайба10.ОТ.65Г.09
Шайба 10.ОТ.65Г.09
В узле: ---
17
БолтМ10-6gх20.58.019
Болт
В узле: ---
18
67242-2
Крышка
В узле: ---
19
40746
Прокладка
В узле: ---
19
40746-1
Прокладка
В узле: ---
20
355-10
Кольцо 24-30
В узле: ---
21
700-37-163
Пробка
В узле: ---
22
700-40-333-02
Кольцо
В узле: ---
23
3338-498
Заглушка
В узле: ---
Содержащиеся в справочниках-каталогах запасные части и детали не предлагаются к продаже, а носят исключительно информационный характер

Ваша заявка была отправлена. В ближайшее время наши специалисты с Вами свяжутся по указанному Вами телефону.

Представьтесь
Поле обязательно для заполнения
Ваш телефон
Введите правильный номер телефона
E-mail
Введите правильный e-mail
Тема
Тема
применяемость финансирование доставка цена, наличие другое сервис и гарантия
Время для звонка
08:00
08:00 09:00 10:00 11:00 12:00 13:00 14:00 15:00 16:00 17:00 18:00 19:00
19:00
08:00 09:00 10:00 11:00 12:00 13:00 14:00 15:00 16:00 17:00 18:00 19:00

Мы постараемся перезвонить в указанное время

Если вы не хотите ждать, то звоните нашим вежливым консультантам:

8 800 100-2-700
Подтвердите, что вы не робот
Подтвердите, что вы не робот
Спасибо!

Ваше сообщение успешно отправлено!

ЗакрытьПовторить попытку