Каталог запасных частей к технике: ЧТЗ Кран ТР-20, ТР-12. Блок управления топливным насосом

zoom-in zoom-out enlarge shrink circle-right circle-left file-text2 info cart arraw right arraw left zoom out zoom in arraw maximize arraw minimize
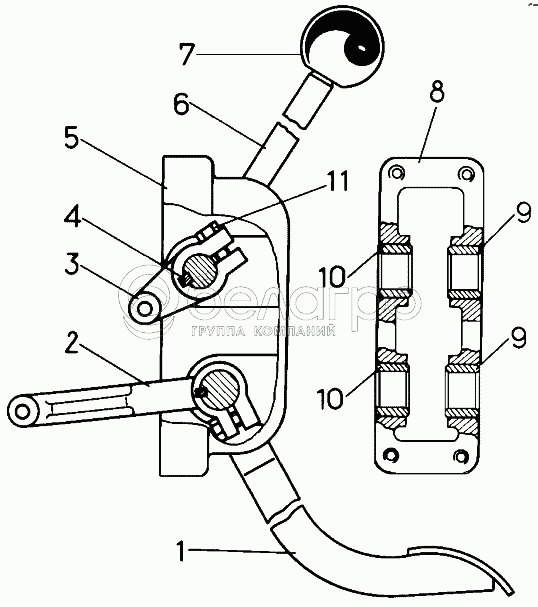
50-74-185СП
1
2
3
4
4
5
6
7
8
9
9
10
10
11
50-74-185СП
Блок управления
В узле: ---
1
50-74-190СП
Педаль деселератора
В узле: ---
2
50-74-153
Рычаг
В узле: ---
3
50-74-154
Рычаг
В узле: ---
4
34126
Шпонка
В узле: ---
4
Шпонка5х7,5
Шпонка 5х7,5
В узле: ---
5
50-74-191СП
Корпус в сборе
В узле: ---
6
50-74-114СП
Рычаг
В узле: ---
7
13310СП
Рукоятка
В узле: ---
8
50-74-152
Корпус
В узле: ---
9
24-74-249-1
Втулка
В узле: ---
10
24-74-248-1
Втулка
В узле: ---
11
БолтМ8-6gх25.88.35.019
Болт
В узле: ---
Содержащиеся в справочниках-каталогах запасные части и детали не предлагаются к продаже, а носят исключительно информационный характер

Ваша заявка была отправлена. В ближайшее время наши специалисты с Вами свяжутся по указанному Вами телефону.

Представьтесь
Поле обязательно для заполнения
Ваш телефон
Введите правильный номер телефона
E-mail
Введите правильный e-mail
Тема
Тема
применяемость финансирование доставка цена, наличие другое сервис и гарантия
Время для звонка
08:00
08:00 09:00 10:00 11:00 12:00 13:00 14:00 15:00 16:00 17:00 18:00 19:00
19:00
08:00 09:00 10:00 11:00 12:00 13:00 14:00 15:00 16:00 17:00 18:00 19:00

Мы постараемся перезвонить в указанное время

Если вы не хотите ждать, то звоните нашим вежливым консультантам:

8 800 100-2-700
Подтвердите, что вы не робот
Подтвердите, что вы не робот
Спасибо!

Ваше сообщение успешно отправлено!

ЗакрытьПовторить попытку