Каталог запасных частей к технике: ЧТЗ Кран ТР-20, ТР-12. Бортовые фрикционы

zoom-in zoom-out enlarge shrink circle-right circle-left file-text2 info cart arraw right arraw left zoom out zoom in arraw maximize arraw minimize
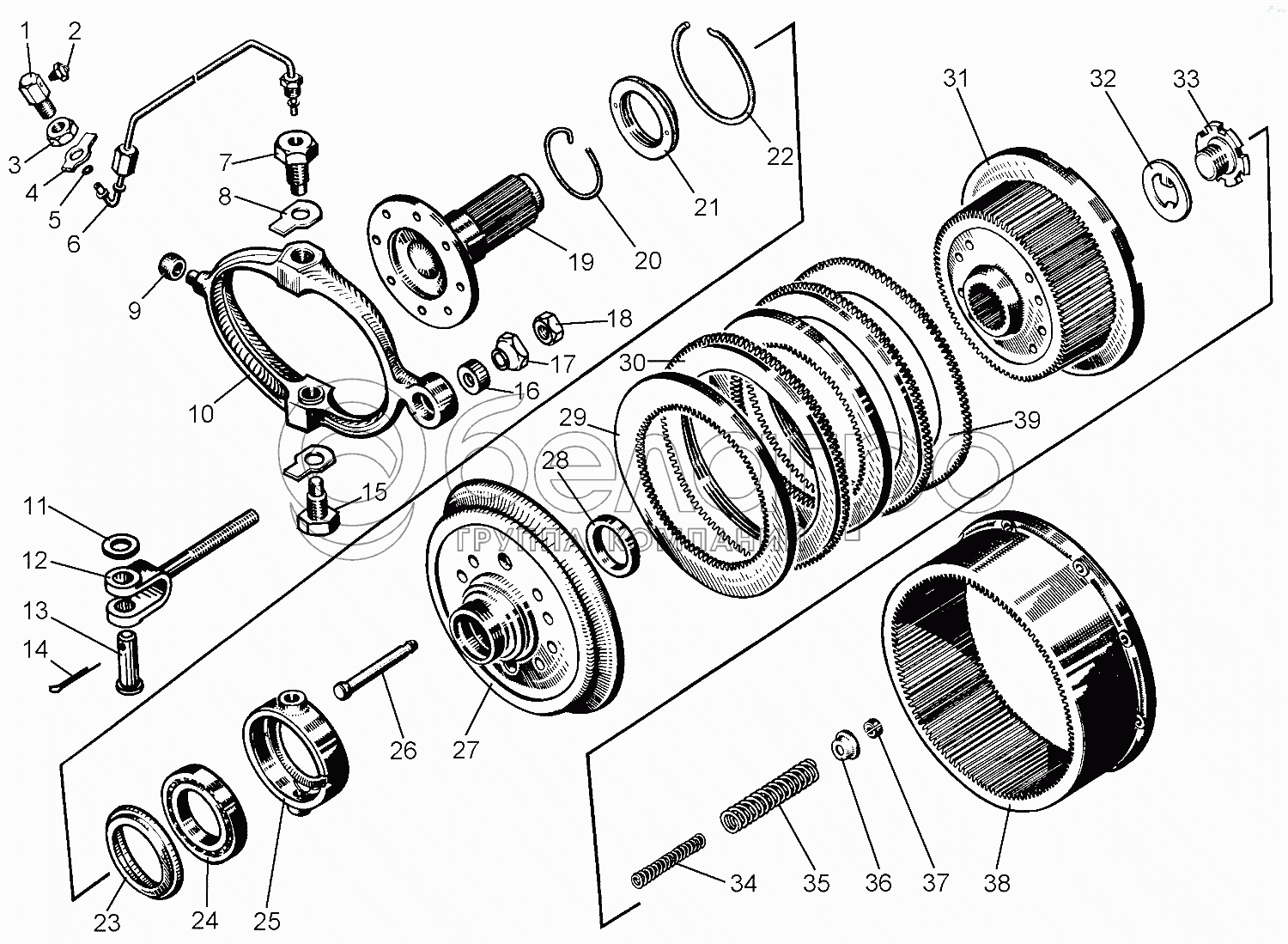
24-16-101-01СП
24-16-102-01СП
1
2
3
4
5
6
7
8
9
10
11
12
13
14
15
16
17
18
19
20
21
22
23
24
24
25
26
27
28
29
30
31
32
33
34
35
36
37
38
39
24-16-101-01СП
Фрикцион бортовой правый
В узле: ---
24-16-102-01СП
Фрикцион бортовой левый
В узле: ---
1
700-41-2702
Штуцер
В узле: ---
2
1.3.Ц6
Масленка 1.3.Ц6
В узле: ---
3
ГайкаМ20х1,5-7Н.6.019
Гайка М20х1,5-7Н.6.019
В узле: ---
4
31543
Шайба
В узле: ---
5
46524
Кольцо
В узле: ---
6
16348СП
Трубка
В узле: ---
7
16350
Палец
В узле: ---
8
31317
Шайба
В узле: ---
9
16133
Наконечник рычага
В узле: ---
10
16202
Рычаг
В узле: ---
11
3193-1
Шайба
В узле: ---
12
17375
Вилка
В узле: ---
13
700-47-2091
Ось
В узле: ---
14
Шплинт4х32
Шплинт
В узле: ---
15
16136
Палец
В узле: ---
16
16134
Седло
В узле: ---
17
17377
Гайка
В узле: ---
18
700-30-2417
Гайка
В узле: ---
19
24-16-4
Полуось
В узле: ---
20
700-58-2004
Кольцо
В узле: ---
21
28-16-13
Гайка
В узле: ---
22
700-58-2003
Кольцо
В узле: ---
23
28-16-12
Отражатель
В узле: ---
24
120
Подшипник 120
В узле: ---
24
46120
Подшипник шариковый радиально-упорный однорядный
В узле: ---
25
28-16-11
Корпус подшипника
В узле: ---
26
16127
Палец
В узле: ---
27
28-16-10
Тарелка
В узле: ---
28
28-16-14
Кольцо
В узле: ---
29
16121
Диск
В узле: ---
30
50-16-111СП
Фрикцион бортовой
В узле: ---
31
24-16-5
Барабан внутренний
В узле: ---
32
700-31-2352
Пластина
В узле: ---
33
28-19-37-1
Пробка
В узле: ---
34
38318
Пружина внутренняя
В узле: ---
35
38360
Пружина наружная
В узле: ---
36
16177
Тарелка
В узле: ---
37
16178
Сухарь
В узле: ---
38
28-16-15
Барабан наружный
В узле: ---
39
24-16-103СП
Диск
В узле: ---
Содержащиеся в справочниках-каталогах запасные части и детали не предлагаются к продаже, а носят исключительно информационный характер

Ваша заявка была отправлена. В ближайшее время наши специалисты с Вами свяжутся по указанному Вами телефону.

Представьтесь
Поле обязательно для заполнения
Ваш телефон
Введите правильный номер телефона
E-mail
Введите правильный e-mail
Тема
Тема
применяемость финансирование доставка цена, наличие другое сервис и гарантия
Время для звонка
08:00
08:00 09:00 10:00 11:00 12:00 13:00 14:00 15:00 16:00 17:00 18:00 19:00
19:00
08:00 09:00 10:00 11:00 12:00 13:00 14:00 15:00 16:00 17:00 18:00 19:00

Мы постараемся перезвонить в указанное время

Если вы не хотите ждать, то звоните нашим вежливым консультантам:

8 800 100-2-700
Подтвердите, что вы не робот
Подтвердите, что вы не робот
Спасибо!

Ваше сообщение успешно отправлено!

ЗакрытьПовторить попытку