Каталог запасных частей к технике: ЧТЗ Кран ТР-20, ТР-12. Гидросистема управления лебедкой

zoom-in zoom-out enlarge shrink circle-right circle-left file-text2 info cart arraw right arraw left zoom out zoom in arraw maximize arraw minimize
71-26-2СП
1
1
2
2
3
4
5
6
7
8
8
9
10
11
11
11
12
13
13
13
14
14
14
15
16
17
18
19
71-26-2СП
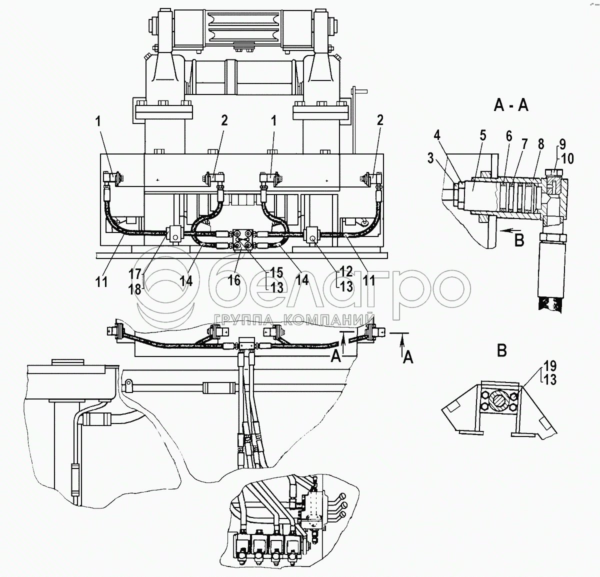
Гидросистема управления лебедкой
В узле: ---
1
71-26-106-01СП
Цилиндр
В узле: ---
2
71-26-106СП
Цилиндр
В узле: ---
3
700-28-2582
Болт
В узле: ---
4
700-41-3479
Контргайка
В узле: ---
5
71-26-40
Шток
В узле: ---
6
Е23-027-032
Кольцо Е23-027-032
В узле: ---
7
027-032-30-2-5
Кольцо 027-032-30-2-5
В узле: ---
8
71-26-105-01СП
Корпус
В узле: ---
8
71-26-105СП
Корпус
В узле: ---
9
37121
Пробка
В узле: ---
10
40920
Кольцо
В узле: ---
11
50-26-484-04СП
Рукав 12
В узле: ---
11
50-26-484-05СП
Рукав 12
В узле: ---
12
БолтМ10-6gх22.58.019
Болт М10-6gх22.58.019
В узле: ---
13
Шайба10.ОТ.65Г.09
Шайба 10.ОТ.65Г.09
В узле: ---
14
50-26-484-10СП
Рукав 12
В узле: ---
14
50-26-484-11СП
Рукав 12
В узле: ---
15
БолтМ10-6gх60.58.019
Болт
В узле: ---
16
71-26-103СП
Коллектор
В узле: ---
17
261115
Хомут
В узле: ---
18
700-40-7471-06
Прокладка
В узле: ---
19
БолтМ10-6gх30.58
Болт М10-6gх30.58
В узле: ---
Содержащиеся в справочниках-каталогах запасные части и детали не предлагаются к продаже, а носят исключительно информационный характер

Ваша заявка была отправлена. В ближайшее время наши специалисты с Вами свяжутся по указанному Вами телефону.

Представьтесь
Поле обязательно для заполнения
Ваш телефон
Введите правильный номер телефона
E-mail
Введите правильный e-mail
Тема
Тема
применяемость финансирование доставка цена, наличие другое сервис и гарантия
Время для звонка
08:00
08:00 09:00 10:00 11:00 12:00 13:00 14:00 15:00 16:00 17:00 18:00 19:00
19:00
08:00 09:00 10:00 11:00 12:00 13:00 14:00 15:00 16:00 17:00 18:00 19:00

Мы постараемся перезвонить в указанное время

Если вы не хотите ждать, то звоните нашим вежливым консультантам:

8 800 100-2-700
Подтвердите, что вы не робот
Подтвердите, что вы не робот
Спасибо!

Ваше сообщение успешно отправлено!

ЗакрытьПовторить попытку