Каталог запасных частей к технике: ЧТЗ Кран ТР-20, ТР-12. Головка цилиндров

zoom-in zoom-out enlarge shrink circle-right circle-left file-text2 info cart arraw right arraw left zoom out zoom in arraw maximize arraw minimize
51-02-3СП
1
2
3
4
5
6
7
8
9
10
11
12
13
14
15
16
17
18
19
20
21
22
23
51-02-3СП
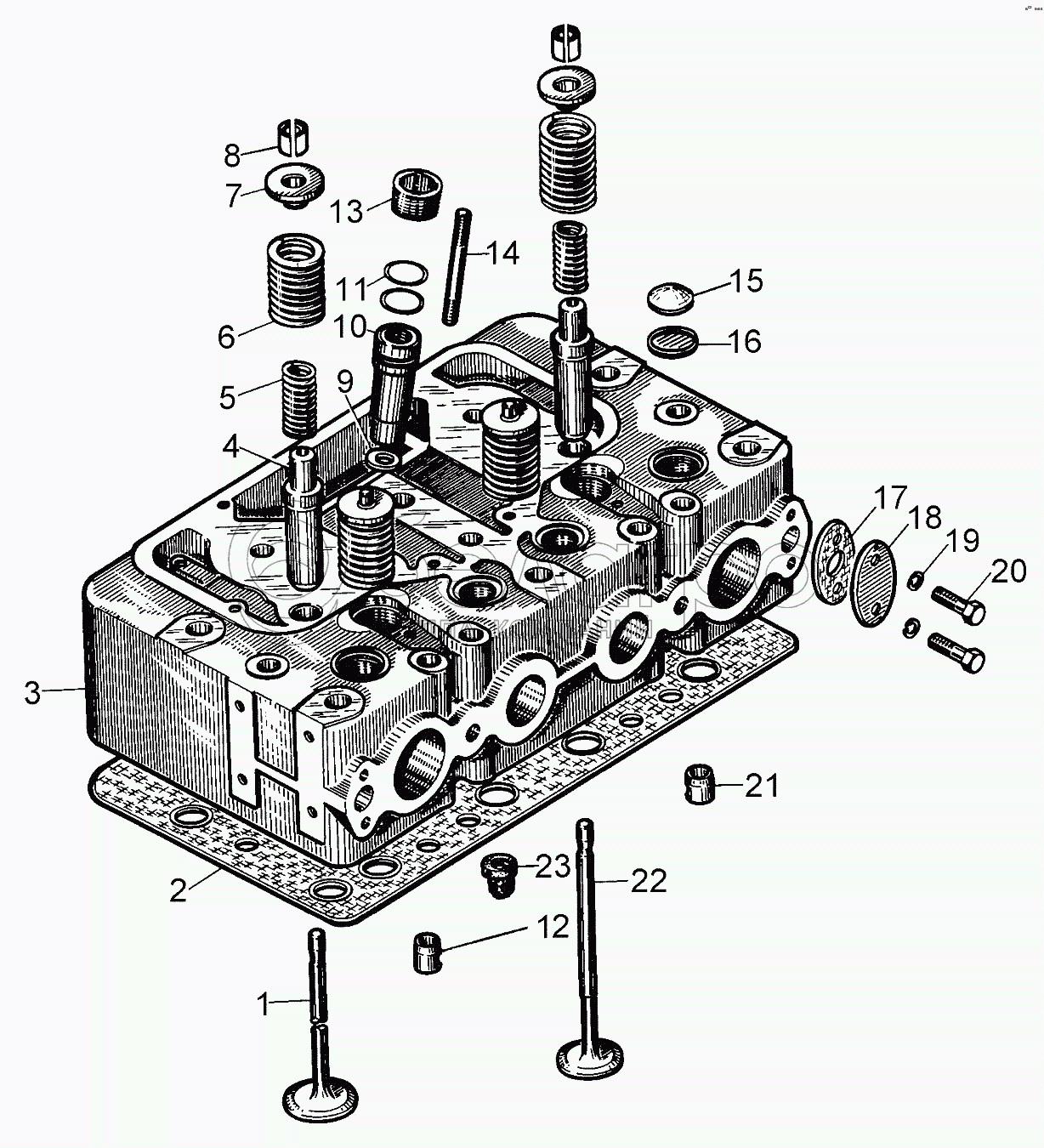
Головка цилиндров
В узле: ---
1
14-02-33-В
Клапан впускной
В узле: ---
2
51-02-С13
Прокладка
В узле: ---
3
51-02-40
Головка цилиндров
В узле: ---
4
51-02-41
Втулка
В узле: ---
5
700-38-2862
Пружина
В узле: ---
6
700-38-2813
Пружина клапана
В узле: ---
7
0489
Тарелка
В узле: ---
8
51-02-15
Сухарик
В узле: ---
9
51-71-24
Прокладка
В узле: ---
10
51-02-48-01
Втулка
В узле: ---
11
700-40-9288
Кольцо
В узле: ---
12
51-02-44
Дефлектор короткий
В узле: ---
13
51-02-42
Пробка стопорная
В узле: ---
14
29466-01
Шпилька
В узле: ---
15
51-02-50
Заглушка сферическая
В узле: ---
16
51-02-49
Донышко
В узле: ---
17
40157
Прокладка
В узле: ---
18
0299
Заглушка
В узле: ---
19
Шайба8Т.65Г.09
Шайба 8Т.65Г.09
В узле: ---
20
БолтМ8-6gх20.88.35.019
Болт
В узле: ---
21
51-02-43
Дефлектор длинный
В узле: ---
22
14.02.1932
Клапан выпускной
В узле: ---
23
700-40-9163
Кольцо уплотнительное
В узле: ---
Содержащиеся в справочниках-каталогах запасные части и детали не предлагаются к продаже, а носят исключительно информационный характер

Ваша заявка была отправлена. В ближайшее время наши специалисты с Вами свяжутся по указанному Вами телефону.

Представьтесь
Поле обязательно для заполнения
Ваш телефон
Введите правильный номер телефона
E-mail
Введите правильный e-mail
Тема
Тема
применяемость финансирование доставка цена, наличие другое сервис и гарантия
Время для звонка
08:00
08:00 09:00 10:00 11:00 12:00 13:00 14:00 15:00 16:00 17:00 18:00 19:00
19:00
08:00 09:00 10:00 11:00 12:00 13:00 14:00 15:00 16:00 17:00 18:00 19:00

Мы постараемся перезвонить в указанное время

Если вы не хотите ждать, то звоните нашим вежливым консультантам:

8 800 100-2-700
Подтвердите, что вы не робот
Подтвердите, что вы не робот
Спасибо!

Ваше сообщение успешно отправлено!

ЗакрытьПовторить попытку