Каталог запасных частей к технике: ЧТЗ Кран ТР-20, ТР-12. Механизм управления муфтой сцепления

zoom-in zoom-out enlarge shrink circle-right circle-left file-text2 info cart arraw right arraw left zoom out zoom in arraw maximize arraw minimize
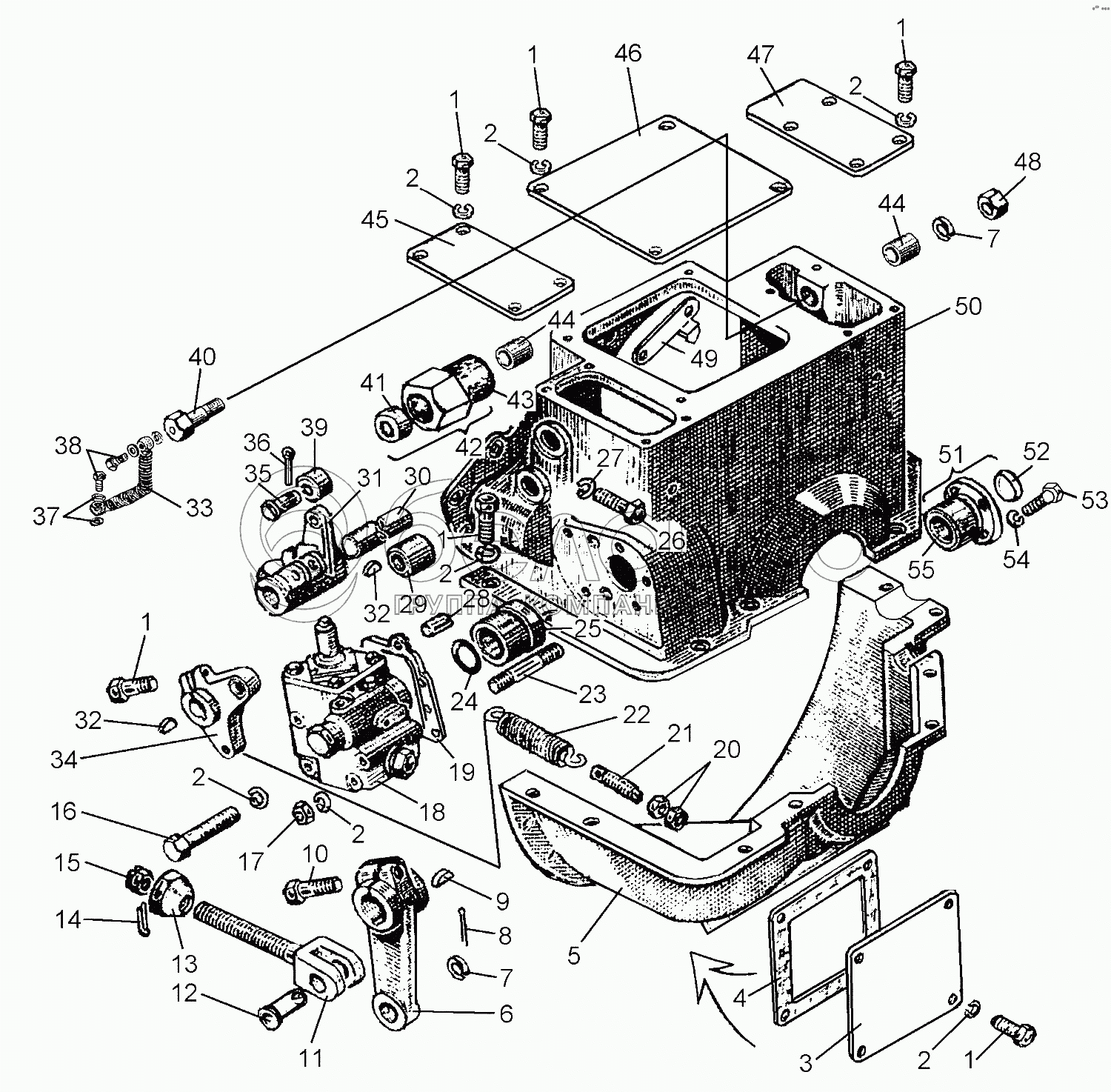
48-15-1СП
1
1
1
1
1
1
2
2
2
2
2
2
2
3
4
5
5
6
7
7
8
9
10
11
12
13
14
15
16
17
18
19
20
21
22
23
24
25
26
27
28
29
30
31
32
32
33
34
35
36
37
38
39
40
41
42
43
44
44
45
46
47
48
49
50
51
52
53
54
55
48-15-1СП
Механизм управления муфтой сцепления
В узле: ---
1
БолтМ10-6gх25.58.019
Болт
В узле: ---
2
Шайба10.ОТ.65Г.09
Шайба 10.ОТ.65Г.09
В узле: ---
3
15234
Крышка
В узле: ---
4
46173
Прокладка
В узле: ---
5
50-15-123
Кожух
В узле: ---
5
50-15-154СП
Кожух
В узле: ---
6
24-15-90
Рычаг
В узле: ---
7
3193-1
Шайба
В узле: ---
8
Шплинт4х32
Шплинт
В узле: ---
9
700-34-2029
Шпонка
В узле: ---
10
БолтМ10х35.58.019
Болт М10х35.58.019
В узле: ---
11
50-15-36
Тяга
В узле: ---
12
700-47-2091
Ось
В узле: ---
13
17377
Гайка
В узле: ---
14
Шплинт3,2х40
Шплинт 3,2х40
В узле: ---
15
50-15-34
Стопор
В узле: ---
16
БолтМ10-6gх130.58.019
Болт М10-6gх130.58.019
В узле: ---
17
ГайкаМ10-7Н.6.019
Гайка
В узле: ---
18
50-15-118СП
Сервомеханизм
В узле: ---
19
700-40-3278
Прокладка
В узле: ---
20
ГайкаМ8.6.019
Гайка
В узле: ---
21
06412
Винт
В узле: ---
22
700-38-2073
Пружина
В узле: ---
23
2994
Шпилька
В узле: ---
24
700-40-7374
Кольцо
В узле: ---
25
50-15-62
Втулка
В узле: ---
26
БолтМ12х35.58.019
Болт М12х35.58.019
В узле: ---
27
Шайба12.ОТ.65Г.09
Шайба 12.ОТ.65Г.09
В узле: ---
28
700-32-2201
Штифт
В узле: ---
29
50-15-24
Втулка
В узле: ---
30
50-15-142
Валик
В узле: ---
31
50-15-51
Рычаг
В узле: ---
32
34128
Шпонка
В узле: ---
33
РВД6-40-380-115-10(09)/10(09)-У
РВД 6-40-380-115-10(09)/10(09)-У
В узле: ---
34
24-15-64-1
Рычаг
В узле: ---
35
17317
Палец
В узле: ---
36
Шплинт3,2х22.019
Шплинт
В узле: ---
37
40912
Кольцо
В узле: ---
38
700-41-3069
Штуцер
В узле: ---
39
24-15-11
Ролик
В узле: ---
40
48-15-22
Втулка
В узле: ---
41
50-13-194
Втулка
В узле: ---
42
50-15-162СП
Втулка
В узле: ---
43
50-15-141
Втулка
В узле: ---
44
50-15-20
Втулка
В узле: ---
45
48-15-17
Крышка
В узле: ---
46
24-15-45
Крышка
В узле: ---
47
48-15-18
Крышка
В узле: ---
48
ГайкаМ20х1,5-7Н.6.019
Гайка М20х1,5-7Н.6.019
В узле: ---
49
24-15-51
Стрелка
В узле: ---
50
50-15-122
Кожух
В узле: ---
51
50-15-166СП
Стакан
В узле: ---
52
27580
Заглушка
В узле: ---
53
БолтМ8-6gх16.88.35.019
Болт
В узле: ---
54
Шайба8Т.65Г.09
Шайба 8Т.65Г.09
В узле: ---
55
50-15-124
Стакан
В узле: ---
Содержащиеся в справочниках-каталогах запасные части и детали не предлагаются к продаже, а носят исключительно информационный характер

Ваша заявка была отправлена. В ближайшее время наши специалисты с Вами свяжутся по указанному Вами телефону.

Представьтесь
Поле обязательно для заполнения
Ваш телефон
Введите правильный номер телефона
E-mail
Введите правильный e-mail
Тема
Тема
применяемость финансирование доставка цена, наличие другое сервис и гарантия
Время для звонка
08:00
08:00 09:00 10:00 11:00 12:00 13:00 14:00 15:00 16:00 17:00 18:00 19:00
19:00
08:00 09:00 10:00 11:00 12:00 13:00 14:00 15:00 16:00 17:00 18:00 19:00

Мы постараемся перезвонить в указанное время

Если вы не хотите ждать, то звоните нашим вежливым консультантам:

8 800 100-2-700
Подтвердите, что вы не робот
Подтвердите, что вы не робот
Спасибо!

Ваше сообщение успешно отправлено!

ЗакрытьПовторить попытку