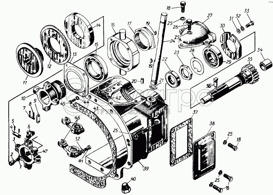
Каталог запасных частей к технике: ЧТЗ Кран ТР-20, ТР-12. Муфта сцепления пускового агрегата

zoom-in zoom-out enlarge shrink circle-right circle-left file-text2 info cart arraw right arraw left zoom out zoom in arraw maximize arraw minimize
17-73-7СП
1
2
3
4
5
6
7
8
9
10
11
12
13
14
15
16
17
18
18
18
19
19
19
20
21
22
23
24
25
25
25
25
25
25
26
27
28
29
30
31
32
32
33
33
34
35
36
37
38
39
40
41
42
43
44
45
46
47
17-73-7СП
Муфта сцепления
В узле: ---
1
3874
Пружина
В узле: ---
2
7316
Защелка
В узле: ---
3
17-73-57
Крестовина
В узле: ---
4
7312
Палец
В узле: ---
5
Шплинт2,5х16.019
Шплинт 2,5х16.019
В узле: ---
6
7311-1
Кулачок
В узле: ---
7
7314
Палец
В узле: ---
8
Шплинт2х12.019
Шплинт 2х12.019
В узле: ---
9
7313
Серьга
В узле: ---
10
17-73-54
Муфта
В узле: ---
11
736
Диск неподвижный
В узле: ---
12
17-73-139СП
Диск
В узле: ---
13
17-73-53
Крышка
В узле: ---
14
739
Диск нажимной
В узле: ---
15
1000909
Подшипник 1000909
В узле: ---
16
17-73-52
Обойма
В узле: ---
17
17-73-55
Тормозок
В узле: ---
18
БолтМ10-6gх22.58.019
Болт М10-6gх22.58.019
В узле: ---
19
3432
Шпонка
В узле: ---
19
3х6,5
Шпонка 3х6,5
В узле: ---
20
700-32-2196
Штифт
В узле: ---
21
700-58-2526
Кольцо
В узле: ---
22
1.2-35х58-1
Манжета 1.2-35х58-1
В узле: ---
23
700-30-2305
Гайка
В узле: ---
24
17-73-35
Ось
В узле: ---
25
Шайба10.ОТ.65Г.09
Шайба 10.ОТ.65Г.09
В узле: ---
26
БолтМ10-6gх45.58.019
Болт
В узле: ---
27
17-73-13
Крышка
В узле: ---
28
700-31-2566
Шайба
В узле: ---
29
208
Подшипник 208
В узле: ---
30
73105
Крышка
В узле: ---
31
353-05-1
Шайба
В узле: ---
32
Шайба8Т.65Г.09
Шайба 8Т.65Г.09
В узле: ---
33
БолтМ8-6gх25.58.019
Болт М8-6gх25.58.019
В узле: ---
33
БолтМ8-6gх25.88.35.019
Болт
В узле: ---
34
17-73-66
Втулка
В узле: ---
35
735-01
Вал муфты сцепления
В узле: ---
36
7325
Палец стопорный
В узле: ---
37
40235
Прокладка
В узле: ---
38
73103
Крышка люка
В узле: ---
39
17-73-20-1-02
Корпус муфты сцепления
В узле: ---
40
379
Пробка
В узле: ---
41
БолтМ8-6gх30.58.019
Болт М8-6gх30.58.019
В узле: ---
42
БолтМ10-6gх30.58.019
Болт
В узле: ---
43
40954
Прокладка
В узле: ---
44
Шайба6Т.65Г.09
Шайба 6Т.65Г.09
В узле: ---
45
БолтМ6-6gх14.88.35.019
Болт М6-6gх14.88.35.019
В узле: ---
46
17-73-58
Вилка
В узле: ---
47
0516
Кнопка
В узле: ---
Содержащиеся в справочниках-каталогах запасные части и детали не предлагаются к продаже, а носят исключительно информационный характер

Ваша заявка была отправлена. В ближайшее время наши специалисты с Вами свяжутся по указанному Вами телефону.

Представьтесь
Поле обязательно для заполнения
Ваш телефон
Введите правильный номер телефона
E-mail
Введите правильный e-mail
Тема
Тема
применяемость финансирование доставка цена, наличие другое сервис и гарантия
Время для звонка
08:00
08:00 09:00 10:00 11:00 12:00 13:00 14:00 15:00 16:00 17:00 18:00 19:00
19:00
08:00 09:00 10:00 11:00 12:00 13:00 14:00 15:00 16:00 17:00 18:00 19:00

Мы постараемся перезвонить в указанное время

Если вы не хотите ждать, то звоните нашим вежливым консультантам:

8 800 100-2-700
Подтвердите, что вы не робот
Подтвердите, что вы не робот
Спасибо!

Ваше сообщение успешно отправлено!

ЗакрытьПовторить попытку