Каталог запасных частей к технике: ЧТЗ Кран ТР-20, ТР-12. Регулятор пускового двигателя

zoom-in zoom-out enlarge shrink circle-right circle-left file-text2 info cart arraw right arraw left zoom out zoom in arraw maximize arraw minimize
17-06-4СП
1
2
2
3
3
3
4
5
6
6
7
8
9
10
11
11
12
13
13
14
14
15
15
15
16
17
18
19
20
21
21
22
23
24
25
26
27
27
28
29
30
17-06-4СП
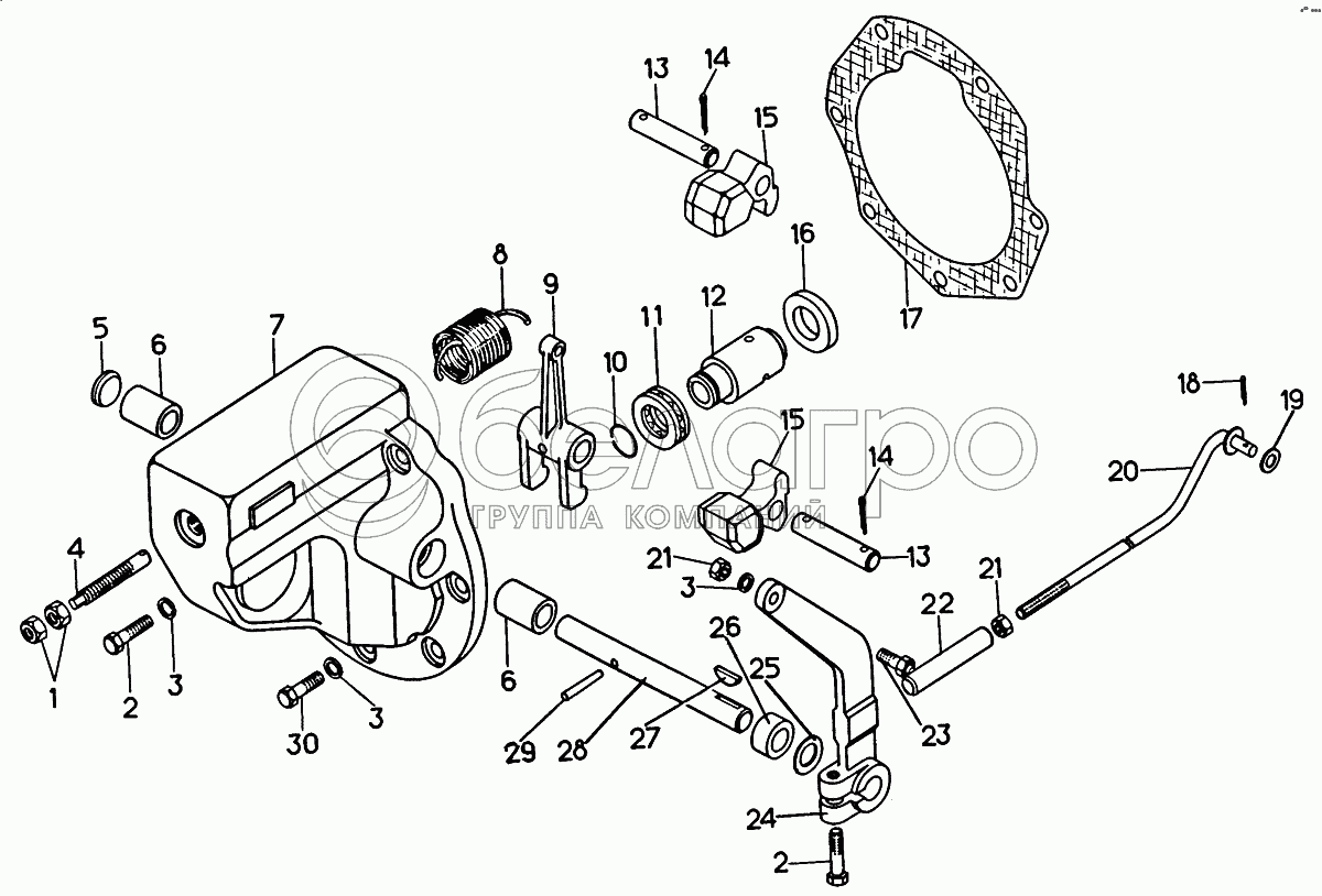
Регулятор пускового двигателя
В узле: ---
1
ГайкаМ8х1.6.019
Гайка М8х1.6.019
В узле: ---
2
БолтМ6х25.58.019
Болт М6х25.58.019
В узле: ---
3
Шайба6Т.65Г.09
Шайба 6Т.65Г.09
В узле: ---
4
06412
Винт
В узле: ---
5
0690
Заглушка
В узле: ---
6
06403-2
Втулка
В узле: ---
7
17-06-16
Корпус
В узле: ---
8
38340
Пружина
В узле: ---
9
06409
Рычаг
В узле: ---
10
06503-01
Кольцо
В узле: ---
11
8103Н
Подшипник 8103Н
В узле: ---
11
8103
Подшипник
В узле: ---
12
06504
Втулка
В узле: ---
13
17-06-15
Палец
В узле: ---
14
Шплинт3,2х20.019
Шплинт 3,2х20.019
В узле: ---
15
06405
Груз
В узле: ---
15
06405-01
Грузик регулятора
В узле: ---
16
06408
Шайба
В узле: ---
17
40949
Прокладка
В узле: ---
18
Шплинт2х14.019
Шплинт 2х14.019
В узле: ---
19
31356
Шайба 6.02
В узле: ---
20
06626СП
Тяга
В узле: ---
21
ГайкаМ6-7Н.6.019
Гайка
В узле: ---
22
700-42-2555
Муфта
В узле: ---
23
06104
Шаровой палец
В узле: ---
24
06481
Рычаг
В узле: ---
25
06100
Шайба к сальнику
В узле: ---
26
40264
Сальник
В узле: ---
27
Шпонка3х6,5
Шпонка 3х6,5
В узле: ---
27
3432
Шпонка
В узле: ---
28
06411
Ось
В узле: ---
29
32239
Штифт
В узле: ---
30
БолтМ6х20.58.019
Болт М6х20.58.019
В узле: ---
Содержащиеся в справочниках-каталогах запасные части и детали не предлагаются к продаже, а носят исключительно информационный характер

Ваша заявка была отправлена. В ближайшее время наши специалисты с Вами свяжутся по указанному Вами телефону.

Представьтесь
Поле обязательно для заполнения
Ваш телефон
Введите правильный номер телефона
E-mail
Введите правильный e-mail
Тема
Тема
применяемость финансирование доставка цена, наличие другое сервис и гарантия
Время для звонка
08:00
08:00 09:00 10:00 11:00 12:00 13:00 14:00 15:00 16:00 17:00 18:00 19:00
19:00
08:00 09:00 10:00 11:00 12:00 13:00 14:00 15:00 16:00 17:00 18:00 19:00

Мы постараемся перезвонить в указанное время

Если вы не хотите ждать, то звоните нашим вежливым консультантам:

8 800 100-2-700
Подтвердите, что вы не робот
Подтвердите, что вы не робот
Спасибо!

Ваше сообщение успешно отправлено!

ЗакрытьПовторить попытку