Каталог запасных частей к технике: ЧТЗ Кран ТР-20, ТР-12. Установка гидросистемы бульдозера на трубоукладчике

zoom-in zoom-out enlarge shrink circle-right circle-left file-text2 info cart arraw right arraw left zoom out zoom in arraw maximize arraw minimize
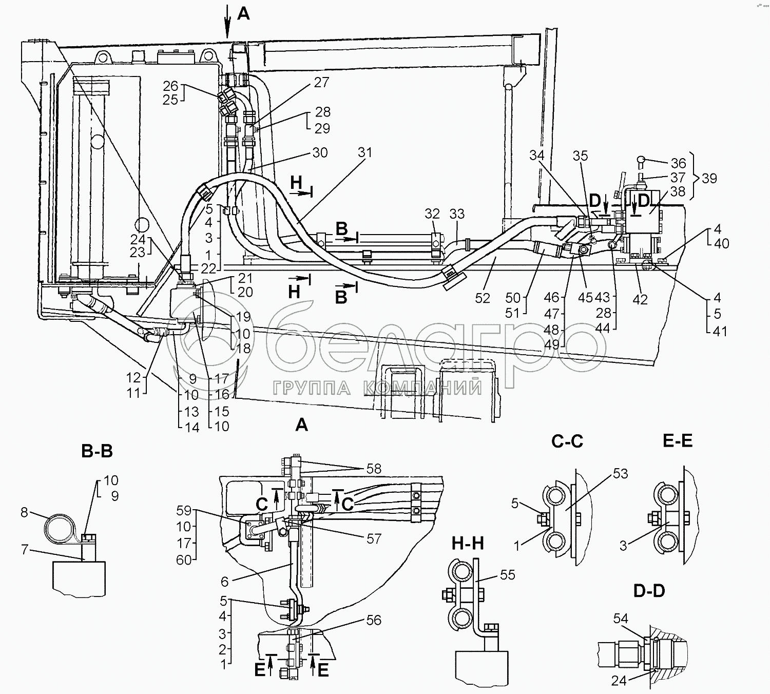
48-26-61СП
1
1
1
2
3
3
3
4
4
4
4
5
5
5
5
6
6
7
8
9
9
10
10
10
10
10
11
12
13
14
15
16
17
17
18
19
20
21
22
23
24
24
25
26
27
28
28
29
30
30
31
31
32
33
34
35
36
37
38
38
38
39
40
41
42
43
44
45
46
47
48
49
50
51
52
53
54
55
56
57
58
59
60
48-26-61СП
Установка гидросистемы бульдозера на трубоукладчике
В узле: ---
1
50-60-230
Прижим
В узле: ---
2
64-26-281СП
Кронштейн
В узле: ---
3
41832
Втулка
В узле: ---
4
Шайба12.ОТ.65Г.09
Шайба 12.ОТ.65Г.09
В узле: ---
5
3011
Гайка
В узле: ---
6
50-26-485-04СП
Рукав 16
В узле: ---
6
50-26-485-05СП
Рукав 16 для тропиков
В узле: ---
7
700-51-2130
Бонка
В узле: ---
8
700-41-2985
Хомут
В узле: ---
9
БолтМ10-6gх25.58.019
Болт
В узле: ---
10
Шайба10.ОТ.65Г.09
Шайба 10.ОТ.65Г.09
В узле: ---
11
700-41-2224СП
Хомут
В узле: ---
12
700-40-5967
Рукав
В узле: ---
13
48-26-334СП
Труба
В узле: ---
14
700-40-7341
Прокладка
В узле: ---
15
НШ50А-3
Насос НШ 50 А-3
В узле: ---
16
700-40-2631
Прокладка
В узле: ---
17
БолтМ10-6gх35.58.019
Болт
В узле: ---
18
700-29-2474
Шпилька
В узле: ---
19
700-30-2099
Гайка
В узле: ---
20
748-99-1235
Муфта угловая
В узле: ---
21
714-72-44-03
Кольцо
В узле: ---
22
БолтМ12-6gх45.58.019
Болт
В узле: ---
23
700-41-3813
Штуцер
В узле: ---
24
46764
Кольцо
В узле: ---
25
700-41-3565
Гайка накидная
В узле: ---
26
700-41-3571
Заглушка сферическая
В узле: ---
27
700-41-4503СП
Переходник
В узле: ---
28
40920
Кольцо
В узле: ---
29
28458
Болт
В узле: ---
30
50-26-485-14СП
Рукав 16
В узле: ---
30
50-26-485-15СП
Рукав 16
В узле: ---
31
50-26-486-17СП
Рукав 20
В узле: ---
31
50-26-486-16СП
Рукав 20
В узле: ---
32
50-26-237СП
Кронштейн
В узле: ---
33
64-26-149
Труба
В узле: ---
34
700-41-2254СП
Переходник
В узле: ---
35
ММ128-3810.600
Датчик аварийного давления масла
В узле: ---
36
13310СП
Рукоятка
В узле: ---
37
18-26-879-02
Рычаг
В узле: ---
38
Р160-3/1-111У
Распределитель
В узле: ---
38
50-26-61СП
Распределитель
В узле: ---
38
Р160-3/1-111Т
Распределитель
В узле: ---
39
50-26-702-01СП
Гидрораспределитель
В узле: ---
40
2816
Болт
В узле: ---
41
28556
Болт
В узле: ---
42
18-26-436
Планка
В узле: ---
43
700-41-3631
Штуцер
В узле: ---
44
50-26-124СП
Труба
В узле: ---
45
700-41-2246СП
Переходник
В узле: ---
46
48-26-332СП
Труба
В узле: ---
47
700-40-8295
Прокладка
В узле: ---
48
БолтМ8-6gх25.88.35.019
Болт
В узле: ---
49
Шайба8Т.65Г.09
Шайба 8Т.65Г.09
В узле: ---
50
700-40-5968
Рукав
В узле: ---
51
18-26-320СП
Хомут
В узле: ---
52
64-26-150-01
Труба
В узле: ---
53
50-26-284
Планка
В узле: ---
54
50-26-661
Штуцер
В узле: ---
55
50-26-122СП
Кронштейн
В узле: ---
56
64-26-266СП
Труба
В узле: ---
57
261115
Хомут
В узле: ---
58
64-26-265СП
Труба
В узле: ---
59
Шайба10.01.10.019
Шайба 10.01.10.019
В узле: ---
60
БолтМ10-6gх70.58.019
Болт М10-6gх70.58.019
В узле: ---
Содержащиеся в справочниках-каталогах запасные части и детали не предлагаются к продаже, а носят исключительно информационный характер

Ваша заявка была отправлена. В ближайшее время наши специалисты с Вами свяжутся по указанному Вами телефону.

Представьтесь
Поле обязательно для заполнения
Ваш телефон
Введите правильный номер телефона
E-mail
Введите правильный e-mail
Тема
Тема
применяемость финансирование доставка цена, наличие другое сервис и гарантия
Время для звонка
08:00
08:00 09:00 10:00 11:00 12:00 13:00 14:00 15:00 16:00 17:00 18:00 19:00
19:00
08:00 09:00 10:00 11:00 12:00 13:00 14:00 15:00 16:00 17:00 18:00 19:00

Мы постараемся перезвонить в указанное время

Если вы не хотите ждать, то звоните нашим вежливым консультантам:

8 800 100-2-700
Подтвердите, что вы не робот
Подтвердите, что вы не робот
Спасибо!

Ваше сообщение успешно отправлено!

ЗакрытьПовторить попытку