Каталог запасных частей к технике: ЧТЗ Кран ТР-20, ТР-12. Установка топливной аппаратуры

zoom-in zoom-out enlarge shrink circle-right circle-left file-text2 info cart arraw right arraw left zoom out zoom in arraw maximize arraw minimize
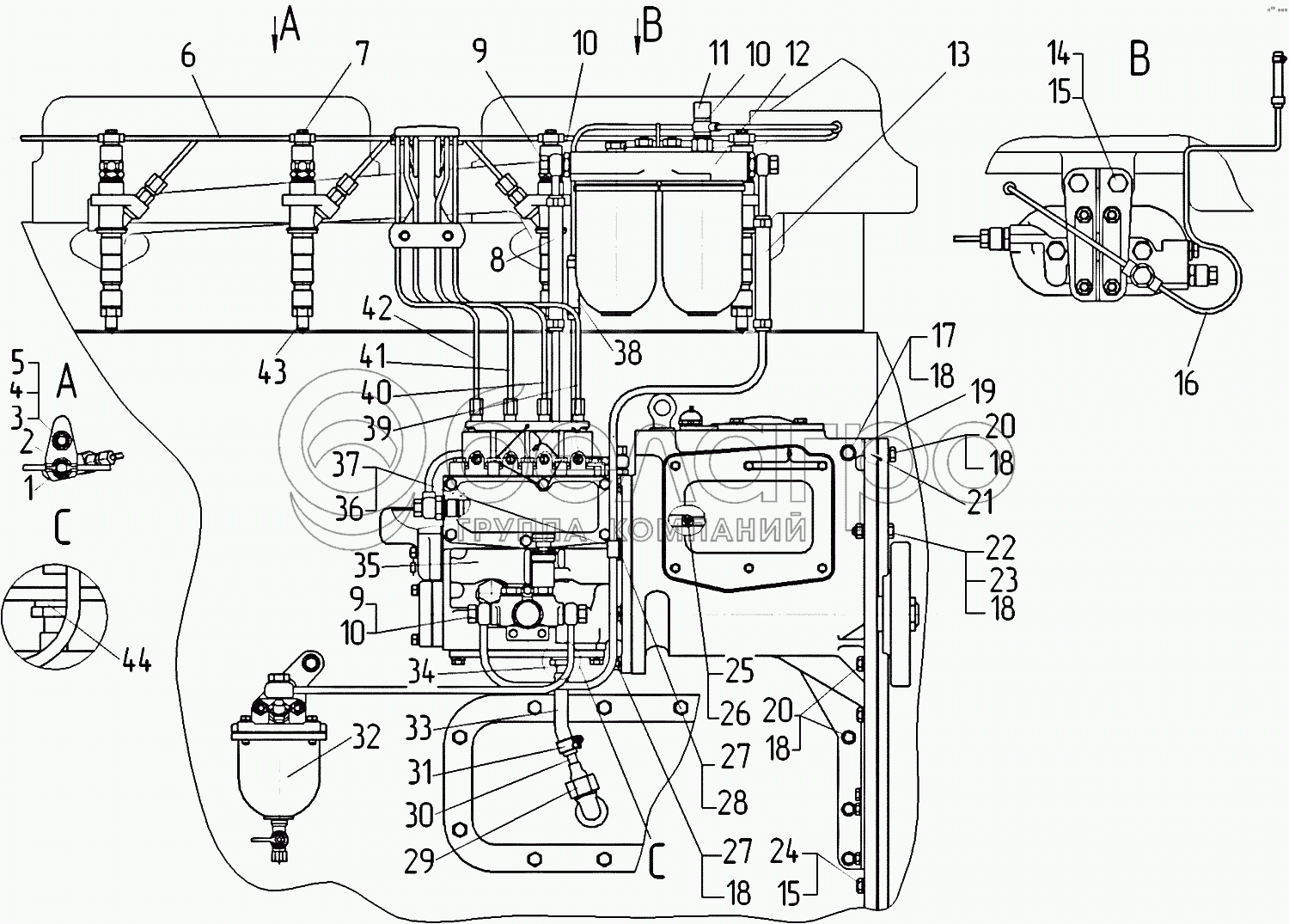
65-104-04СП
1
2
3
4
5
6
7
8
9
9
10
10
10
11
12
13
14
15
15
16
17
18
18
18
18
18
19
20
20
21
21
22
23
24
24
25
26
26
27
27
28
29
30
31
32
33
34
35
36
37
38
39
40
41
42
43
44
65-104-04СП
Установка топливной аппаратуры
В узле: ---
1
67143
Штуцер
В узле: ---
2
14-69-42
Рычаг
В узле: ---
3
700-30-2414
Гайка
В узле: ---
4
14-69-46
Шайба
В узле: ---
5
29466-01
Шпилька
В узле: ---
6
51-69-111СП
Трубка
В узле: ---
7
40938
Кольцо
В узле: ---
8
51-41-148СП
Топливопровод
В узле: ---
9
700-41-2716
Штуцер
В узле: ---
10
51-06-8
Кольцо
В узле: ---
11
51-70-136СП
Клапан
В узле: ---
12
51-70-153СП
Фильтр топливный
В узле: ---
13
51-41-147СП
Топливопровод
В узле: ---
14
БолтМ12-6gх25.58.019
Болт
В узле: ---
15
Шайба12.ОТ.65Г.09
Шайба 12.ОТ.65Г.09
В узле: ---
16
51-41-141СП
Трубка
В узле: ---
17
БолтМ10-6gх170.58.019
Болт М10-6gх170.58.019
В узле: ---
18
Шайба10.ОТ.65Г.09
Шайба 10.ОТ.65Г.09
В узле: ---
19
06577
Прокладка
В узле: ---
20
БолтМ10-6gх30.58
Болт М10-6gх30.58
В узле: ---
21
700-40-20011
Прокладка
В узле: ---
21
46170
Прокладка
В узле: ---
22
БолтМ10-6gх40.58.019
Болт
В узле: ---
23
ГайкаМ10-7Н.6.019
Гайка
В узле: ---
24
БолтМ12-6gх40.58.019
Болт
В узле: ---
24
28579
Болт
В узле: ---
25
06322
Ось
В узле: ---
26
51-06-44
Шплинт
В узле: ---
26
354-17
Шплинт 2х12
В узле: ---
27
3084
Гайка
В узле: ---
28
353-07-1
Шайба чистая 10
В узле: ---
29
700-41-3565
Гайка накидная
В узле: ---
30
51-41-152СП
Трубка
В узле: ---
31
SGT20-32/9
Хомут червячный
В узле: ---
32
51-70-23СП
Установка топливного фильтра грубой очистки
В узле: ---
33
700-40-20010
Рукав
В узле: ---
34
51-41-139СП
Трубка
В узле: ---
35
51-157СП
Насос топливный
В узле: ---
36
700-40-2654
Прокладка
В узле: ---
37
700-41-3598
Хомут
В узле: ---
38
51-69-133СП
Трубка
В узле: ---
39
51-69-128СП
Топливопровод высокого давления
В узле: ---
40
51-69-129СП
Топливопровод высокого давления
В узле: ---
41
51-69-130СП
Топливопровод III цилиндра
В узле: ---
42
51-69-131СП
Топливопровод IV цилиндра
В узле: ---
43
14-69-117-1СП
Форсунка
В узле: ---
44
700-40-333-02
Кольцо
В узле: ---
Содержащиеся в справочниках-каталогах запасные части и детали не предлагаются к продаже, а носят исключительно информационный характер

Ваша заявка была отправлена. В ближайшее время наши специалисты с Вами свяжутся по указанному Вами телефону.

Представьтесь
Поле обязательно для заполнения
Ваш телефон
Введите правильный номер телефона
E-mail
Введите правильный e-mail
Тема
Тема
применяемость финансирование доставка цена, наличие другое сервис и гарантия
Время для звонка
08:00
08:00 09:00 10:00 11:00 12:00 13:00 14:00 15:00 16:00 17:00 18:00 19:00
19:00
08:00 09:00 10:00 11:00 12:00 13:00 14:00 15:00 16:00 17:00 18:00 19:00

Мы постараемся перезвонить в указанное время

Если вы не хотите ждать, то звоните нашим вежливым консультантам:

8 800 100-2-700
Подтвердите, что вы не робот
Подтвердите, что вы не робот
Спасибо!

Ваше сообщение успешно отправлено!

ЗакрытьПовторить попытку