Каталог запасных частей к технике: ЧТЗ Рабочее оборудование Б10М. Оборудование бульдозерное 10К

zoom-in zoom-out enlarge shrink circle-right circle-left file-text2 info cart arraw right arraw left zoom out zoom in arraw maximize arraw minimize
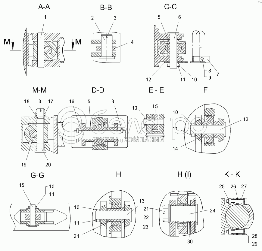
80-52-21СП
1
2
3
3
3
4
5
5
6
7
8
9
10
10
10
10
10
11
11
11
11
11
12
13
13
14
15
15
16
17
18
19
20
21
21
22
23
24
25
26
27
28
29
30
80-52-21СП
Оборудование бульдозерное 10К
В узле: 1
1
80-52-32
Палец
В узле: 2
2
80-52-30
Палец
В узле: 2
3
Шплинт8х80
Шплинт
В узле: 8
4
80-52-58
Серьга
В узле: 1
5
80-52-87-1
Втулка
В узле: 8
6
80-52-30-06
Палец
В узле: 2
7
80-52-193
Скоба
В узле: 2
8
БолтМ10-6gх30.58.019
Болт
В узле: 4
9
Шайба10ОТ65Г09
Шайба
В узле: 4
10
80-52-88
Палец
В узле: 9
11
Шплинт4х32
Шплинт
В узле: 9
12
80-52-183СП
Стопор
В узле: 2
13
80-52-30-05
Палец
В узле: 3
14
80-52-396
Втулка
В узле: 4
15
80-52-30-04
Палец
В узле: 4
16
80-52-41
Палец
В узле: 2
17
700-30-2352
Гайка
В узле: 2
18
700-31-2613
Шайба
В узле: 2
19
80-52-22
Крестовина
В узле: 2
20
80-52-31
Палец
В узле: 2
21
700-30-2195
Гайка
В узле: 1
22
700-31-2042
Шайба
В узле: 1
23
Шплинт6,3х63.019
Шплинт
В узле: 1
24
80-52-698
Палец
В узле: 1
25
30230
Гайка
В узле: 4
26
80-52-66
Прокладка
В узле: 4
27
80-52-83
Крышка
В узле: 2
28
700-28-2518
Болт
В узле: 4
29
Шайба3065Г09
Шайба
В узле: 4
30
80-52-699
Втулка
В узле: 2
Содержащиеся в справочниках-каталогах запасные части и детали не предлагаются к продаже, а носят исключительно информационный характер

Ваша заявка была отправлена. В ближайшее время наши специалисты с Вами свяжутся по указанному Вами телефону.

Представьтесь
Поле обязательно для заполнения
Ваш телефон
Введите правильный номер телефона
E-mail
Введите правильный e-mail
Тема
Тема
применяемость финансирование доставка цена, наличие другое сервис и гарантия
Время для звонка
08:00
08:00 09:00 10:00 11:00 12:00 13:00 14:00 15:00 16:00 17:00 18:00 19:00
19:00
08:00 09:00 10:00 11:00 12:00 13:00 14:00 15:00 16:00 17:00 18:00 19:00

Мы постараемся перезвонить в указанное время

Если вы не хотите ждать, то звоните нашим вежливым консультантам:

8 800 100-2-700
Подтвердите, что вы не робот
Подтвердите, что вы не робот
Спасибо!

Ваше сообщение успешно отправлено!

ЗакрытьПовторить попытку