Каталог запасных частей к технике: ЧТЗ Т-10.02. Электрооборудование кабины

zoom-in zoom-out enlarge shrink circle-right circle-left file-text2 info cart arraw right arraw left zoom out zoom in arraw maximize arraw minimize
2
3
3
3
3
3
4
4
4
4
5
6
6
7
7
8
9
11
11
12
13
14
15
16
17
18
20
21
22
23
23
24
25
26
27
28
29
30
31
32
33
33
34
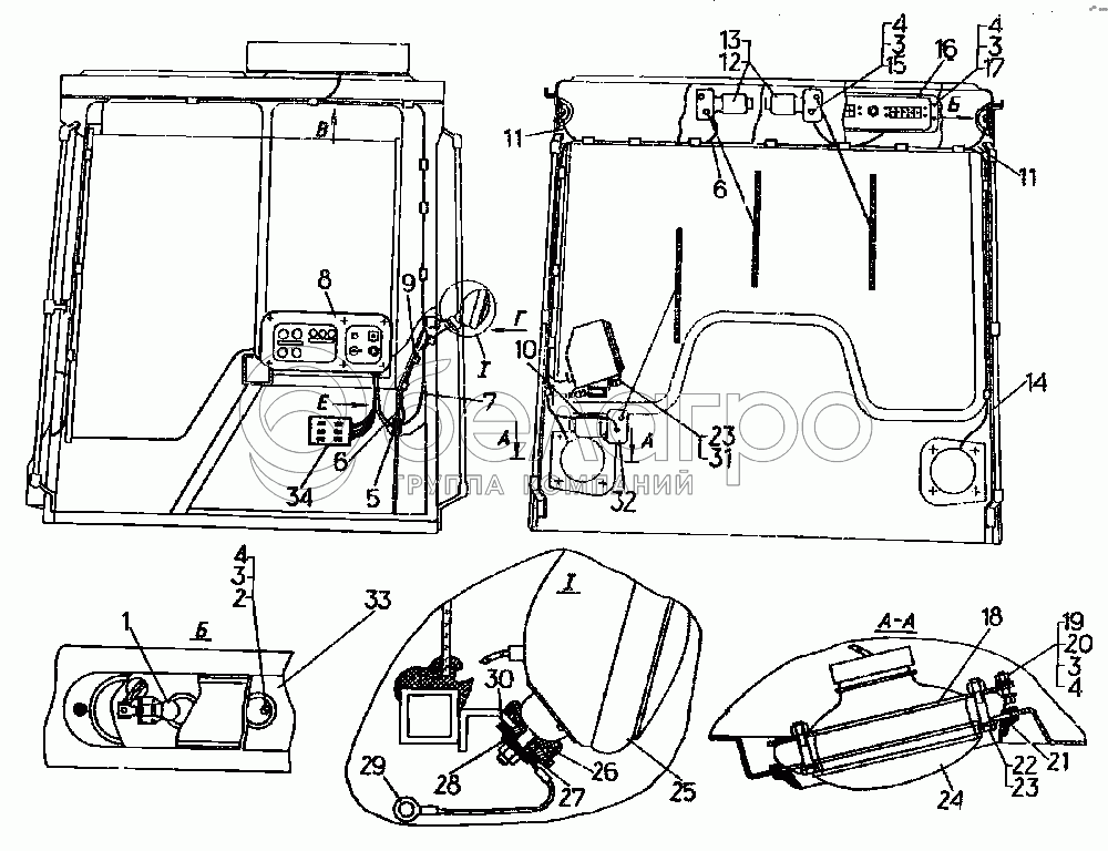
[Лампа накаливания А-24-21-2]
Лампа накаливания А-24-21-2
В узле: 4
64-10-115СП
Электрооборудование кабины для тракторов с ЭЭСП
В узле: 1
64-10-161СП
Блок пуска и контроля
В узле: 1
64-10-128СП
Жгут 02
В узле: 1
64-10-160СП
Электрооборудование кабины
В узле: 1
2
[Винт В.М6х18.58.019]
Винт В.М6х18.58.019
В узле: 4
3
[Болт М6х20.58.019]
Болт М6х20.58.019
В узле: 4
3
[Шайба 6Т 65Г 09]
Шайба 6Т 65Г 09
В узле: 23
4
31358-1
Шайба
В узле: 15
5
41879
Кольцо
В узле: 4
6
64-10-130СП
Жгут 03
В узле: 1
7
64-10-155СП
Провод 36
В узле: 1
7
64-10-155СП
Провод 36
В узле: 1
8
64-10-120СП
Блок пуска и контроля
В узле: 10
9
700-40-2654
Прокладка
В узле: 15
11
50-10-659СП
Жгут 04
В узле: 1
12
40.5205.800.000
Пантографное устройство стеклоочистителя
В узле: 3
13
60С2.3730А
Моторедуктор стеклоочистителя
В узле: 2
14
64-10-131СП
Жгут 04
В узле: 1
15
[Болт М6х35.58.019]
Болт М6х35.58.019
В узле: 3
16
50-10-845СП
Щиток управления
В узле: 1
17
[Винт В.М6х25.58.019]
Винт В.М6х25.58.019
В узле: 6
18
50-10-582СП
Кронштейн
В узле: 2
20
[Гайка М6.6.019]
Гайка М6.6.019
В узле: 4
21
700-40-4954
Проставка
В узле: 2
22
[Болт М8х35.58.019]
Болт М8х35.58.019
В узле: 8
23
[Шайба 8Т 65Г 09]
Шайба 8Т 65Г 09
В узле: 14
24
[Элемент оптический ФГ 318.3711.090]
Элемент оптический ФГ 318.3711.090
В узле: 2
25
[Фара ФГ 318.3711.000-19 ФГ 318.3711.000-21]
Фара ФГ 318.3711.000-19 ФГ 318.3711.000-21
В узле: 2
26
700-42-2345
Опора
В узле: 2
27
700-40-3667
Кольцо
В узле: 2
28
3135-1
Шайба
В узле: 2
29
24-10-298СП
Провод
В узле: 2
30
24-10-44
Шайба
В узле: 2
31
[Болт М8х20.58.019]
Болт М8х20.58.019
В узле: 9
32
6002.3730.02
Моторедуктор стеклоочистителя
В узле: 1
33
[Плафон ПК 200-А]
Плафон ПК 200-А
В узле: 2
33
[Плафон ПК200-АТ]
Плафон ПК200-АТ
В узле: 2
34
[Колодка штыревая 02-5,3-06]
Колодка штыревая 02-5,3-06
В узле: 1
Содержащиеся в справочниках-каталогах запасные части и детали не предлагаются к продаже, а носят исключительно информационный характер

Ваша заявка была отправлена. В ближайшее время наши специалисты с Вами свяжутся по указанному Вами телефону.

Представьтесь
Поле обязательно для заполнения
Ваш телефон
Введите правильный номер телефона
E-mail
Введите правильный e-mail
Тема
Тема
применяемость финансирование доставка цена, наличие другое сервис и гарантия
Время для звонка
08:00
08:00 09:00 10:00 11:00 12:00 13:00 14:00 15:00 16:00 17:00 18:00 19:00
19:00
08:00 09:00 10:00 11:00 12:00 13:00 14:00 15:00 16:00 17:00 18:00 19:00

Мы постараемся перезвонить в указанное время

Если вы не хотите ждать, то звоните нашим вежливым консультантам:

8 800 100-2-700
Подтвердите, что вы не робот
Подтвердите, что вы не робот
Спасибо!

Ваше сообщение успешно отправлено!

ЗакрытьПовторить попытку