Каталог запасных частей к технике: ЧТЗ Т-10.02. Электрооборудование пускового двигателя

zoom-in zoom-out enlarge shrink circle-right circle-left file-text2 info cart arraw right arraw left zoom out zoom in arraw maximize arraw minimize
1
2
3
4
5
5
6
6
7
8
9
10
10
10
11
11
12
12
13
14
15
16
17-10-10СП
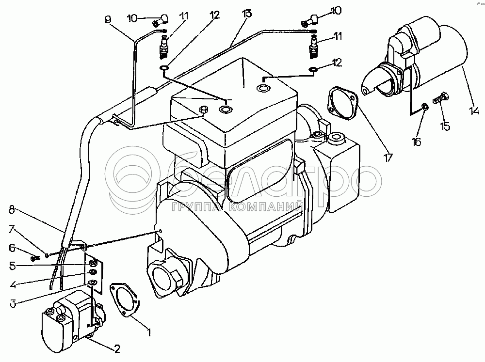
Установка электрооборудования
В узле: 1
М149А-3728 000-01
Магнето М149-А
В узле: ---
10777СП
Трубка
В узле: 1
1
М149А-3728 000-02
Магнето М149-А
В узле: 1
2
[Болт М8х16.58.019]
Болт М8х16.58.019
В узле: 1
3
[Шайба 8Т 65Г 09]
Шайба 8Т 65Г 09
В узле: 1
4
10494СП
Трубка
В узле: 1
5
10664-1СП
Провод
В узле: 1
5
10664СП
Провод
В узле: 1
6
10663-1СП
Провод
В узле: 1
6
10663СП
Провод
В узле: 1
7
17-10-9
Наконечник
В узле: 2
8
[Свеча зажигания М8Т1]
Свеча зажигания М8Т1
В узле: 2
9
700-40-2204
Прокладка
В узле: 1
10
[Стартер СТ230Е-3708 ООО-Э]
Стартер СТ230Е-3708 ООО-Э
В узле: 1
10
[Стартер СТ230Е-3708 ООО-Т]
Стартер СТ230Е-3708 ООО-Т
В узле: 1
11
[Болт М12х30.58.019]
Болт М12х30.58.019
В узле: 2
12
[Шайба 12 ОТ 65Г 09]
Шайба 12 ОТ 65Г 09
В узле: 2
13
46286
Прокладка
В узле: 1
14
31358-1
Шайба
В узле: 3
15
[Шайба 6Т 65Г 09]
Шайба 6Т 65Г 09
В узле: 3
16
[Гайка М6.6.019]
Гайка М6.6.019
В узле: 3
Содержащиеся в справочниках-каталогах запасные части и детали не предлагаются к продаже, а носят исключительно информационный характер

Ваша заявка была отправлена. В ближайшее время наши специалисты с Вами свяжутся по указанному Вами телефону.

Представьтесь
Поле обязательно для заполнения
Ваш телефон
Введите правильный номер телефона
E-mail
Введите правильный e-mail
Тема
Тема
применяемость финансирование доставка цена, наличие другое сервис и гарантия
Время для звонка
08:00
08:00 09:00 10:00 11:00 12:00 13:00 14:00 15:00 16:00 17:00 18:00 19:00
19:00
08:00 09:00 10:00 11:00 12:00 13:00 14:00 15:00 16:00 17:00 18:00 19:00

Мы постараемся перезвонить в указанное время

Если вы не хотите ждать, то звоните нашим вежливым консультантам:

8 800 100-2-700
Подтвердите, что вы не робот
Подтвердите, что вы не робот
Спасибо!

Ваше сообщение успешно отправлено!

ЗакрытьПовторить попытку