Каталог запасных частей к технике: ЧТЗ Т-10.02. Форсунки с трубками высокого давления

zoom-in zoom-out enlarge shrink circle-right circle-left file-text2 info cart arraw right arraw left zoom out zoom in arraw maximize arraw minimize
1
2
3
4
4
5
6
7
8
9
10
11
12
13
14
15
16
17
18
19
20
21
22
23
24
25
26
27
28
29
30
30
31
32
33
34
35
35
36
37
38
39
40
41
42
14-69-107-01СП
Распылитель
В узле: 4
14-69-4СП
Форсунки с трубками высокого давления
В узле: 1
14-69-116СП
Фильтр высокого давления
В узле: 4
14-69-114СП
Топливопроводы
В узле: 1
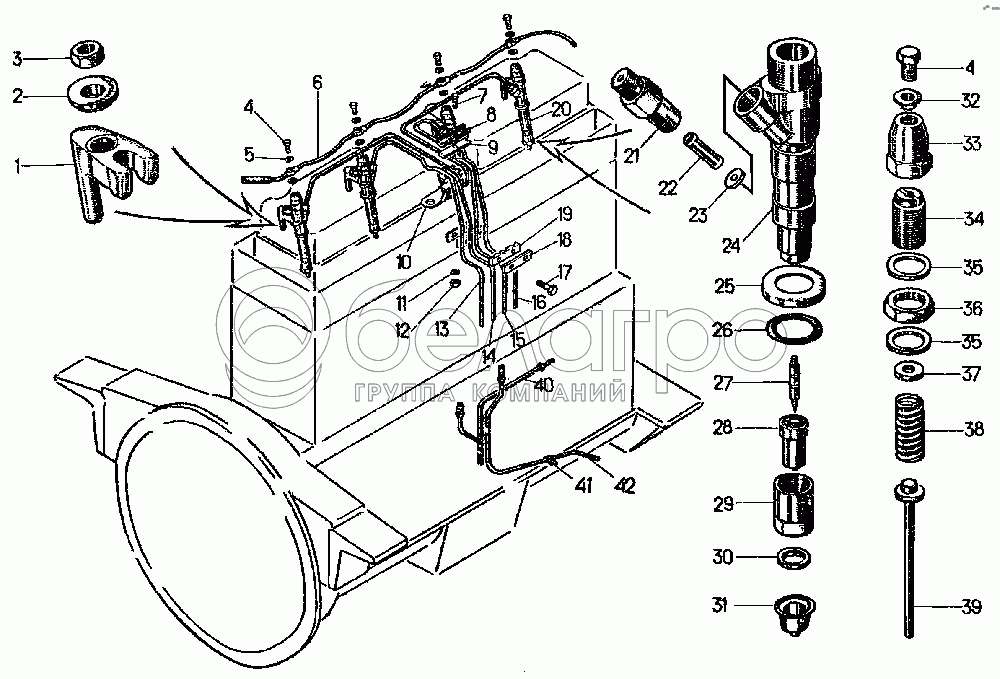
1
14-69-42
Рычаг
В узле: 4
2
14-69-4
Шайба
В узле: 4
3
3010
Гайка
В узле: 4
4
67143
Штуцер
В узле: 4
5
40938
Кольцо
В узле: 8
6
51-69-107СП
Трубка
В узле: 1
7
[Болт М10х25.58.019]
Болт М10х25.58.019
В узле: 1
8
67480
Колодка
В узле: 1
9
46808
Прокладка
В узле: 2
10
14-69-53
Кронштейн
В узле: 1
11
[Шайба 10 ОТ 65Г 09]
Шайба 10 ОТ 65Г 09
В узле: 3
12
[Гайка М10.6.019]
Гайка М10.6.019
В узле: 3
13
14-69-109СП
Топливопровод I цилиндра
В узле: 1
14
14-69-110СП
Топливопровод II цилиндра
В узле: 1
15
14-69-111СП
Топливопровод III цилиндра
В узле: 1
16
14-69-112СП
Топливопровод IV цилиндра
В узле: 1
17
[Болт М10х40.58.019]
Болт М10х40.58.019
В узле: 2
18
67287
Планка
В узле: 1
19
40939
Прокладка
В узле: 2
20
14-69-117-01СП
Форсунка
В узле: 4
21
14-69-39
Штуцер
В узле: 4
22
14-69-36
Элемент фильтрующий
В узле: 4
23
14-69-32
Кольцо
В узле: 1
24
14-69-44
Корпус форсунки
В узле: 4
25
14-69-37
Щиток
В узле: 4
26
700-40-2241
Кольцо
В узле: 1
27
14-69-22
Игла
В узле: 4
28
14-69-23
Корпус распылителя
В узле: 4
29
14-69-60
Гайка распылителя
В узле: 4
30
700-40-2010-01
Кольцо
В узле: ---
30
700-40-2010-02
Кольцо
В узле: ---
31
700-40-5109
Колпак
В узле: 1
32
700-40-5110
Пробка
В узле: 1
33
14-69-55
Колпак
В узле: 4
34
14-69-30
Винт
В узле: 1
35
40936
Кольцо
В узле: 2
36
700-30-2341
Контргайка
В узле: 1
37
14-69-40
Шайба
В узле: 4
38
700-38-2674
Пружина
В узле: 1
39
14-69-118СП
Штанга
В узле: 1
40
41676СП
Трубка
В узле: 1
41
41638
Хомутик
В узле: 2
42
41674СП
Трубка
В узле: 1
Содержащиеся в справочниках-каталогах запасные части и детали не предлагаются к продаже, а носят исключительно информационный характер

Ваша заявка была отправлена. В ближайшее время наши специалисты с Вами свяжутся по указанному Вами телефону.

Представьтесь
Поле обязательно для заполнения
Ваш телефон
Введите правильный номер телефона
E-mail
Введите правильный e-mail
Тема
Тема
применяемость финансирование доставка цена, наличие другое сервис и гарантия
Время для звонка
08:00
08:00 09:00 10:00 11:00 12:00 13:00 14:00 15:00 16:00 17:00 18:00 19:00
19:00
08:00 09:00 10:00 11:00 12:00 13:00 14:00 15:00 16:00 17:00 18:00 19:00

Мы постараемся перезвонить в указанное время

Если вы не хотите ждать, то звоните нашим вежливым консультантам:

8 800 100-2-700
Подтвердите, что вы не робот
Подтвердите, что вы не робот
Спасибо!

Ваше сообщение успешно отправлено!

ЗакрытьПовторить попытку