Каталог запасных частей к технике: ЧТЗ Т-10.02. Главная передача с бортовыми фрикционами

zoom-in zoom-out enlarge shrink circle-right circle-left file-text2 info cart arraw right arraw left zoom out zoom in arraw maximize arraw minimize
1
2
2
3
3
4
4
5
5
6
6
7
7
7
7
8
9
10
10
11
11
12
12
13
13
14
14
15
15
16
17
18
19
20
21
22
23
64-16-1СП
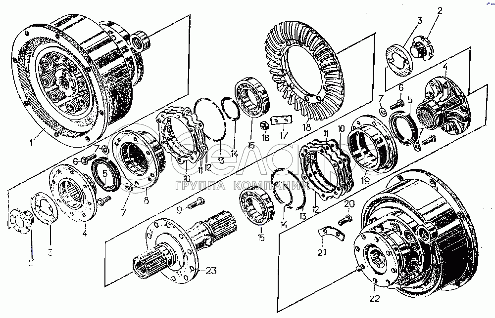
Главная передача с бортовыми фрикционами
В узле: 1
1
24-16-102СП
Фрикцион бортовой левый
В узле: 1
2
28-19-37-1
Пробка
В узле: 2
3
700-31-2474
Пластина
В узле: 2
4
50-16-14
Фланец
В узле: 2
5
[Манжета 2.1-100х125-4]
Манжета 2.1-100х125-4
В узле: 2
6
28556
Болт
В узле: 11
7
[Шайба 12 ОТ 65Г 09]
Шайба 12 ОТ 65Г 09
В узле: 11
8
28-16-4-1
Корпус подшипника
В узле: 1
9
16103
Болт
В узле: 10
10
28-16-107СП
Прокладка
В узле: 2
11
28-16-24
Прокладка
В узле: 8
12
28-16-25
Прокладка
В узле: 2
13
46905
Кольцо
В узле: 4
14
46587-1
Кольцо
В узле: 2
15
[Подшипник 7516А]
Подшипник 7516А
В узле: 2
16
30212
Гайка
В узле: 10
17
31396
Пластина
В узле: 5
18
64-16-1
Шестерня коническая
В узле: 1
19
28-16-3-1
Корпус подшипника
В узле: 1
20
700-28-2509
Болт
В узле: 16
21
31318
Пластина
В узле: 8
22
24-16-101СП
Фрикцион бортовой правый
В узле: 1
23
24-16-1
Вал
В узле: 1
Содержащиеся в справочниках-каталогах запасные части и детали не предлагаются к продаже, а носят исключительно информационный характер

Ваша заявка была отправлена. В ближайшее время наши специалисты с Вами свяжутся по указанному Вами телефону.

Представьтесь
Поле обязательно для заполнения
Ваш телефон
Введите правильный номер телефона
E-mail
Введите правильный e-mail
Тема
Тема
применяемость финансирование доставка цена, наличие другое сервис и гарантия
Время для звонка
08:00
08:00 09:00 10:00 11:00 12:00 13:00 14:00 15:00 16:00 17:00 18:00 19:00
19:00
08:00 09:00 10:00 11:00 12:00 13:00 14:00 15:00 16:00 17:00 18:00 19:00

Мы постараемся перезвонить в указанное время

Если вы не хотите ждать, то звоните нашим вежливым консультантам:

8 800 100-2-700
Подтвердите, что вы не робот
Подтвердите, что вы не робот
Спасибо!

Ваше сообщение успешно отправлено!

ЗакрытьПовторить попытку