Каталог запасных частей к технике: ЧТЗ Т-10.02. Картер

zoom-in zoom-out enlarge shrink circle-right circle-left file-text2 info cart arraw right arraw left zoom out zoom in arraw maximize arraw minimize
1
2
2
3
3
4
5
6
7
7
7
8
9
10
11
12
13
14
15
16
17
18
19
20
21
22
23
24
25
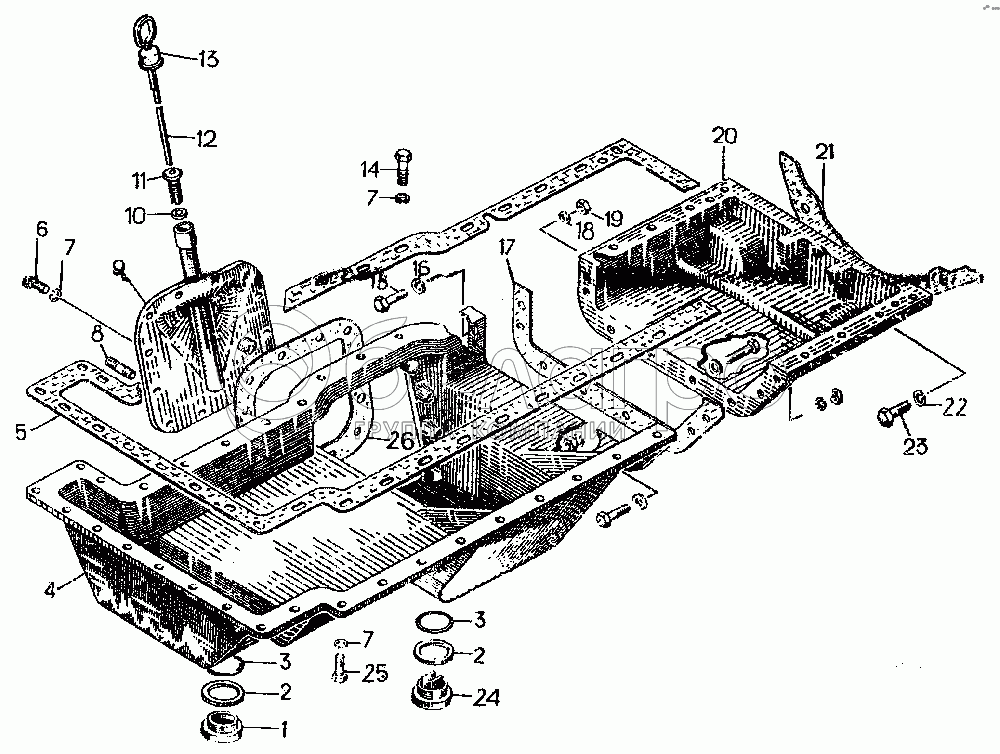
51-01-105СП
Картер
В узле: 1
51-01-147СП
Крышка
В узле: 1
51-01-122СП
Линейка
В узле: 1
51-01-123СП
Картер
В узле: 1
51-01-152СП
Картер
В узле: 1
16-01-128СП
Линейка масломерная
В узле: 1
67118
Пробка
В узле: ---
1
01484СП
Пробка
В узле: 1
2
40927СП
Кольцо
В узле: 2
3
46588
Кольцо
В узле: 2
4
51-01-120СП
Картер передний
В узле: 1
5
700-40-4947
Прокладка
В узле: 1
6
[Болт М10х25.58.019]
Болт М10х25.58.019
В узле: 12
7
[Шайба 10 ОТ 65Г 09]
Шайба 10 ОТ 65Г 09
В узле: 12
8
29327
Шпилька
В узле: 3
9
51-01-121СП
Крышка
В узле: 1
10
31534
Шайба
В узле: 1
11
700-40-6583
Уплотнитель
В узле: 1
12
51-01-35
Линейка
В узле: 1
13
51-01-34
Колпачок
В узле: 1
14
[Болт М10х35.58.019]
Болт М10х35.58.019
В узле: 4
15
[Болт М12-6gх50.58.019]
Болт М12-6gх50.58.019
В узле: 8
16
3135-1
Шайба
В узле: 8
17
700-40-3218
Прокладка
В узле: 1
18
[Шайба 12 ОТ 65Г 09]
Шайба 12 ОТ 65Г 09
В узле: 8
19
3011
Гайка
В узле: 8
20
51-01-36
Картер задний
В узле: 1
21
46906
Прокладка
В узле: 1
22
[Шайба 20 ОТ 65Г 08]
Шайба 20 ОТ 65Г 08
В узле: 4
23
[Болт М20х50.83.35.019]
Болт М20х50.83.35.019
В узле: 4
24
01483СП
Пробка
В узле: ---
25
[Болт М10х30.58.019]
Болт М10х30.58.019
В узле: 42
26
40848
Прокладка
В узле: 1
Содержащиеся в справочниках-каталогах запасные части и детали не предлагаются к продаже, а носят исключительно информационный характер

Ваша заявка была отправлена. В ближайшее время наши специалисты с Вами свяжутся по указанному Вами телефону.

Представьтесь
Поле обязательно для заполнения
Ваш телефон
Введите правильный номер телефона
E-mail
Введите правильный e-mail
Тема
Тема
применяемость финансирование доставка цена, наличие другое сервис и гарантия
Время для звонка
08:00
08:00 09:00 10:00 11:00 12:00 13:00 14:00 15:00 16:00 17:00 18:00 19:00
19:00
08:00 09:00 10:00 11:00 12:00 13:00 14:00 15:00 16:00 17:00 18:00 19:00

Мы постараемся перезвонить в указанное время

Если вы не хотите ждать, то звоните нашим вежливым консультантам:

8 800 100-2-700
Подтвердите, что вы не робот
Подтвердите, что вы не робот
Спасибо!

Ваше сообщение успешно отправлено!

ЗакрытьПовторить попытку