Каталог запасных частей к технике: ЧТЗ Т-10.02. Клапан

zoom-in zoom-out enlarge shrink circle-right circle-left file-text2 info cart arraw right arraw left zoom out zoom in arraw maximize arraw minimize
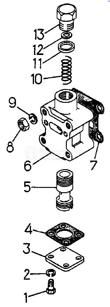
1
2
3
4
5
6
7
8
9
10
11
12
13
64-14-110СП
Клапан
В узле: 1
1
[Болт М8х20.58.019]
Болт М8х20.58.019
В узле: 4
2
[Шайба 8Т 65Г 09]
Шайба 8Т 65Г 09
В узле: 4
3
62-14-225
Крышка
В узле: 1
4
700-40-6738
Прокладка
В узле: 1
5
64-14-40
Золотник
В узле: 1
6
64-14-30
Корпус
В узле: 1
7
700-40-6737
Прокладка
В узле: 1
8
[Гайка М12.6.019]
Гайка М12.6.019
В узле: 4
9
[Шайба 12 ОТ 65Г 09]
Шайба 12 ОТ 65Г 09
В узле: 4
10
700-38-2687
Пружина
В узле: 1
11
[Кольцо 36х42]
Кольцо 36х42
В узле: 1
12
31327
Шайба
В узле: 6
13
64-14-39
Корпус
В узле: 1
Содержащиеся в справочниках-каталогах запасные части и детали не предлагаются к продаже, а носят исключительно информационный характер

Ваша заявка была отправлена. В ближайшее время наши специалисты с Вами свяжутся по указанному Вами телефону.

Представьтесь
Поле обязательно для заполнения
Ваш телефон
Введите правильный номер телефона
E-mail
Введите правильный e-mail
Тема
Тема
применяемость финансирование доставка цена, наличие другое сервис и гарантия
Время для звонка
08:00
08:00 09:00 10:00 11:00 12:00 13:00 14:00 15:00 16:00 17:00 18:00 19:00
19:00
08:00 09:00 10:00 11:00 12:00 13:00 14:00 15:00 16:00 17:00 18:00 19:00

Мы постараемся перезвонить в указанное время

Если вы не хотите ждать, то звоните нашим вежливым консультантам:

8 800 100-2-700
Подтвердите, что вы не робот
Подтвердите, что вы не робот
Спасибо!

Ваше сообщение успешно отправлено!

ЗакрытьПовторить попытку