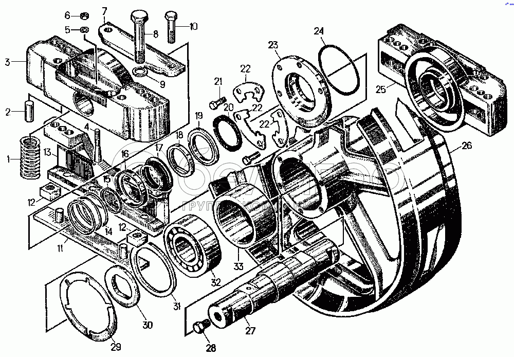
Каталог запасных частей к технике: ЧТЗ Т-10.02. Колеса натяжные

zoom-in zoom-out enlarge shrink circle-right circle-left file-text2 info cart arraw right arraw left zoom out zoom in arraw maximize arraw minimize
1
2
3
4
5
6
7
8
9
10
11
12
12
13
14
15
16
17
18
19
20
21
22
22
22
23
24
25
26
27
28
29
30
31
32
33
24-21-146СП
Колесо натяжное правое
В узле: 1
24-21-148СП
Опора правая
В узле: 1
24-21-149СП
Опора левая
В узле: 1
50-21-138СП
Колесо натяжное левое
В узле: 1
1
38441
Пружина
В узле: 2
2
50-21-145
Штифт
В узле: 4
3
24-21-124
Опора правая
В узле: 2
4
18-21-45
Стопор
В узле: 2
5
[Шайба 12 ОТ 65Г 09]
Шайба 12 ОТ 65Г 09
В узле: 2
6
3010
Гайка
В узле: 2
7
18-21-40
Крышка
В узле: 2
8
[Болт М24х2х160.109.40Х.019]
Болт М24х2х160.109.40Х.019
В узле: 8
9
[Шайба 24Т 65Г 09]
Шайба 24Т 65Г 09
В узле: 8
10
[Болт М16х1,5х70.58.019]
Болт М16х1,5х70.58.019
В узле: 4
11
50-21-123СП
Плита
В узле: 2
12
700-51-2080
Бонка
В узле: 8
13
24-21-119СП
Упор
В узле: 2
14
700-38-2568
Пружина
В узле: 2
15
700-58-2369
Кольцо
В узле: 2
16
24-21-130
Обойма
В узле: 2
17
700-40-5432
Манжета
В узле: 2
18
24-21-126
Кольцо
В узле: 2
19
24-21-127
Кольцо
В узле: 2
20
700-40-5019
Прокладка
В узле: 2
21
2816
Болт
В узле: 12
22
700-31-2371
Шайба
В узле: 6
23
24-21-147СП
Шайба
В узле: 2
24
[Кольцо 140-150-58-2-2]
Кольцо 140-150-58-2-2
В узле: 2
25
24-21-125
Опора левая
В узле: 2
26
50-21-212
Колесо натяжное
В узле: 1
27
24-21-123
Ось
В узле: 1
28
700-37-2240
Пробка
В узле: 1
29
24-21-44-01
Прокладка
В узле: 12
30
24-21-129
Шайба
В узле: 2
31
700-58-2500
Кольцо
В узле: 2
32
[Подшипник 2614КМУ]
Подшипник 2614КМУ
В узле: 2
33
24-21-42
Втулка
В узле: 1
Содержащиеся в справочниках-каталогах запасные части и детали не предлагаются к продаже, а носят исключительно информационный характер

Ваша заявка была отправлена. В ближайшее время наши специалисты с Вами свяжутся по указанному Вами телефону.

Представьтесь
Поле обязательно для заполнения
Ваш телефон
Введите правильный номер телефона
E-mail
Введите правильный e-mail
Тема
Тема
применяемость финансирование доставка цена, наличие другое сервис и гарантия
Время для звонка
08:00
08:00 09:00 10:00 11:00 12:00 13:00 14:00 15:00 16:00 17:00 18:00 19:00
19:00
08:00 09:00 10:00 11:00 12:00 13:00 14:00 15:00 16:00 17:00 18:00 19:00

Мы постараемся перезвонить в указанное время

Если вы не хотите ждать, то звоните нашим вежливым консультантам:

8 800 100-2-700
Подтвердите, что вы не робот
Подтвердите, что вы не робот
Спасибо!

Ваше сообщение успешно отправлено!

ЗакрытьПовторить попытку