Каталог запасных частей к технике: ЧТЗ Т-10.02. Магнето

zoom-in zoom-out enlarge shrink circle-right circle-left file-text2 info cart arraw right arraw left zoom out zoom in arraw maximize arraw minimize
1
2
2
3
3
4
4
5
5
6
7
7
8
8
9
9
9
10
11
12
12
13
13
14
14
15
16
17
17
18
18
18
19
19
20
20
21
22
23
24
25
26
26
27
28
29
30
30
31
32
32
33
34
35
35
36
36
37
37
39
40
40
41
41
42
42
43
44
44
45
46
46
47
48
48
49
50
51
51
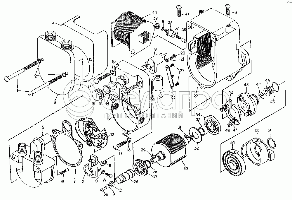
М149А-3728 000-01
Магнето М149-А
В узле: 1
Х3-108-56
Шайба регулировочная толщиной 0,3
В узле: 1
Х3-108-57
Шайба регулировочная толщиной 0,2
В узле: 1
Х3-108-58
Шайба регулировочная толщиной 0,15
В узле: 1
Х3-108-59
Шайба регулировочная толщиной 0,1
В узле: 1
М149-3728 200-01
Ротор в сборе
В узле: 1
МС149-3728 000-01
Пусковой ускоритель
В узле: 1
М21-3728 130
Клемма выключения
В узле: 1
М12-3728 130-01
Клемма выключения
В узле: 1
М149А-3728 000-02
Магнето М149-А
В узле: 1
МП 49-3728 200
Ротор в сборе
В узле: 1
МС149-3728 000
Пусковой ускоритель
В узле: 1
1
НО-0426
Винт
В узле: 2
2
Б21-3705 009
Шайба пружинная
В узле: 2
2
Б21-3705 009-01
Шайба пружинная
В узле: 2
3
М68-3728 850-01
Крышка экрана в сборе
В узле: 1
3
М68-3728 850-02
Крышка экрана в сборе
В узле: 1
4
М68-3728 002
Корпус экрана
В узле: 1
5
М68Б-3728 600
Крышка распределителя в сборе
В узле: 1
5
М63Б-3728 600-01
Крышка распределителя в сборе
В узле: 1
6
М11-5194
Контакт с пружиной
В узле: ---
7
М46Б-3728 604
Прокладка
В узле: 1
7
М46Б-3728 604-01
Прокладка
В узле: 1
8
М47Б1-3728 700
Бегунок
В узле: 1
8
М47Б1-3728 700-01
Бегунок
В узле: 1
9
Х-1012-01
Шайба
В узле: ---
9
Х-1012
Шайба
В узле: ---
10
НО-0604
Винт
В узле: 1
11
М48Б1-3728 703
Гайка специальная
В узле: 1
12
М149-3728 500-02
Пластина прерывателя магнето
В узле: 1
12
М149-3728 500-01
Пластина прерывателя магнето
В узле: 1
13
М149-3728 300-02
Крышка в сборе
В узле: 1
13
М149-3728 300-01
Крышка в сборе
В узле: 1
14
ЕСЭ-10-2774-01
Шайба резиновая
В узле: 1
14
ЕСЭ-10-2774
Шайба резиновая
В узле: 1
15
М149-3728 014
Заглушка
В узле: 1
16
М42-3728 042-01
Гайка зажимная
В узле: 1
17
М42-3728 009
Винт
В узле: 1
18
Х-4001
Шайба пружинная
В узле: 3
18
Х-4001-01
Шайба пружинная
В узле: 3
19
М149-3728 310
Вывод в сборе
В узле: 1
19
М148-3728 310-01
Вывод в сборе
В узле: 1
20
ДС1-3701 107
Винт
В узле: 1
21
М11-41079
Шайба пружинная
В узле: 1
22
7Х-1S54
Винт
В узле: 2
23
М1493728 303-12
Держатель конденсатора
В узле: 1
24
[Конденсатор К-42-18-8-0, 2мкФ]
Конденсатор К-42-18-8-0, 2мкФ
В узле: 1
25
М48Б1-3728 003-11
Шайба
В узле: 1
26
М47Б1-3728 005
Кулачок
В узле: 1
26
М47Б1-3728 005-01
Кулачок
В узле: 1
27
[Подшипник 6012]
Подшипник 6012
В узле: 1
28
Х3-108-55
Шайба регулировочная толщиной 0,5
В узле: 1
29
М11-40063
Шпонка
В узле: 1
30
М149-3728 210
Ротор
В узле: 1
30
М149-3728 210-01
Ротор
В узле: 1
31
М11-4114
Шпонка
В узле: 1
32
М42-3728 203-01
Шайба маслоотражательная
В узле: 1
32
М42-3728 203
Шайба маслоотражательная
В узле: 1
33
М42-3728 206
Втулка
В узле: 1
34
[Подшипник 6015]
Подшипник 6015
В узле: 1
35
М149-3728 100-02
Корпус в сборе
В узле: 1
35
М149-3728 100-01
Корпус в сборе
В узле: 1
36
М42-3728 016
Контакт
В узле: 1
36
М42-3728 016-01
Контакт
В узле: 1
37
М11-1575-01
Пружина
В узле: 1
37
М11-1575
Пружина
В узле: 1
39
М8Т-3707 012
Гайка
В узле: 1
40
М149-3728 400-01
Трансформатор в сборе
В узле: 1
40
М149-3728 400
Трансформатор в сборе
В узле: 1
41
М42-3728 002
Винт специальный
В узле: 2
42
МС9А-3728 001-01
Защелка
В узле: 2
42
МС9А-3728 001
Защелка
В узле: 2
43
МС149-3728 110
Втулка
В узле: 1
44
Х-4069
Шайба
В узле: 1
44
Х-4069-01
Шайба
В узле: 1
45
МС22-3728 005
Гайка
В узле: 1
46
МС22-3728 006-0
Замок
В узле: 1
46
МС22-3728 006
Замок
В узле: 1
47
ПУ-9353-12
Шайба регулировочная
В узле: 2
48
ПУ-10-3214
Замок
В узле: 2
48
ПУ-10-3214-01
Замок
В узле: 2
49
МС9-3728 002
Пружина
В узле: 1
50
МС149-3728 101-01
Корпус
В узле: 1
51
МС22-3728 007-01
Замок
В узле: 1
51
МС22-3728 007
Замок
В узле: 1
Содержащиеся в справочниках-каталогах запасные части и детали не предлагаются к продаже, а носят исключительно информационный характер

Ваша заявка была отправлена. В ближайшее время наши специалисты с Вами свяжутся по указанному Вами телефону.

Представьтесь
Поле обязательно для заполнения
Ваш телефон
Введите правильный номер телефона
E-mail
Введите правильный e-mail
Тема
Тема
применяемость финансирование доставка цена, наличие другое сервис и гарантия
Время для звонка
08:00
08:00 09:00 10:00 11:00 12:00 13:00 14:00 15:00 16:00 17:00 18:00 19:00
19:00
08:00 09:00 10:00 11:00 12:00 13:00 14:00 15:00 16:00 17:00 18:00 19:00

Мы постараемся перезвонить в указанное время

Если вы не хотите ждать, то звоните нашим вежливым консультантам:

8 800 100-2-700
Подтвердите, что вы не робот
Подтвердите, что вы не робот
Спасибо!

Ваше сообщение успешно отправлено!

ЗакрытьПовторить попытку