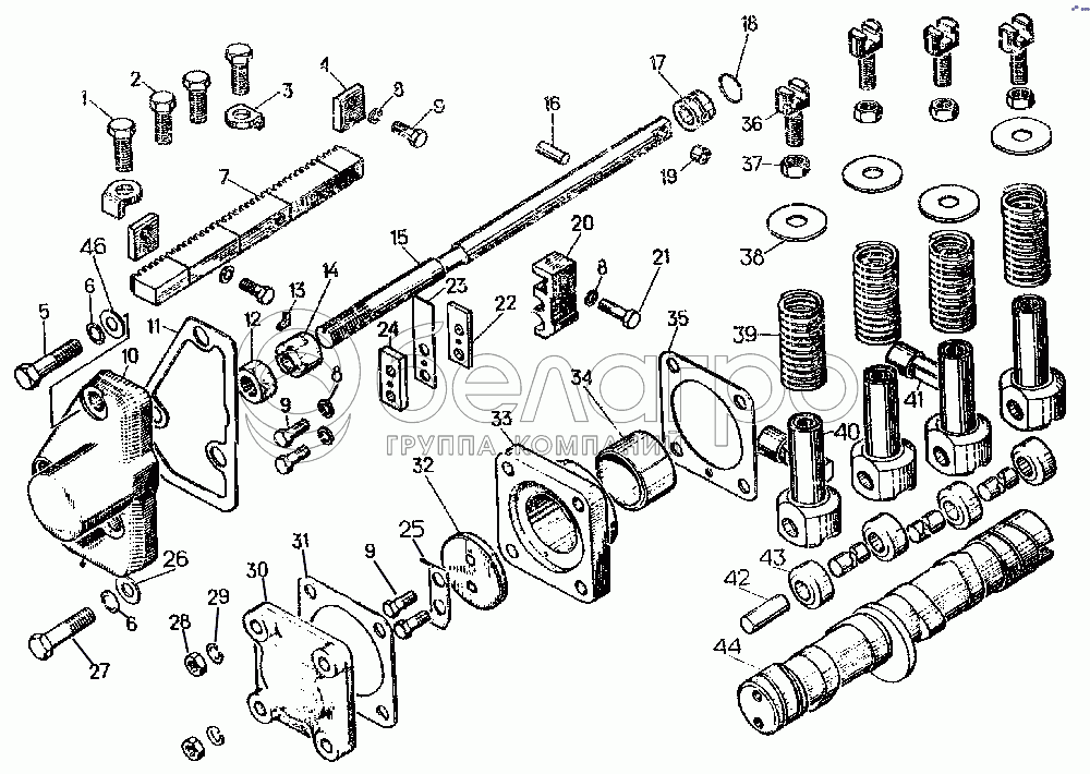
Каталог запасных частей к технике: ЧТЗ Т-10.02. Механизм привода плунжеров

zoom-in zoom-out enlarge shrink circle-right circle-left file-text2 info cart arraw right arraw left zoom out zoom in arraw maximize arraw minimize
1
2
3
4
5
6
6
7
8
8
8
9
9
9
10
11
12
13
14
15
16
17
18
19
20
21
22
23
24
25
26
27
28
29
30
31
32
33
34
35
36
37
38
39
40
41
42
43
44
16-67-118СП
Тяга рейки
В узле: 1
67225СП
Толкатель
В узле: 4
16-67-118СП
Тяга рейки
В узле: 1
1
[Болт М10х25.58.019]
Болт М10х25.58.019
В узле: 8
2
28475
Болт
В узле: 2
3
67224-1
Угольник
В узле: 10
4
67237
Пластина
В узле: 2
5
[Болт М10х40.5В.019]
Болт М10х40.5В.019
В узле: 1
6
[Шайба 10 ОТ 65Г 09]
Шайба 10 ОТ 65Г 09
В узле: 10
7
67234
Рейка
В узле: 1
8
[Шайба 6Т 65Г 09]
Шайба 6Т 65Г 09
В узле: 5
9
[Болт М6х16.53.019]
Болт М6х16.53.019
В узле: 6
10
14-67-2-2
Крышка
В узле: 1
11
40741
Прокладка
В узле: 1
12
30202
Гайка
В узле: 1
13
67127
Угольник
В узле: 1
14
67255
Муфта
В узле: 1
15
16-67-16
Тяга рейки
В узле: 1
16
700-32-2194
Штифт
В узле: 1
17
67315
Кольцо
В узле: 1
18
700-58-2512
Кольцо
В узле: 1
19
67252-1
Втулка
В узле: 1
20
67235
Поводок
В узле: 1
21
67236
Болт
В узле: 1
22
51-67-12
Подкладка
В узле: 1
23
67239
Пружина корректора
В узле: 1
24
51-67-82
Накладка
В узле: 1
25
3185
Пластина
В узле: 1
26
31437
Шайба
В узле: 3
27
28474
Болт
В узле: 2
28
[Гайка М8х1-6.019]
Гайка М8х1-6.019
В узле: 4
29
[Шайба 8Т 65Г 09]
Шайба 8Т 65Г 09
В узле: 10
30
67243
Крышка
В узле: 1
31
40742
Прокладка
В узле: 1
32
67233
Шайба
В узле: 1
33
67207
Корпус
В узле: 1
34
67208
Втулка
В узле: 1
35
4С743
Прокладка
В узле: 1
36
67230
Хвостовик
В узле: 4
37
3083
Гайка
В узле: 4
38
3197
Шайба
В узле: 4
39
38305
Пружина толкателя
В узле: 4
40
67226
Толкатель
В узле: 4
41
6722S
Палец
В узле: 2
42
67228
Ось ролика
В узле: 4
43
67227
Ролик
В узле: 4
44
51-67-23
Вал кулачковый
В узле: 1
Содержащиеся в справочниках-каталогах запасные части и детали не предлагаются к продаже, а носят исключительно информационный характер

Ваша заявка была отправлена. В ближайшее время наши специалисты с Вами свяжутся по указанному Вами телефону.

Представьтесь
Поле обязательно для заполнения
Ваш телефон
Введите правильный номер телефона
E-mail
Введите правильный e-mail
Тема
Тема
применяемость финансирование доставка цена, наличие другое сервис и гарантия
Время для звонка
08:00
08:00 09:00 10:00 11:00 12:00 13:00 14:00 15:00 16:00 17:00 18:00 19:00
19:00
08:00 09:00 10:00 11:00 12:00 13:00 14:00 15:00 16:00 17:00 18:00 19:00

Мы постараемся перезвонить в указанное время

Если вы не хотите ждать, то звоните нашим вежливым консультантам:

8 800 100-2-700
Подтвердите, что вы не робот
Подтвердите, что вы не робот
Спасибо!

Ваше сообщение успешно отправлено!

ЗакрытьПовторить попытку