Каталог запасных частей к технике: ЧТЗ Т-10.02. Сервомеханизм

zoom-in zoom-out enlarge shrink circle-right circle-left file-text2 info cart arraw right arraw left zoom out zoom in arraw maximize arraw minimize
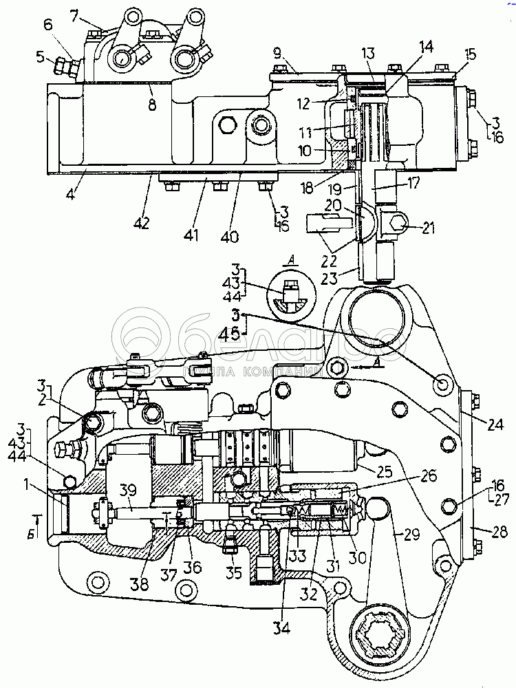
1
2
3
3
3
3
3
3
4
5
6
7
8
9
10
11
12
13
14
15
16
16
16
17
18
19
20
21
22
23
24
25
26
27
28
29
30
31
32
33
34
35
36
37
38
39
40
41
42
43
43
44
44
45
64-17-2СП
Сервомеханизм
В узле: 1
21-17-106СП
Золотник
В узле: 2
17309СП
Муфта
В узле: 2
1
18-17-9
Заглушка
В узле: 2
2
[Болт М10х75.58.019]
Болт М10х75.58.019
В узле: 4
3
[Шайба 10 ОТ 65Г 09]
Шайба 10 ОТ 65Г 09
В узле: 26
4
50-17-104СП
Корпус
В узле: 1
5
700-28-2520
Болт
В узле: 2
6
[Гайка М12.6.019]
Гайка М12.6.019
В узле: 2
7
64-17-107СП
Корпус
В узле: 1
8
700-40-7141
Прокладка
В узле: 1
9
21-17-27-1
Крышка
В узле: 1
10
21-17-22
Втулка
В узле: 4
11
17310
Муфта
В узле: 1
12
[Кольцо 042-050-46-2-2]
Кольцо 042-050-46-2-2
В узле: 4
13
17311
Заглушка
В узле: 2
14
0295
Заглушка
В узле: 1
15
700-40-5959
Прокладка
В узле: 1
16
[Болт М10х30.58.019]
Болт М10х30.58.019
В узле: 21
17
50-17-25
Валик
В узле: 2
18
700-40-4532
Кольцо-прокладка
В узле: 2
19
50-11-37
Втулка
В узле: 2
20
700-34-2029
Шпонка
В узле: 2
21
2826
Болт
В узле: 2
22
50-17-24
Рычаг
В узле: 2
23
50-11-36
Втулка
В узле: 2
24
40714-1
Прокладка
В узле: 1
25
21-17-21
Поршень
В узле: 2
26
17303-1
Гильза
В узле: 2
27
40912
Кольцо
В узле: 2
28
50-17-5
Крышка
В узле: 1
29
17482
Рычаг
В узле: 2
30
700-38-2319
Пружина
В узле: 2
31
21-17-36
Золотник
В узле: 1
32
700-32-2106
Штифт
В узле: 1
33
38301
Пружина
В узле: 1
34
[Шарик Б 10-200]
Шарик Б 10-200
В узле: 1
35
371
Пробка
В узле: 2
36
17329
Кольцо
В узле: 2
37
[Манжета 3-25х13-6]
Манжета 3-25х13-6
В узле: 2
38
21-17-44
Втулка
В узле: 2
39
64-17-5
Ось
В узле: 2
40
700-40-7187
Прокладка
В узле: 1
41
50-17-11
Крышка
В узле: 1
42
40736
Прокладка
В узле: 1
43
50-70-2
Втулка
В узле: 3
44
[Болт М10-6gх120.58.019]
Болт М10-6gх120.58.019
В узле: 3
45
[Болт М10-6gх130.58.019]
Болт М10-6gх130.58.019
В узле: 2
Содержащиеся в справочниках-каталогах запасные части и детали не предлагаются к продаже, а носят исключительно информационный характер

Ваша заявка была отправлена. В ближайшее время наши специалисты с Вами свяжутся по указанному Вами телефону.

Представьтесь
Поле обязательно для заполнения
Ваш телефон
Введите правильный номер телефона
E-mail
Введите правильный e-mail
Тема
Тема
применяемость финансирование доставка цена, наличие другое сервис и гарантия
Время для звонка
08:00
08:00 09:00 10:00 11:00 12:00 13:00 14:00 15:00 16:00 17:00 18:00 19:00
19:00
08:00 09:00 10:00 11:00 12:00 13:00 14:00 15:00 16:00 17:00 18:00 19:00

Мы постараемся перезвонить в указанное время

Если вы не хотите ждать, то звоните нашим вежливым консультантам:

8 800 100-2-700
Подтвердите, что вы не робот
Подтвердите, что вы не робот
Спасибо!

Ваше сообщение успешно отправлено!

ЗакрытьПовторить попытку