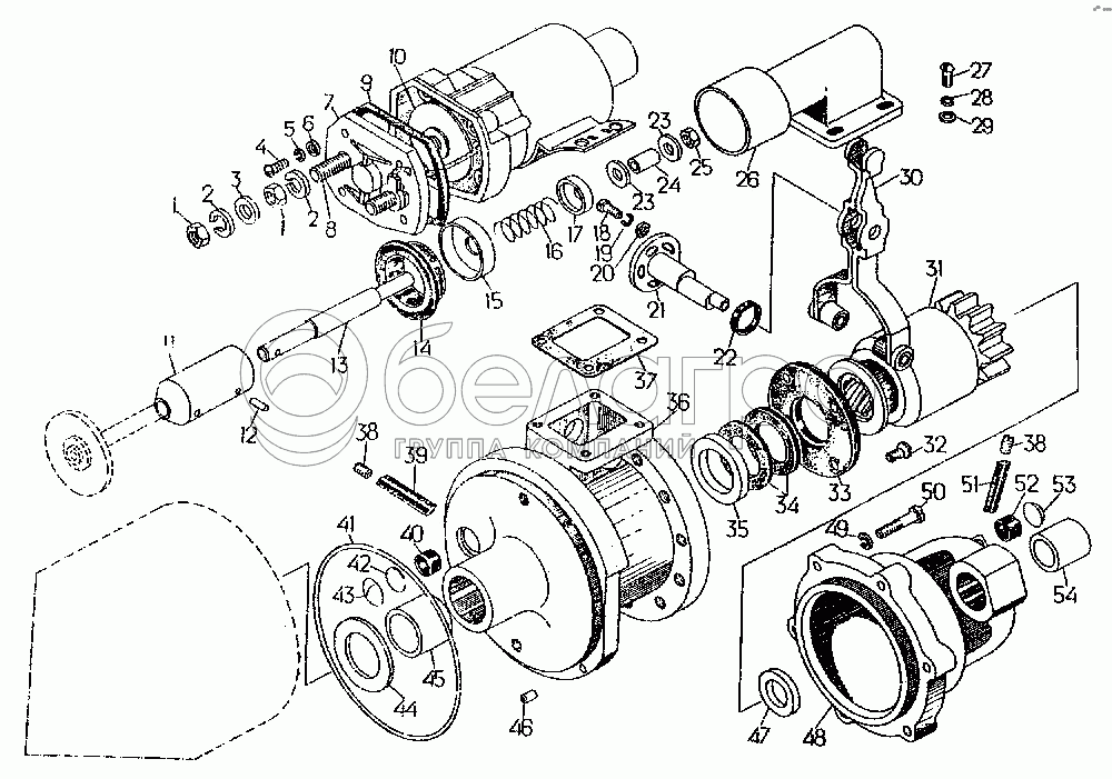
Каталог запасных частей к технике: ЧТЗ Т-10.02. Стартер (для пуска дизеля) продолжение

zoom-in zoom-out enlarge shrink circle-right circle-left file-text2 info cart arraw right arraw left zoom out zoom in arraw maximize arraw minimize
1
1
2
2
3
4
5
6
8
9
10
11
12
13
14
15
16
17
18
19
20
20
21
22
23
23
24
25
26
27
28
29
30
31
32
33
34
35
36
37
38
38
39
40
41
42
43
44
45
46
47
48
49
50
51
52
53
54
25 3708 410
Крышка привода
В узле: 1
25 3703 420
Крышка привода
В узле: 1
РС25-3708 080
Крышка
В узле: 1
25 3708 850
Якорь
В узле: 1
25 3703 510
Корпус провода
В узле: 1
25 3708 400
Якорь с приводом и крышкой привода
В узле: 1
25 3708 500
Корпус привода
В узле: 1
1
Х2-9302
Гайка М12х1.25-6Н.6.016
В узле: 2
2
7Х-423S
Шайба 12Л 65Г 05
В узле: 3
3
МХ-0825
Шайба
В узле: 2
4
МХ-1020
Винт В.М5-6gх22
В узле: 4
5
Х-4001
Шайба пружинная
В узле: 5
6
8Х-1497
Шайба 5.01.016
В узле: 4
8
РС25-3708 011
Болт контактный
В узле: 2
9
РС25-3708 006-Б
Прокладка
В узле: 1
10
РС25-3708 030
Диск контактный
В узле: 1
11
25 3708 851
Якорь
В узле: 1
12
МХ-0317
Штифт
В узле: 2
13
25 3708 852
Тяга
В узле: 1
14
25 3708 803
Прокладка
В узле: 1
15
25 3708 805
Чашка
В узле: 1
16
16 3708 811
Пружина
В узле: 1
17
25 3708 804
Чашка
В узле: 1
18
[Винт В.М6-6gх16]
Винт В.М6-6gх16
В узле: 2
19
Х-1482
Шайба 6Т 65Г 09
В узле: 2
20
МХ-0276
Шайба 6.01.016
В узле: ---
20
[Шайба 6.02.3кп.016]
Шайба 6.02.3кп.016
В узле: ---
21
СТ142-3708 070
Ось рычага
В узле: 1
22
16 3708 406
Кольцо
В узле: 1
23
25 3708 805
Чашка
В узле: 2
24
25 3708 801
Втулка
В узле: 1
25
[Гайка М8.6Н.6.016]
Гайка М8.6Н.6.016
В узле: 1
26
25 3708 001
Кожух
В узле: 1
27
МХ-0905
Винт В.М5-6gх18
В узле: 4
28
Х-4001
Шайба пружинная
В узле: 5
29
8Х-1497
Шайба 5.01.016
В узле: 4
30
25 3708 450
Рычаг
В узле: 1
31
25 3708 600
Привод стартера
В узле: 1
32
25 3708 502
Винт В.М6-6gх12.58.019
В узле: 4
33
25 3708 501
Шайба
В узле: 1
34
25 3708 503
Шайба
В узле: 2
35
М67.26.15.030
Сальник
В узле: 1
36
25 3708 511
Корпус привода
В узле: 1
37
25 3708 002
Прокладка
В узле: 1
38
СТ103А-3708 043
Пробка
В узле: 1
39
СТ25 3708 206
Фильц
В узле: 1
40
25 3708 317
Фильц
В узле: 4
41
СТ103А 3708 046
Кольцо уплотнительное
В узле: 1
42
25 3708 314
Прокладка
В узле: 1
43
25 3708 319
Заглушка
В узле: 1
44
МХ-1087
Шайба
В узле: 1
45
25 3708 512
Вкладыш
В узле: 2
46
МХ-1191
Штифт
В узле: 1
47
25 3708 403
Шайба упорная
В узле: 1
48
25 3708 421
Крышка привода
В узле: 1
49
Х-4069
Шайба
В узле: 6
50
МХ-0564
Винт
В узле: 6
51
25 3708 411
Фильц
В узле: 1
52
25 3708 412
Фильц
В узле: 2
53
25 3708 413
Заглушка
В узле: 1
54
25 3708 402-01
Вкладыш подшипника
В узле: 1
Содержащиеся в справочниках-каталогах запасные части и детали не предлагаются к продаже, а носят исключительно информационный характер

Ваша заявка была отправлена. В ближайшее время наши специалисты с Вами свяжутся по указанному Вами телефону.

Представьтесь
Поле обязательно для заполнения
Ваш телефон
Введите правильный номер телефона
E-mail
Введите правильный e-mail
Тема
Тема
применяемость финансирование доставка цена, наличие другое сервис и гарантия
Время для звонка
08:00
08:00 09:00 10:00 11:00 12:00 13:00 14:00 15:00 16:00 17:00 18:00 19:00
19:00
08:00 09:00 10:00 11:00 12:00 13:00 14:00 15:00 16:00 17:00 18:00 19:00

Мы постараемся перезвонить в указанное время

Если вы не хотите ждать, то звоните нашим вежливым консультантам:

8 800 100-2-700
Подтвердите, что вы не робот
Подтвердите, что вы не робот
Спасибо!

Ваше сообщение успешно отправлено!

ЗакрытьПовторить попытку