Каталог запасных частей к технике: ЧТЗ Т-10.02. Управление дизелем

zoom-in zoom-out enlarge shrink circle-right circle-left file-text2 info cart arraw right arraw left zoom out zoom in arraw maximize arraw minimize
1
2
2
3
4
5
6
6
6
6
6
7
7
7
8
8
9
9
10
11
12
13
14
15
16
17
18
19
20
21
22
23
24
25
26
27
28
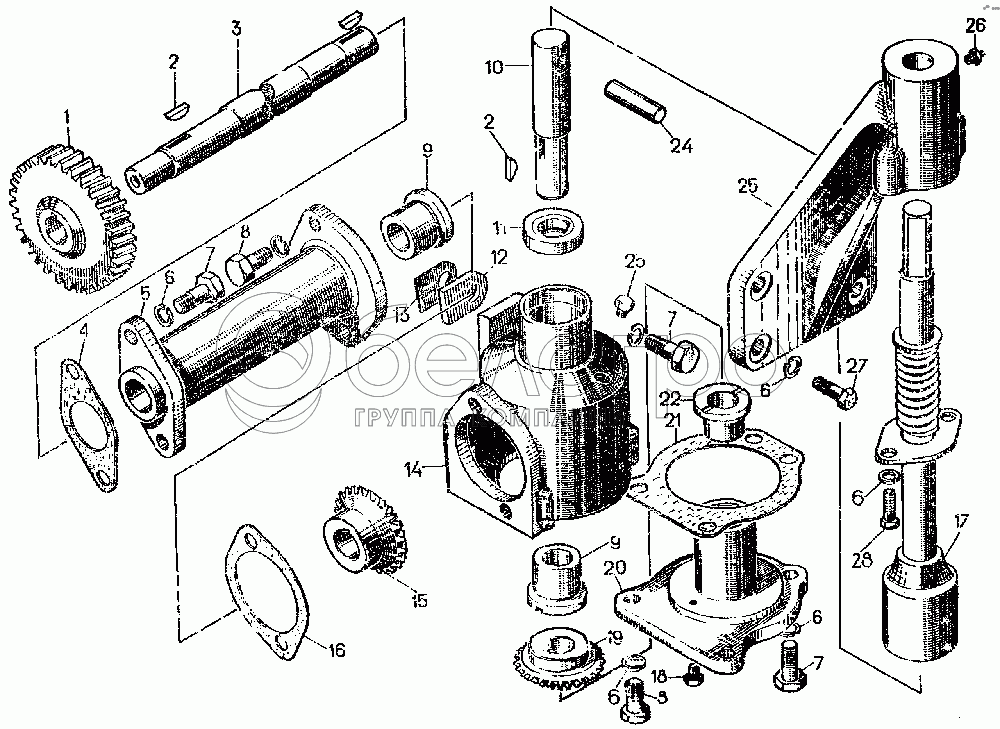
16-74-1СП
Устройство ручного запуска
В узле: 1
17-74-8СП
Механизм проворачивания вала пускового двигателя
В узле: 1
17-74-197СП
Корпус
В узле: 1
17-74-198СП
Кронштейн
В узле: 1
17-74-199СП
Корпус
В узле: 1
1
17-01-22
Шестерня
В узле: 1
2
34126
Шпонка
В узле: 1
3
17-74-257
Валик
В узле: 1
4
700-40-6763
Прокладка
В узле: 1
5
17-74-284
Кронштейн
В узле: 1
6
[Шайба 10 ОТ 65Г 09]
Шайба 10 ОТ 65Г 09
В узле: 6
7
[Болт М10х25.58.019]
Болт М10х25.58.019
В узле: 5
8
[Болт М10х20.58.019]
Болт М10х20.58.019
В узле: 1
9
17-74-283
Втулка
В узле: 1
10
17-74-282
Валик
В узле: 1
11
40251СП
Сальник
В узле: 1
12
700-40-3110
Прокладка
В узле: 1
13
700-40-3109
Прокладка
В узле: 10
14
17-74-280
Корпус
В узле: 1
15
74116
Шестерня
В узле: 1
16
40957
Прокладка
В узле: 1
17
16-74-101СП
Валик
В узле: 1
18
371-1
Пробка
В узле: 2
19
74123
Шестерня
В узле: 1
20
74120
Опора
В узле: 1
21
40956
Прокладка
В узле: 1
22
74121-1
Втулка
В узле: 1
23
371-1
Пробка
В узле: 2
24
74124
Палец
В узле: 1
25
51-74-1
Кронштейн
В узле: 1
26
[Масленка 1.3.Ц6]
Масленка 1.3.Ц6
В узле: 1
27
[Болт М10х30.58.019]
Болт М10х30.58.019
В узле: 4
28
[Болт М10х22.58.019]
Болт М10х22.58.019
В узле: 2
Содержащиеся в справочниках-каталогах запасные части и детали не предлагаются к продаже, а носят исключительно информационный характер

Ваша заявка была отправлена. В ближайшее время наши специалисты с Вами свяжутся по указанному Вами телефону.

Представьтесь
Поле обязательно для заполнения
Ваш телефон
Введите правильный номер телефона
E-mail
Введите правильный e-mail
Тема
Тема
применяемость финансирование доставка цена, наличие другое сервис и гарантия
Время для звонка
08:00
08:00 09:00 10:00 11:00 12:00 13:00 14:00 15:00 16:00 17:00 18:00 19:00
19:00
08:00 09:00 10:00 11:00 12:00 13:00 14:00 15:00 16:00 17:00 18:00 19:00

Мы постараемся перезвонить в указанное время

Если вы не хотите ждать, то звоните нашим вежливым консультантам:

8 800 100-2-700
Подтвердите, что вы не робот
Подтвердите, что вы не робот
Спасибо!

Ваше сообщение успешно отправлено!

ЗакрытьПовторить попытку