Каталог запасных частей к технике: ЧТЗ Т-10.02. Установка гидросистемы

zoom-in zoom-out enlarge shrink circle-right circle-left file-text2 info cart arraw right arraw left zoom out zoom in arraw maximize arraw minimize
1
2
3
4
4
5
6
6
7
8
8
8
8
9
9
10
11
12
13
14
15
16
17
18
19
20
21
22
23
24
24
25
25
26
26
27
28
28
29
30
31
32
33
34
35
36
37
38
39
40
41
41
42
43
44
45
46
47
48
49
50
51
52
53
54
55
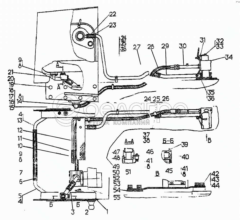
64-26-1СП
Установка гидросистемы
В узле: 1
1
50-26-404СП
Баки гидросистемы
В узле: 1
2
700-46-2235
Рукав
В узле: 1
3
37-26-139СП
Хомут
В узле: 2
4
700-40-7341
Прокладка
В узле: 2
5
50-26-270СП
Гидроцилиндр
В узле: 1
6
700-41-2223СП
Хомут
В узле: 2
7
700-46-2141
Рукав
В узле: 1
8
[Шайба 12 ОТ 65Г 09]
Шайба 12 ОТ 65Г 09
В узле: 13
9
2816
Болт
В узле: 6
10
700-40-3486
Рукав
В узле: 1
11
700-41-2228СП
Хомут
В узле: 2
12
50-26-273СП
Труба
В узле: 2
13
50-26-271СП
Труба
В узле: 1
14
28556
Болт
В узле: 4
15
[Кольцо 038-046-46-2-2]
Кольцо 038-046-46-2-2
В узле: 1
16
46764
Кольцо
В узле: 1
17
700-41-3269
Штуцер
В узле: 1
18
50-26-129
Муфта угловая
В узле: 1
19
[Шайба 24Т 65Г 09]
Шайба 24Т 65Г 09
В узле: 16
20
[Болт М24х65.110.019]
Болт М24х65.110.019
В узле: 16
21
50-26-258
Угольник
В узле: 1
22
700-40-5968
Рукав
В узле: 2
23
18-26-320СП
Хомут
В узле: 2
24
50-26-206
Скоба и планка (составной хомут)
В узле: 3
25
50-26-207
Скоба и планка (составной хомут)
В узле: 3
26
700-40-6827
Прокладка
В узле: 3
27
50-26-151
Труба
В узле: 1
28
Н.036.85.750
Рукав высокого давления II-16 армированный
В узле: 1
28
Н.036.85.750-01
Рукав высокого давления II-16 армированный
В узле: 1
29
64-82-211СП
Труба
В узле: 1
30
64-82-210СП
Труба
В узле: 1
31
50-26-124СП
Труба
В узле: 1
32
Р150-075
Штуцер
В узле: 1
33
40920
Кольцо
В узле: 4
34
64-82-62СП
Управление гидрораспределителем
В узле: 1
35
[Болт М8х25.88.35.019]
Болт М8х25.88.35.019
В узле: 4
36
[Шайба 8Т 65Г 09]
Шайба 8Т 65Г 09
В узле: 4
37
[Болт М10х20.58.019]
Болт М10х20.58.019
В узле: 5
38
[Шайба 10Т 65Г 09]
Шайба 10Т 65Г 09
В узле: 5
39
[Кольцо 032-040-46-2-2]
Кольцо 032-040-46-2-2
В узле: 1
40
18-26-678
Втулка
В узле: 1
41
[Болт М12х25.58.019]
Болт М12х25.58.019
В узле: 3
42
[Болт М16х30.58.019]
Болт М16х30.58.019
В узле: 5
43
[Шайба 16 ОТ 65Г 09]
Шайба 16 ОТ 65Г 09
В узле: 5
44
31477
Шайба
В узле: 5
45
18-15-113
Планка
В узле: 1
46
50-26-272СП
Пластина
В узле: 2
47
40910
Кольцо
В узле: 8
48
700-41-3306
Болт полый
В узле: 2
49
[Датчик аварийного давления в гидросистеме ММ 126Д]
Датчик аварийного давления в гидросистеме ММ 126Д
В узле: 1
50
50-26-395СП
Фильтр
В узле: 1
51
700-40-7321
Кольцо
В узле: 1
52
50-26-277
Патрубок
В узле: 1
53
[Кольцо 060-070-58-2-2]
Кольцо 060-070-58-2-2
В узле: 1
54
64-32-51
Пластина
В узле: 1
55
50-26-85СП
Установка привода насоса
В узле: 1
Содержащиеся в справочниках-каталогах запасные части и детали не предлагаются к продаже, а носят исключительно информационный характер

Ваша заявка была отправлена. В ближайшее время наши специалисты с Вами свяжутся по указанному Вами телефону.

Представьтесь
Поле обязательно для заполнения
Ваш телефон
Введите правильный номер телефона
E-mail
Введите правильный e-mail
Тема
Тема
применяемость финансирование доставка цена, наличие другое сервис и гарантия
Время для звонка
08:00
08:00 09:00 10:00 11:00 12:00 13:00 14:00 15:00 16:00 17:00 18:00 19:00
19:00
08:00 09:00 10:00 11:00 12:00 13:00 14:00 15:00 16:00 17:00 18:00 19:00

Мы постараемся перезвонить в указанное время

Если вы не хотите ждать, то звоните нашим вежливым консультантам:

8 800 100-2-700
Подтвердите, что вы не робот
Подтвердите, что вы не робот
Спасибо!

Ваше сообщение успешно отправлено!

ЗакрытьПовторить попытку