Каталог запасных частей к технике: ЧТЗ Т-10М. Блок радиаторов

zoom-in zoom-out enlarge shrink circle-right circle-left file-text2 info cart arraw right arraw left zoom out zoom in arraw maximize arraw minimize
1
2
2
3
3
4
5
6
6
7
7
7
8
9
9
10
10
11
12
13
14
14
14
14
15
16
17
17
18
19
20
21
22
23
24
25
26
27
28
29
30
31
32
33
34
35
36
37
38
39
39
40
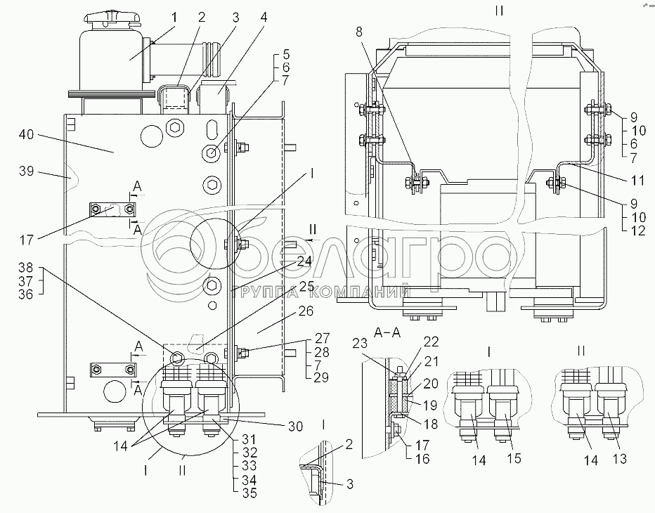
64-08-13-04СП
Блок радиаторов
В узле: 1
64-08-13-02СП
Блок радиаторов
В узле: 1
64-08-13-03СП
Блок радиаторов
В узле: 1
1
64-08-343СП
Радиатор водяной
В узле: 1
2
50-08-135СП
Крышка
В узле: 1
3
700-40-8118-01
Уплотнение
В узле: 2
4
64-08-254СП
Крышка
В узле: 1
5
БолтМ10-6дх25.58.019
Болт М10-6дх25.58.019
В узле: 8
6
Шайба10.ОТ.65Г.09
Шайба 10.ОТ.65Г.09
В узле: 6
7
3197
Шайба
В узле: 16
8
700-40-736Г4
Уплотнение
В узле: 16
9
БолтМ10-6дх30.58.019
Болт М10-6дх30.58.019
В узле: 8
10
ГайкаМ10-7Н.6.019
Гайка
В узле: 4
11
64-08-645
Кронштейн
В узле: 2
12
31308-1
Шайба
В узле: 5
13
ТГС100.1013.4000М
Радиатор масляный
В узле: 1
14
БРТ10-1013010
Радиатор масляный
В узле: 1
14
50К.1013010-03
Радиатор
В узле: 1
15
50К.1013010
Радиатор
В узле: 1
16
ГайкаМ12-6Н.6
Гайка М12-6Н.6
В узле: 8
17
24-08-164
Пластина
В узле: 4
18
24-08-174СП
Уголок
В узле: 4
19
700-40-4915-1
Амортизатор
В узле: 8
20
24-08-171
Втулка
В узле: 8
21
24-08-160
Планка
В узле: 4
22
21-08-86
Пластина
В узле: 4
23
ГайкаМ10
Гайка М10
В узле: 8
24
700-40-9588
Прокладка
В узле: 2
25
64-08-257СП
Опора
В узле: 1
26
64-08-350СП
Короб
В узле: 1
27
ГайкаМ8-7Н.6.019
Гайка
В узле: 8
28
Шайба8Т.65Г.09
Шайба 8Т.65Г.09
В узле: 8
29
31386
Шайба
В узле: 8
30
64-08-378-01
Опора
В узле: 1
31
700-40-9177
Амортизатор
В узле: 8
32
БолтМ10-6gx45.58.019
Болт
В узле: 8
33
18-26-538
Втулка
В узле: 8
34
50-08-149
Накладка
В узле: 4
35
64-08-381
Пластина стопорная
В узле: 4
36
БолтМ12-6gx30.58.019
Болт
В узле: 4
37
Шайба12.ОТ.65Г.09
Шайба 12.ОТ.65Г.09
В узле: 4
38
3135-1
Шайба
В узле: 4
39
64-08-352СП
Боковина
В узле: 1
40
64-08-351СП
Боковина
В узле: 1
Содержащиеся в справочниках-каталогах запасные части и детали не предлагаются к продаже, а носят исключительно информационный характер

Ваша заявка была отправлена. В ближайшее время наши специалисты с Вами свяжутся по указанному Вами телефону.

Представьтесь
Поле обязательно для заполнения
Ваш телефон
Введите правильный номер телефона
E-mail
Введите правильный e-mail
Тема
Тема
применяемость финансирование доставка цена, наличие другое сервис и гарантия
Время для звонка
08:00
08:00 09:00 10:00 11:00 12:00 13:00 14:00 15:00 16:00 17:00 18:00 19:00
19:00
08:00 09:00 10:00 11:00 12:00 13:00 14:00 15:00 16:00 17:00 18:00 19:00

Мы постараемся перезвонить в указанное время

Если вы не хотите ждать, то звоните нашим вежливым консультантам:

8 800 100-2-700
Подтвердите, что вы не робот
Подтвердите, что вы не робот
Спасибо!

Ваше сообщение успешно отправлено!

ЗакрытьПовторить попытку