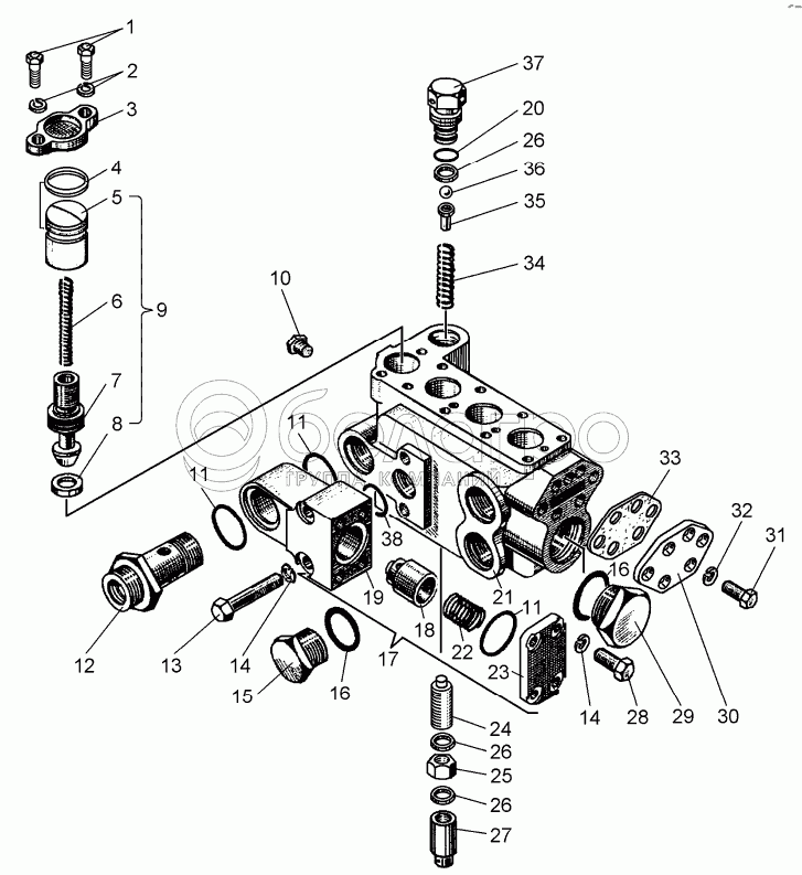
Каталог запасных частей к технике: ЧТЗ Т-10М. Гидрораспределитель Корпус

zoom-in zoom-out enlarge shrink circle-right circle-left file-text2 info cart arraw right arraw left zoom out zoom in arraw maximize arraw minimize
1
2
3
4
5
6
7
8
9
10
11
11
11
12
13
14
14
15
16
17
18
19
20
21
22
23
24
25
26
26
26
27
28
29
30
31
32
33
34
35
36
37
38
50-26-731СП
Корпус гидрораспределителя в сборе
В узле: ---
50-26-61СП
Распределитель
В узле: 1
1
БолтМ10-6gx25.58.019
Болт
В узле: 2
2
Шайба10.ОТ.65Г.09
Шайба 10.ОТ.65Г.09
В узле: 2
3
50-26-761
Фланец
В узле: 1
4
Кольцо027-032-30-2-5
Кольцо 027-032-30-2-5
В узле: 1
5
50-26-769
Направляющая клапана
В узле: 1
6
700-38-2930
Пружина
В узле: 1
7
50-26-767
Клапан перепускной
В узле: 1
8
50-26-768
Седло клапана
В узле: 1
9
50-26-732СП
Клапан перепускной
В узле: 1
10
375
Пробка
В узле: 2
11
Кольцо039-045-36-2-5
Кольцо 039-045-36-2-5
В узле: 3
12
700-41-3632
Штуцер
В узле: 1
13
700-28-2561
Болт
В узле: 2
14
Шайба12.ОТ.65Г.09
Шайба 12.ОТ.65Г.09
В узле: 6
15
700-46-2262
Пробка
В узле: 1
16
46764
Кольцо
В узле: 5
17
50-26-733СП
Клапан обратный
В узле: 1
18
50-26-771
Клапан обратный
В узле: 1
19
50-26-770
Корпус клапана
В узле: 1
20
Кольцо022-028-36-2-5
Кольцо 022-028-36-2-5
В узле: 1
21
50-26-766
Корпус гидрораспределителя
В узле: 1
22
700-38-2886
Пружина
В узле: 1
23
50-26-772
Крышка
В узле: 1
24
700-35-2172
Винт
В узле: 1
25
700-30-2371
Гайка
В узле: 1
26
Кольцо018-022-25-2-5
Кольцо 018-022-25-2-5
В узле: 3
27
50-26-763
Колпачок
В узле: 1
28
БолтМ12-6gx30.88.35.019
Болт М12-6gx30 88.35.019
В узле: 4
29
700-37-2268
Пробка
В узле: 1
30
50-26-756
Крышка
В узле: 1
31
БолтМ8-6gx16.58.019
Болт М8-6gx16.58.019
В узле: 14
32
Шайба8Т.65Г.09
Шайба 8Т.65Г.09
В узле: 12
33
700-40-8294
Прокладка
В узле: 1
34
700-38-2873
Пружина
В узле: 1
35
50-26-759
Направляющая клапана
В узле: 1
36
ШарикБ9,525-200
Шарик Б 9,525-200
В узле: 1
37
50-26-760
Седло клапана
В узле: 1
38
700-40-2135
Кольцо
В узле: 1
Содержащиеся в справочниках-каталогах запасные части и детали не предлагаются к продаже, а носят исключительно информационный характер

Ваша заявка была отправлена. В ближайшее время наши специалисты с Вами свяжутся по указанному Вами телефону.

Представьтесь
Поле обязательно для заполнения
Ваш телефон
Введите правильный номер телефона
E-mail
Введите правильный e-mail
Тема
Тема
применяемость финансирование доставка цена, наличие другое сервис и гарантия
Время для звонка
08:00
08:00 09:00 10:00 11:00 12:00 13:00 14:00 15:00 16:00 17:00 18:00 19:00
19:00
08:00 09:00 10:00 11:00 12:00 13:00 14:00 15:00 16:00 17:00 18:00 19:00

Мы постараемся перезвонить в указанное время

Если вы не хотите ждать, то звоните нашим вежливым консультантам:

8 800 100-2-700
Подтвердите, что вы не робот
Подтвердите, что вы не робот
Спасибо!

Ваше сообщение успешно отправлено!

ЗакрытьПовторить попытку