Каталог запасных частей к технике: ЧТЗ Т-10М. Кардан

zoom-in zoom-out enlarge shrink circle-right circle-left file-text2 info cart arraw right arraw left zoom out zoom in arraw maximize arraw minimize
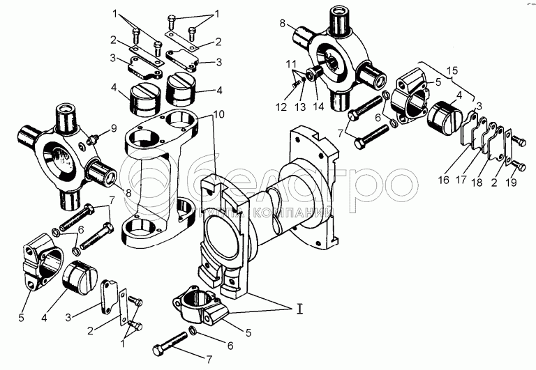
1
1
1
2
2
2
2
3
3
3
3
4
4
4
4
5
5
5
6
6
6
7
7
7
8
8
9
10
11
12
13
14
15
16
17
18
19
64-49-3СП
Кардан
В узле: 1
64-49-1СП
Кардан
В узле: 1
64-49-103СП
Труба
В узле: 1
64-49-104СП
Труба
В узле: 1
1
БолтМ8-6gx16.88.35.019
Болт М8-6gx16.88.35.019
В узле: 16
2
64-12-60
Планка
В узле: 8
3
50-49-3
Крышка
В узле: 8
4
804707К3С10
Подшипник
В узле: 8
5
50-49-2
Опора
В узле: 4
6
Шайба12.ОТ.65Г.09
Шайба 12.ОТ.65Г.09
В узле: 8
7
БолтМ12x1,25-6gx65.88.45Х.019
Болт М12x1,25-6g x65.88. 45Х. 019
В узле: 8
8
62-49-1
Крестовина
В узле: 2
9
Масленка1.3.Ц6
Масленка
В узле: 2
10
64-49-3
Фланец
В узле: 1
11
64-49-102СП
Клапан
В узле: 2
12
38301
Пружина
В узле: 1
13
ШарикБ10-200
Шарик Б10-200
В узле: 1
14
64-49-2
Корпус
В узле: 1
15
50-49-102СП
Опора
В узле: 4
16
64-49-4
Пластина балансировочная
В узле: 4
17
64-49-4-01
Пластина балансировочная
В узле: 4
18
64-49-4-02
Пластина балансировочная
В узле: 8
19
БолтМ8-6gx25.88.35.019
Болт М8-6gx25.88.35.019
В узле: 8
Содержащиеся в справочниках-каталогах запасные части и детали не предлагаются к продаже, а носят исключительно информационный характер

Ваша заявка была отправлена. В ближайшее время наши специалисты с Вами свяжутся по указанному Вами телефону.

Представьтесь
Поле обязательно для заполнения
Ваш телефон
Введите правильный номер телефона
E-mail
Введите правильный e-mail
Тема
Тема
применяемость финансирование доставка цена, наличие другое сервис и гарантия
Время для звонка
08:00
08:00 09:00 10:00 11:00 12:00 13:00 14:00 15:00 16:00 17:00 18:00 19:00
19:00
08:00 09:00 10:00 11:00 12:00 13:00 14:00 15:00 16:00 17:00 18:00 19:00

Мы постараемся перезвонить в указанное время

Если вы не хотите ждать, то звоните нашим вежливым консультантам:

8 800 100-2-700
Подтвердите, что вы не робот
Подтвердите, что вы не робот
Спасибо!

Ваше сообщение успешно отправлено!

ЗакрытьПовторить попытку