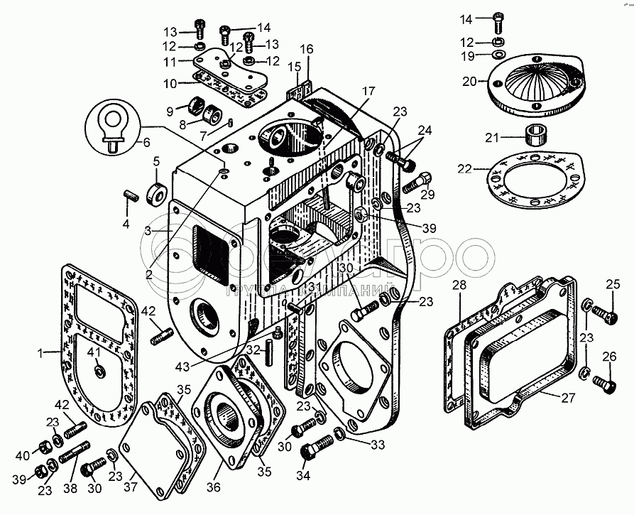
Каталог запасных частей к технике: ЧТЗ Т-10М. Корпус регулятора

zoom-in zoom-out enlarge shrink circle-right circle-left file-text2 info cart arraw right arraw left zoom out zoom in arraw maximize arraw minimize
1
2
3
4
5
6
7
8
9
10
10
11
12
12
12
12
13
13
14
14
15
16
17
19
20
21
22
23
23
23
23
23
23
23
23
24
25
26
27
28
29
30
30
30
31
32
33
34
35
35
36
37
38
39
39
40
41
42
42
43
1
40748
Прокладка
В узле: 1
2
3197-02
Шайба 10х3.02.3кп.05
В узле: 1
3
51-06-22
Корпус регулятора
В узле: 1
4
700-32-2191
Штифт 5h8х20
В узле: 1
5
Манжета1.2-15x30-1
Манжета 1.2-15x30-1
В узле: 1
6
51-06-43
Рым-болт
В узле: 1
7
700-32-2182
Штифт
В узле: 2
8
941/15
Подшипник роликовый игольчатый с одним наружным штампованным кольцом
В узле: 2
9
06305
Пробка-колпачек
В узле: 1
10
40962-1
Прокладка
В узле: 1
11
06311
Крышка
В узле: 1
12
Шайба8Т.65Г.09
Шайба 8Т.65Г.09
В узле: 7
13
28473
Болт
В узле: 2
14
БолтМ8x20.58.019
Болт М8x20.58.019
В узле: 5
15
06577
Прокладка
В узле: 3
16
46170
Прокладка
В узле: 1
17
06306
Трубка
В узле: 1
19
31386-1
Шайба
В узле: 4
20
06308-2
Крышка
В узле: 1
21
06309
Втулка
В узле: 1
22
40961
Прокладка
В узле: 1
23
Шайба10.ОТ.65Г.09
Шайба 10.ОТ.65Г.09
В узле: 20
24
БолтМ10-6gx170.58.019
Болт М10-6gx170.58.019
В узле: 1
25
700-28-2455
Болт
В узле: 2
26
БолтМ10x20.58.019
Болт М10x20.58.019
В узле: 4
27
06312-2
Крышка
В узле: 1
28
40963-1
Прокладка
В узле: 2
29
БолтМ10x40.58.019
Болт М10x40.58.019
В узле: 1
30
БолтМ10x30.58.019
Болт М10x30.58.019
В узле: 12
31
700-32-2192
Штифт 5h8х25
В узле: 1
32
700-32-2200
Штифт
В узле: 1
33
Шайба12.ОТ.65Г.09
Шайба 12.ОТ.65Г.09
В узле: 1
34
28579
Болт
В узле: 1
35
700-40-2631
Прокладка
В узле: 2
36
50-26-830-1
Плита
В узле: 1
37
51-06-3
Крышка
В узле: 1
38
700-29-2194
Шпилька
В узле: 3
39
ГайкаМ10.6.019
Гайка
В узле: 3
40
3084
Гайка
В узле: 7
41
353-07-1
Шайба чистая 10
В узле: 1
42
700-29-2463
Шпилька
В узле: 7
43
379
Пробка
В узле: 1
Содержащиеся в справочниках-каталогах запасные части и детали не предлагаются к продаже, а носят исключительно информационный характер

Ваша заявка была отправлена. В ближайшее время наши специалисты с Вами свяжутся по указанному Вами телефону.

Представьтесь
Поле обязательно для заполнения
Ваш телефон
Введите правильный номер телефона
E-mail
Введите правильный e-mail
Тема
Тема
применяемость финансирование доставка цена, наличие другое сервис и гарантия
Время для звонка
08:00
08:00 09:00 10:00 11:00 12:00 13:00 14:00 15:00 16:00 17:00 18:00 19:00
19:00
08:00 09:00 10:00 11:00 12:00 13:00 14:00 15:00 16:00 17:00 18:00 19:00

Мы постараемся перезвонить в указанное время

Если вы не хотите ждать, то звоните нашим вежливым консультантам:

8 800 100-2-700
Подтвердите, что вы не робот
Подтвердите, что вы не робот
Спасибо!

Ваше сообщение успешно отправлено!

ЗакрытьПовторить попытку