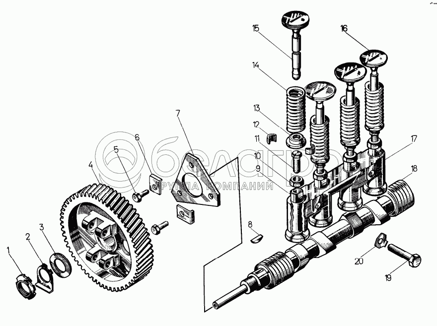
Каталог запасных частей к технике: ЧТЗ Т-10М. Механизм газораспределения пускового двигателя

zoom-in zoom-out enlarge shrink circle-right circle-left file-text2 info cart arraw right arraw left zoom out zoom in arraw maximize arraw minimize
1
2
3
4
5
6
7
8
9
10
11
12
13
14
15
16
17
18
19
20
1
04233
Гайка
В узле: 1
2
31357
Шайба
В узле: 1
3
04232
Шайба нажимная
В узле: 1
4
17-04-1
Шестерня
В узле: 1
5
БолтМ8x16.58.019
Болт М8x16.58.019
В узле: 3
6
31102
Пластина стопорная
В узле: 3
7
04103
Шайба упорная
В узле: 1
8
34126
Шпонка
В узле: 1
9
04110
Толкатель клапана
В узле: 4
10
3083
Гайка
В узле: 4
11
04112
Болт толкателя
В узле: 4
12
04119
Сухарик клапана
В узле: 8
13
04118
Тарелка клапана
В узле: 4
14
3868
Пружина
В узле: 4
15
04234
Клапан всасывающий
В узле: 2
16
04235
Клапан выпускной
В узле: 2
17
04111
Кронштейн
В узле: 1
18
04230
Вал распределительный
В узле: 1
19
БолтМ10x45.58.019
Болт М10x45.58.019
В узле: 2
20
3198
Шайба стопорная (47522116220)
В узле: 2
Содержащиеся в справочниках-каталогах запасные части и детали не предлагаются к продаже, а носят исключительно информационный характер

Ваша заявка была отправлена. В ближайшее время наши специалисты с Вами свяжутся по указанному Вами телефону.

Представьтесь
Поле обязательно для заполнения
Ваш телефон
Введите правильный номер телефона
E-mail
Введите правильный e-mail
Тема
Тема
применяемость финансирование доставка цена, наличие другое сервис и гарантия
Время для звонка
08:00
08:00 09:00 10:00 11:00 12:00 13:00 14:00 15:00 16:00 17:00 18:00 19:00
19:00
08:00 09:00 10:00 11:00 12:00 13:00 14:00 15:00 16:00 17:00 18:00 19:00

Мы постараемся перезвонить в указанное время

Если вы не хотите ждать, то звоните нашим вежливым консультантам:

8 800 100-2-700
Подтвердите, что вы не робот
Подтвердите, что вы не робот
Спасибо!

Ваше сообщение успешно отправлено!

ЗакрытьПовторить попытку