Каталог запасных частей к технике: ЧТЗ Т-10М. Механизм управления муфтой сцепления и стояночным тормозом

zoom-in zoom-out enlarge shrink circle-right circle-left file-text2 info cart arraw right arraw left zoom out zoom in arraw maximize arraw minimize
1
1
1
1
2
2
2
2
2
2
3
4
5
5
6
7
8
8
9
10
11
12
13
14
15
16
17
18
19
20
20
21
21
22
23
24
25
26
27
28
29
30
31
32
32
32
32
33
34
35
35
35
35
35
36
36
36
36
36
37
38
39
40
41
42
43
43
44
45
46
46
47
47
48
49
49
50
50
51
51
52
52
53
54
55
56
57
58
58
59
60
60
61
62
63
64
65
66
67
68
69
70
71
72
73
74
75
76
77
78
79
80
81
82
83
84
85
1
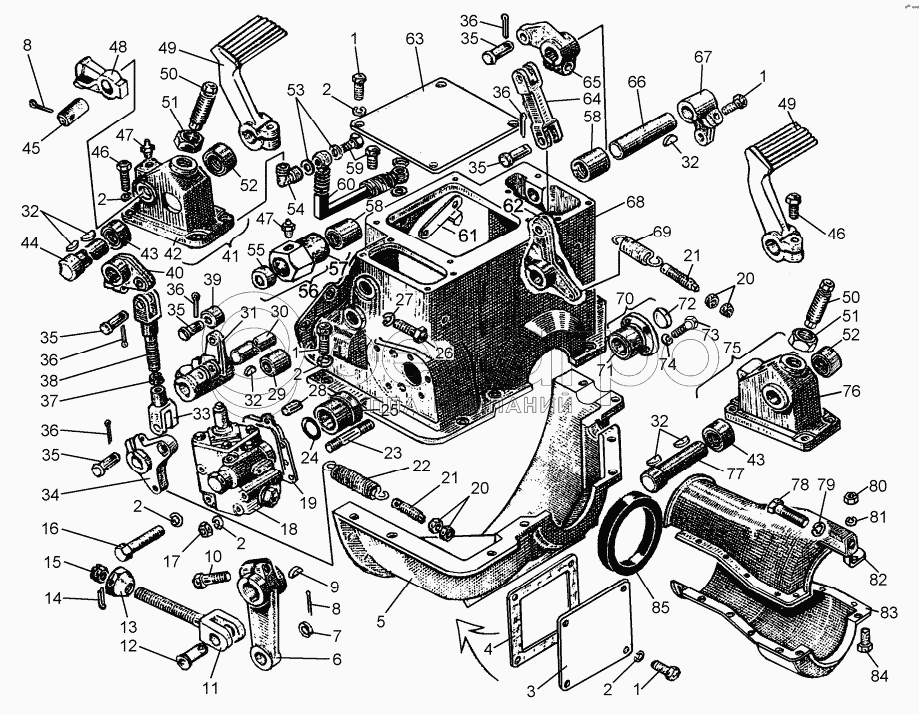
БолтМ10-6gx25.58.019
Болт
В узле: 17
2
Шайба10.ОТ.65Г.09
Шайба 10.ОТ.65Г.09
В узле: 28
3
15234
Крышка
В узле: 1
4
46173
Прокладка
В узле: 1
5
50-15-123
Кожух
В узле: 1
5
50-15-154СП
Кожух
В узле: 1
6
24-15-90
Рычаг
В узле: 1
7
3193-1
Шайба
В узле: 1
8
Шплинт4x32
Шплинт 4x32
В узле: 1
9
700-34-2029
Шпонка
В узле: 1
10
БолтМ10-6gx35.58.019
Болт М10-6gx35.58.019
В узле: 1
11
50-15-36
Тяга
В узле: 1
12
700-47-2091
Ось
В узле: 1
13
17377
Гайка
В узле: 1
14
Шплинт3,2x40.019
Шплинт 3,2x40.019
В узле: 1
15
50-15-34
Стопор
В узле: 1
16
БолтМ10-6gx130.58.019
Болт М10-6gx130.58.019
В узле: 1
17
ГайкаМ10-7H.6.019
Гайка М10-7H.6.019
В узле: 4
18
50-15-118СП
Сервомеханизм
В узле: 1
19
700-40-3278
Прокладка
В узле: 1
20
ГайкаМ8x1-6Н.8.45.019
Гайка М8x1-6Н.8.45.019
В узле: 4
21
06412
Винт
В узле: 2
22
700-38-2073
Пружина
В узле: 1
23
2994
Шпилька
В узле: 4
24
700-40-7374
Кольцо
В узле: 2
25
50-15-62
Втулка
В узле: 1
26
БолтМ12-6gx35.58.019
Болт М12-6gx35.58.019
В узле: 15
27
Шайба12.ОТ.65Г.09
Шайба 12.ОТ.65Г.09
В узле: 15
28
700-32-2201
Штифт
В узле: 2
29
50-15-24
Втулка
В узле: 1
30
50-15-142
Валик
В узле: 1
31
50-15-51
Рычаг
В узле: 1
32
34128
Шпонка
В узле: 9
33
24-15-109
Вилка
В узле: 1
34
24-15-64-1
Рычаг
В узле: 1
35
17317
Палец
В узле: 5
36
Шплинт3,2x22.019
Шплинт 3,2x22.019
В узле: 5
37
700-30-2414
Гайка
В узле: 1
38
24-15-126СП
Тяга
В узле: 1
39
24-15-11
Ролик
В узле: 1
40
24-15-65-1
Рычаг
В узле: 1
41
50-15-105СП
Колонка
В узле: 1
42
50-15-32
Колонка
В узле: 1
43
50-15-22
Втулка
В узле: 2
44
50-15-28
Ось
В узле: 1
45
700-47-2099
Ось
В узле: 1
46
БолтМ10-6gx30.58.019
Болт
В узле: 14
47
Масленка1.3.Ц6
Масленка
В узле: 2
48
50-15-29
Фиксатор
В узле: 1
49
24-15-23
Педаль
В узле: 2
50
50-15-57
Упор
В узле: 1
51
3031-2
Гайка
В узле: 2
52
50-15-23
Втулка
В узле: 2
53
40912
Кольцо
В узле: 4
54
700-41-3010
Колено
В узле: 1
55
50-15-194
Втулка
В узле: 1
56
50-15-162СП
Втулка
В узле: 1
57
50-15-141
Втулка
В узле: 1
58
50-15-20
Втулка
В узле: 1
59
700-41-3069
Штуцер
В узле: 2
60
РВД6-40-380-11510(09)/10(09)-90°-У
РВД
В узле: 1
60
48-15-122СП
Рукав
В узле: 1
61
24-15-51
Стрелка
В узле: 1
62
24-15-105-1
Рычаг
В узле: 1
63
24-15-45
Крышка
В узле: 1
64
24-15-106
Тяга
В узле: 1
65
24-15-104-1
Рычаг
В узле: 1
66
50-15-19
Ось
В узле: 1
67
24-15-63-1
Рычаг
В узле: 1
68
50-15-122
Кожух
В узле: 1
69
700-38-2279
Пружина
В узле: 1
70
50-15-166СП
Стакан
В узле: 1
71
50-15-124
Стакан
В узле: 1
72
27580
Заглушка
В узле: 1
73
БолтМ8-6gx25.88.35.019
Болт М8-6gx25.88.35.019
В узле: 4
74
Шайба8Т.65Г.09
Шайба 8Т.65Г.09
В узле: 4
75
50-15-102CП
Колонна
В узле: 1
76
24-15-103
Колонка
В узле: 1
77
50-15-2
Ось
В узле: 1
78
БолтМ16-6gx75.88.019
Болт М16-6gx75.88.019
В узле: 1
79
Шайба16.ОТ.65Г.09
Шайба 16.ОТ.65Г.09
В узле: 1
80
ГайкаМ6-7Н.6.019
Гайка
В узле: 6
81
Шайба6Т.65Г.09
Шайба 6Т.65Г.09
В узле: 6
82
28-15-133СП
Кожух
В узле: 1
83
28-15-69
Кожух
В узле: 1
84
БолтМ6-6gx20.58.019
Болт М6-6gx20.58.019
В узле: 6
85
40795
Кольцо
В узле: 1
Содержащиеся в справочниках-каталогах запасные части и детали не предлагаются к продаже, а носят исключительно информационный характер

Ваша заявка была отправлена. В ближайшее время наши специалисты с Вами свяжутся по указанному Вами телефону.

Представьтесь
Поле обязательно для заполнения
Ваш телефон
Введите правильный номер телефона
E-mail
Введите правильный e-mail
Тема
Тема
применяемость финансирование доставка цена, наличие другое сервис и гарантия
Время для звонка
08:00
08:00 09:00 10:00 11:00 12:00 13:00 14:00 15:00 16:00 17:00 18:00 19:00
19:00
08:00 09:00 10:00 11:00 12:00 13:00 14:00 15:00 16:00 17:00 18:00 19:00

Мы постараемся перезвонить в указанное время

Если вы не хотите ждать, то звоните нашим вежливым консультантам:

8 800 100-2-700
Подтвердите, что вы не робот
Подтвердите, что вы не робот
Спасибо!

Ваше сообщение успешно отправлено!

ЗакрытьПовторить попытку