Каталог запасных частей к технике: ЧТЗ Т-10М. Рама

zoom-in zoom-out enlarge shrink circle-right circle-left file-text2 info cart arraw right arraw left zoom out zoom in arraw maximize arraw minimize
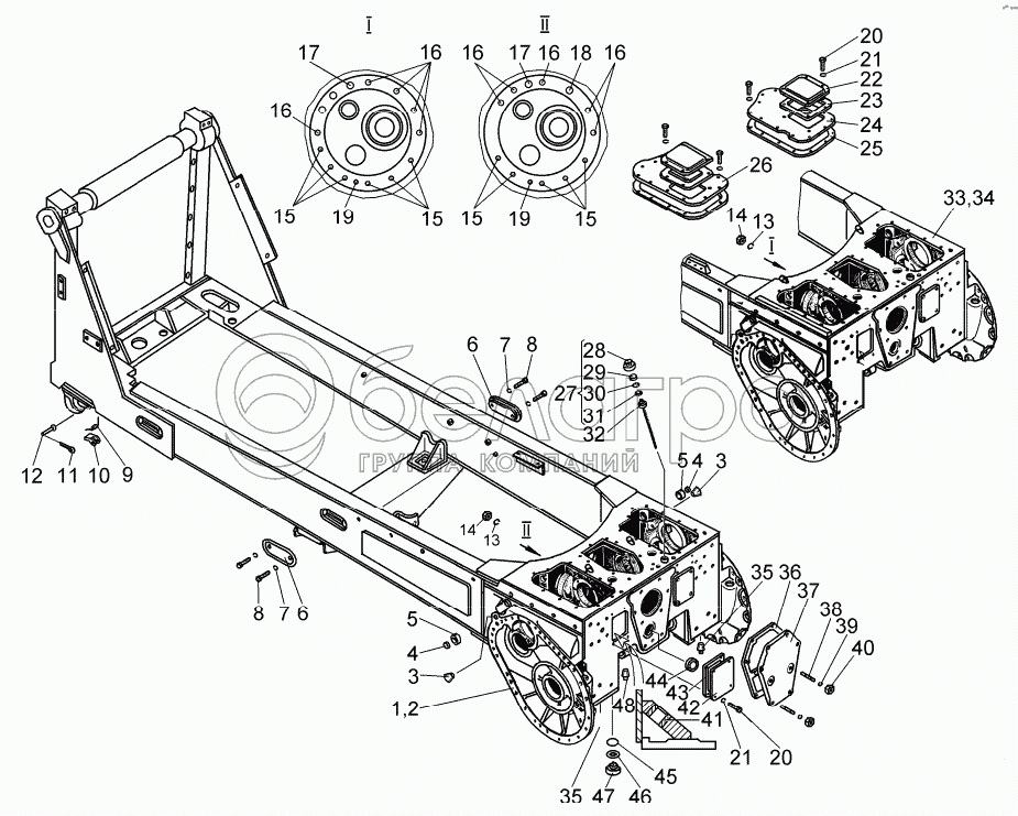
1
1
2
2
3
3
4
4
5
5
6
6
7
7
8
8
9
10
11
12
13
13
14
14
15
15
15
15
16
16
16
16
16
17
17
18
19
19
20
20
21
21
22
23
24
25
26
27
28
29
30
31
32
33
33
34
34
35
35
36
37
38
39
40
41
42
43
44
45
46
47
48
1
64-11-23-04СП
Рама
В узле: 1
1
64-11-23СП
Рама
В узле: 1
2
67-11-4-04СП
Рама
В узле: 1
2
67-11-4СП
Рама
В узле: 1
3
15224-01
Пробка
В узле: 4
4
052
Пробка
В узле: 2
5
50-11-20
Втулка
В узле: 4
6
50-11-35
Крышка
В узле: 2
7
Шайба8Т.65Г.09
Шайба 8Т.65Г.09
В узле: 4
8
БолтM8-6gx30.88.35.019
Болт M8-6gx30.88.35.019
В узле: 8
9
700-38-2864
Пружина
В узле: 2
10
28-11-4
Замок
В узле: 2
11
Шплинт2,5x25.019
Шплинт 2,5x25.019
В узле: 2
12
700-47-2132
Ось
В узле: 2
13
Шайба16.ОТ.65Г.09
Шайба 16.ОТ.65Г.09
В узле: 12
14
22113-1
Гайка
В узле: 12
15
29342
Шпилька
В узле: 6
16
29408
Шпилька
В узле: 5
17
700-32-2207
Штифт
В узле: 1
18
29400
Шпилька
В узле: 1
19
700-40-4785
Кольцо
В узле: 1
20
БолтМ10x25.58.019
Болт М10x25.58.019
В узле: 52
21
Шайба10.ОТ.65Г.09
Шайба 10.ОТ.65Г.09
В узле: 52
22
50-11-114
Крышка
В узле: 2
23
700-40-8487
Прокладка
В узле: 2
24
50-11-147СП
Крышка левая
В узле: 1
25
700-40-3548
Прокладка
В узле: 2
26
50-11-148СП
Крышка
В узле: 1
27
24-16-104СП
Крышка
В узле: 1
28
18-16-7
Крышка
В узле: 1
29
Набивка
Набивка
В узле: 1
30
18-16-8
Пластина
В узле: 1
31
17467
Кольцо
В узле: 1
32
50-19-136СП
Линейка
В узле: 1
33
64-11-23-01CП
Рама
В узле: 1
33
64-11-23-09СП
Рама
В узле: 1
34
67-11-4-01СП
Рама
В узле: 1
34
67-11-4-05СП
Рама
В узле: 1
35
37104-1
Пробка коническая
В узле: 2
36
700-40-2009
Прокладка
В узле: 1
37
15-11-15
Крышка
В узле: 1
38
29343
Шпилька
В узле: 8
39
Шайба20.ОТ.65Г.09
Шайба 20.ОТ.65Г.09
В узле: 8
40
700-30-2415
Гайка
В узле: 8
41
11139
Втулка
В узле: 2
42
11151
Крышка
В узле: 2
43
40924
Прокладка
В узле: 2
44
15-11-16
Заглушка
В узле: 1
45
46588
Кольцо
В узле: 1
46
40927СП
Кольцо
В узле: 1
47
01483СП
Пробка
В узле: 1
48
700-37-2324
Пробка
В узле: 1
Содержащиеся в справочниках-каталогах запасные части и детали не предлагаются к продаже, а носят исключительно информационный характер

Ваша заявка была отправлена. В ближайшее время наши специалисты с Вами свяжутся по указанному Вами телефону.

Представьтесь
Поле обязательно для заполнения
Ваш телефон
Введите правильный номер телефона
E-mail
Введите правильный e-mail
Тема
Тема
применяемость финансирование доставка цена, наличие другое сервис и гарантия
Время для звонка
08:00
08:00 09:00 10:00 11:00 12:00 13:00 14:00 15:00 16:00 17:00 18:00 19:00
19:00
08:00 09:00 10:00 11:00 12:00 13:00 14:00 15:00 16:00 17:00 18:00 19:00

Мы постараемся перезвонить в указанное время

Если вы не хотите ждать, то звоните нашим вежливым консультантам:

8 800 100-2-700
Подтвердите, что вы не робот
Подтвердите, что вы не робот
Спасибо!

Ваше сообщение успешно отправлено!

ЗакрытьПовторить попытку