Каталог запасных частей к технике: ЧТЗ Т-10М. Установка электрооборудования пускового двигателя

zoom-in zoom-out enlarge shrink circle-right circle-left file-text2 info cart arraw right arraw left zoom out zoom in arraw maximize arraw minimize
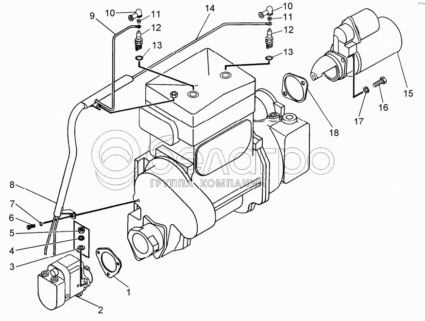
1
2
2
3
4
5
6
7
8
9
9
10
10
11
11
12
12
13
13
14
14
15
15
16
17
18
17-10-10СП
Установка электрооборудования
В узле: ---
1
46286
Прокладка
В узле: 1
2
М149А1-3728000
Магнето
В узле: 1
2
М149А1-3728000-01
Магнето
В узле: 1
3
31358-1
Шайба
В узле: 3
4
Шайба6Т.65Г.09
Шайба 6Т.65Г.09
В узле: 3
5
ГайкаМ6-7Н.6.019
Гайка
В узле: 3
6
БолтМ8x16.58.019
Болт М8x16.58.019
В узле: 1
7
Шайба8Т.65Г.09
Шайба 8Т.65Г.09
В узле: 1
8
10494СП
Трубка
В узле: 1
9
10664-1СП
Провод
В узле: 1
9
10664СП
Провод
В узле: 1
10
17-10-9
Наконечник
В узле: 2
11
ГайкаБ
Контактная гайка типа Б
В узле: 2
12
А11-3
Свеча зажигания
В узле: 2
13
Кольцо
Кольцо
В узле: 2
14
10663СП
Провод
В узле: 1
14
10663-1СП
Провод
В узле: 1
15
42.3708000
Стартер
В узле: 1
15
4207.3708000-Т
Стартер
В узле: 1
16
БолтМ12x30.58.019
Болт М12x30.58.019
В узле: 2
17
Шайба12.ОТ.65Г.09
Шайба 12.ОТ.65Г.09
В узле: 2
18
700-40-2204
Прокладка
В узле: 1
Содержащиеся в справочниках-каталогах запасные части и детали не предлагаются к продаже, а носят исключительно информационный характер

Ваша заявка была отправлена. В ближайшее время наши специалисты с Вами свяжутся по указанному Вами телефону.

Представьтесь
Поле обязательно для заполнения
Ваш телефон
Введите правильный номер телефона
E-mail
Введите правильный e-mail
Тема
Тема
применяемость финансирование доставка цена, наличие другое сервис и гарантия
Время для звонка
08:00
08:00 09:00 10:00 11:00 12:00 13:00 14:00 15:00 16:00 17:00 18:00 19:00
19:00
08:00 09:00 10:00 11:00 12:00 13:00 14:00 15:00 16:00 17:00 18:00 19:00

Мы постараемся перезвонить в указанное время

Если вы не хотите ждать, то звоните нашим вежливым консультантам:

8 800 100-2-700
Подтвердите, что вы не робот
Подтвердите, что вы не робот
Спасибо!

Ваше сообщение успешно отправлено!

ЗакрытьПовторить попытку