Каталог запасных частей к технике: ЧТЗ Т-130. Электрооборудование

zoom-in zoom-out enlarge shrink circle-right circle-left file-text2 info cart arraw right arraw left zoom out zoom in arraw maximize arraw minimize
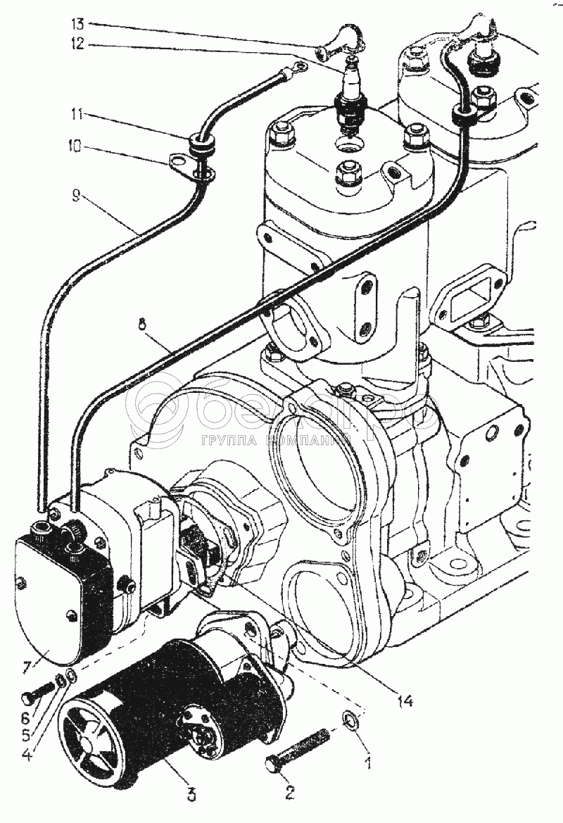
1
2
3
4
5
6
7
8
9
10
11
12
13
14
1
Д24074
Прокладка
В узле: 2
2
Шайба 6.01.016
Шайба 6.01.016
В узле: 3
3
Болт М10-6gx55.56.016
Болт М10-6gx55.56.016
В узле: 2
4
Стартер СТ-367
Стартер СТ-367
В узле: 1
5
Шайба 0.65Г.05
Шайба 0.65Г.05
В узле: 3
6
Болт М6-6gх25.56.016
Болт М6-6gх25.56.016
В узле: 3
7
Магнето М148
Магнето М148
В узле: 1
8
700.01.180.10
Провод 11 цилиндра
В узле: 1
9
Д24079
Провод 1 цилиндра
В узле: 1
10
Д24122А
Планка
В узле: 2
11
Д24123
Втулка
В узле: 2
12
Свеча зажигания АНН
Свеча зажигания АНН
В узле: 2
13
Колпачок 4-18
Колпачок 4-18
В узле: 2
14
Шайба 10.01.010
Шайба 10.01.010
В узле: 2
Содержащиеся в справочниках-каталогах запасные части и детали не предлагаются к продаже, а носят исключительно информационный характер

Ваша заявка была отправлена. В ближайшее время наши специалисты с Вами свяжутся по указанному Вами телефону.

Представьтесь
Поле обязательно для заполнения
Ваш телефон
Введите правильный номер телефона
E-mail
Введите правильный e-mail
Тема
Тема
применяемость финансирование доставка цена, наличие другое сервис и гарантия
Время для звонка
08:00
08:00 09:00 10:00 11:00 12:00 13:00 14:00 15:00 16:00 17:00 18:00 19:00
19:00
08:00 09:00 10:00 11:00 12:00 13:00 14:00 15:00 16:00 17:00 18:00 19:00

Мы постараемся перезвонить в указанное время

Если вы не хотите ждать, то звоните нашим вежливым консультантам:

8 800 100-2-700
Подтвердите, что вы не робот
Подтвердите, что вы не робот
Спасибо!

Ваше сообщение успешно отправлено!

ЗакрытьПовторить попытку