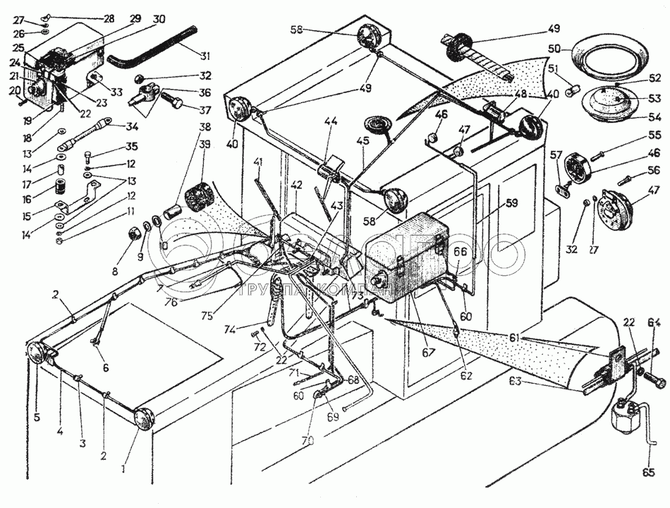
Каталог запасных частей к технике: ЧТЗ Т-130. Электрооборудование трактора 50-10-3СП

zoom-in zoom-out enlarge shrink circle-right circle-left file-text2 info cart arraw right arraw left zoom out zoom in arraw maximize arraw minimize
1
2
2
3
4
5
6
7
8
9
10
11
12
12
13
13
14
14
15
16
17
18
19
20
21
22
22
22
23
24
25
26
27
27
28
29
30
31
32
32
33
34
35
36
37
38
39
40
40
41
42
43
44
45
46
46
47
47
48
49
49
50
51
52
53
54
54
54
55
56
57
58
58
59
60
60
61
62
63
64
65
66
67
68
69
70
71
72
73
74
75
76
76
1
24-10-258СП
Установка фары
В узле: 1
2
700-41-3246
Хомутик
В узле: 3
3
700-40-2654
Прокладка
В узле: 54
4
50-10-126СП
Жгут 24
В узле: 1
5
24-10-256СП
Установка фары
В узле: 1
6
240-54-47
Наконечник
В узле: 2
7
700-41-2760
Хомутик
В узле: 1
8
Гайка М10.6.019
Гайка М10.6.019
В узле: 3
9
Шайба 10.ОТ.65ГЛ6
Шайба 10.ОТ.65ГЛ6
В узле: 3
10
31372
Шайба
В узле: 3
11
3011
Гайка
В узле: 4
12
Шайба 12.ОТ.65Г.06
Шайба 12.ОТ.65Г.06
В узле: 8
13
3135-1
Шайба
В узле: 8
14
700-31-2218
Шайба
В узле: 8
15
26230
Кронштейн
В узле: 2
16
700-40-3684
Втулка
В узле: 4
17
24-1042
Втулка
В узле: 1
18
2855
Болт
В узле: 4
19
700-40-3682
Прокладка
В узле: 1
20
Болт М6х16.46.019
Болт М6х16.46.019
В узле: 5
21
Включатель массы ВК-318Б
Включатель массы ВК-318Б
В узле: 1
22
Шайба 6Т.65Г.06
Шайба 6Т.65Г.06
В узле: 19
23
Гайка М6.6.019
Гайка М6.6.019
В узле: 5
24
700-29-2278СП
Шпилька
В узле: 2
25
21-10-131 СП
Рамка
В узле: 1
26
31386
Шайба
В узле: 4
27
Шайба 8Т.65Г.06
Шайба 8Т.65Г.06
В узле: 6
28
05573-1
Гайка
В узле: 2
29
Батарея аккумуляторная 6ТСТ-75ТМС
Батарея аккумуляторная 6ТСТ-75ТМС
В узле: ---
30
700-40-4142
Уплотнение
В узле: 1
31
Трубка 1с24х2
Трубка 1с24х2
В узле: 0,16 м
32
Гайка М8х6.019
Гайка М8х6.019
В узле: 6
33
700-40-3683
Кольцо
В узле: 1
34
24-10-176СП
Провод 52
В узле: 1
35
Болт М12х30.46.019
Болт М12х30.46.019
В узле: 4
36
24-10-463СП
Провод 51
В узле: 1
37
2848
Болт
В узле: 2
38
24-10-104
Втулка
В узле: 3
39
700-40-5028-1
Амортизатор
В узле: 3
40
24-10-255СП
Установка фары
В узле: 2
41
24-10-275СП
Установка стеклоочистителя
В узле: 1
42
18-10-394СП
Щиток приборов
В узле: 1
43
700-40-5029-1
Амортизатор
В узле: 2
44
Стеклоочиститель электрический СЛ 233
Стеклоочиститель электрический СЛ 233
В узле: 1
45
24-10-417СП
Жгут 1
В узле: 1
46
Штепсельная розетка ПС-300А-100
Штепсельная розетка ПС-300А-100
В узле: 1
47
Сигнал С-56Г
Сигнал С-56Г
В узле: 1
48
Стеклоочиститель электрический СЛ-213
Стеклоочиститель электрический СЛ-213
В узле: 1
49
700-40-3703
Кольцо
В узле: 4
50
26596
Фланец
В узле: 1
51
Лампа накаливания А12-15
Лампа накаливания А12-15
В узле: 1
52
Шайба 5Т.65Г.06
Шайба 5Т.65Г.06
В узле: 2
53
Винт М5х 16.48.019
Винт М5х 16.48.019
В узле: 2
54
ПК 201-371410Т
Плафон ТУ 37.003.231-77
В узле: 1
54
ПК 201-3714103
Плафон ТУ 37.003.231-77
В узле: 1
54
ПК 201-371410
Плафон ТУ 37.003.231-77
В узле: 1
55
Винт 3М5х35.48.019
Винт 3М5х35.48.019
В узле: 3
56
Болт М8х20.46.019
Болт М8х20.46.019
В узле: 2
57
34625
Перемычка
В узле: 1
58
24-10-254СП
Установка фары
В узле: 2
59
Трубка 111 ТВ-40-230-16
Трубка 111 ТВ-40-230-16
В узле: 0,5 м
60
700-41-3247
Хомутик
В узле: 9
61
700-41-2636
Хомутик
В узле: 13
62
Датчик давления топлива ММ111А
Датчик давления топлива ММ111А
В узле: 2
63
50-10-130СП
Жгут 26
В узле: 1
64
Болт М6х14.46.019
Болт М6х14.46.019
В узле: 13
65
24-10-468СП
Провод 81
В узле: 1
66
700-40-3140
Кольцо
В узле: 1
67
24-10-273СП
Ящик
В узле: 1
68
50-10-114СП
Провод 86
В узле: 1
69
50-10-129СП
Провод 49/50
В узле: 1
70
730-82-219
Наконечник
В узле: 1
71
50-10-138СП
Провод 78
В узле: 1
72
Винт М6х22.48.019
Винт М6х22.48.019
В узле: 4
73
41879
Кольцо
В узле: 2
74
Панель соединительная ПС-12
Панель соединительная ПС-12
В узле: 2
75
24-10-481СП
Провод 83
В узле: 1
76
Датчик температуры ТМ-100
Датчик температуры ТМ-100
В узле: 1
Содержащиеся в справочниках-каталогах запасные части и детали не предлагаются к продаже, а носят исключительно информационный характер

Ваша заявка была отправлена. В ближайшее время наши специалисты с Вами свяжутся по указанному Вами телефону.

Представьтесь
Поле обязательно для заполнения
Ваш телефон
Введите правильный номер телефона
E-mail
Введите правильный e-mail
Тема
Тема
применяемость финансирование доставка цена, наличие другое сервис и гарантия
Время для звонка
08:00
08:00 09:00 10:00 11:00 12:00 13:00 14:00 15:00 16:00 17:00 18:00 19:00
19:00
08:00 09:00 10:00 11:00 12:00 13:00 14:00 15:00 16:00 17:00 18:00 19:00

Мы постараемся перезвонить в указанное время

Если вы не хотите ждать, то звоните нашим вежливым консультантам:

8 800 100-2-700
Подтвердите, что вы не робот
Подтвердите, что вы не робот
Спасибо!

Ваше сообщение успешно отправлено!

ЗакрытьПовторить попытку