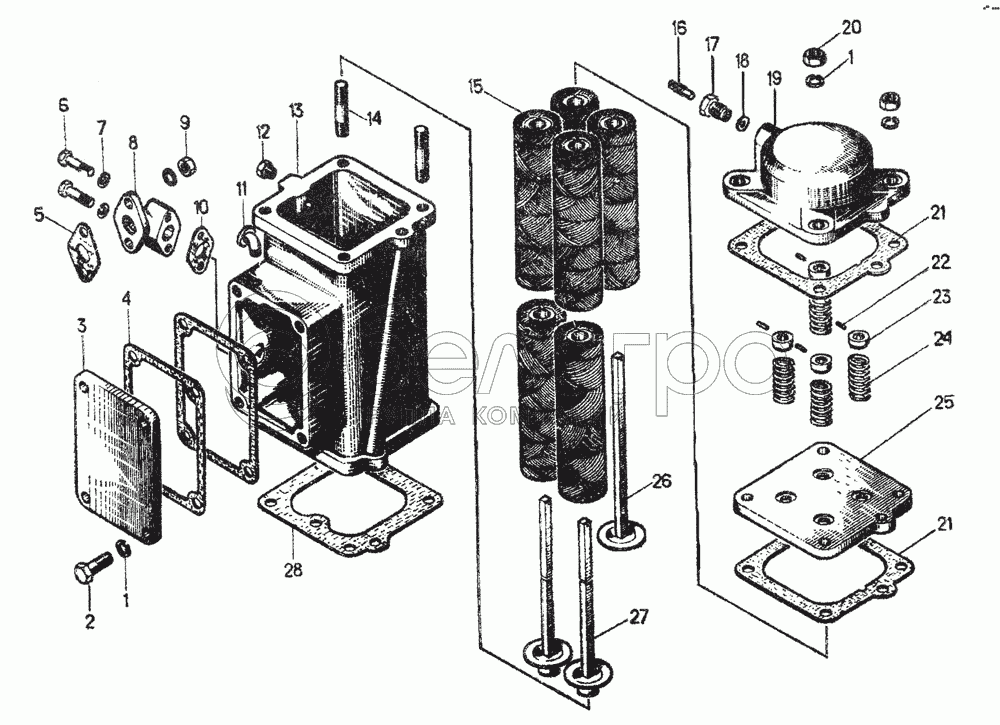
Каталог запасных частей к технике: ЧТЗ Т-130. Фильтр тонкой очистки топлива 70101СП

zoom-in zoom-out enlarge shrink circle-right circle-left file-text2 info cart arraw right arraw left zoom out zoom in arraw maximize arraw minimize
1
1
2
3
4
5
6
7
8
9
10
11
12
13
14
15
16
17
18
19
20
21
21
22
23
24
25
26
27
28
41207-1
Колено
В узле: 1
70127СП
Вентиль
В узле: 1
70102СП
Корпус
В узле: 1
70101СП
Фильтр топливный
В узле: 1
1
Шайба 10.ОТ.65Г.06
Шайба 10.ОТ.65Г.06
В узле: 8
2
Болт М10х30.46.019
Болт М10х30.46.019
В узле: 4
3
70104
Крышка
В узле: 1
4
40907
Прокладка
В узле: 2
5
40984
Прокладка
В узле: 6
6
Болт М8х45.58.019
Болт М8х45.58.019
В узле: 2
7
Шайба 8Т.65Г.06
Шайба 8Т.65Г.06
В узле: 2
8
70105
Патрубок водяной
В узле: 1
9
Гайка М8x1.6.019
Гайка М8x1.6.019
В узле: 2
10
40983
Прокладка
В узле: 2
11
41207
Колено
В узле: 1
12
41242
Штуцер
В узле: 1
13
70103
Корпус
В узле: 1
14
29327
Шпилька
В узле: 4
15
Элемент фильтрующий ЭФ-01-00СБ
Элемент фильтрующий ЭФ-01-00СБ
В узле: 6
16
70108
Игла
В узле: 1
17
70110
Штуцер
В узле: 1
18
40986
Кольцо
В узле: 1
19
70109
Крышка
В узле: 1
20
3084
Гайка
В узле: 4
21
40988
Прокладка
В узле: 2
22
32254
Штифт
В узле: 4
23
70125
Сухарик
В узле: 4
24
33350
Пружина
В узле: 4
25
70114
Плита
В узле: 1
26
70148СП
Стержень
В узле: 2
27
70145СП
Стержень
В узле: 2
28
40987
Прокладка
В узле: 1
Содержащиеся в справочниках-каталогах запасные части и детали не предлагаются к продаже, а носят исключительно информационный характер

Ваша заявка была отправлена. В ближайшее время наши специалисты с Вами свяжутся по указанному Вами телефону.

Представьтесь
Поле обязательно для заполнения
Ваш телефон
Введите правильный номер телефона
E-mail
Введите правильный e-mail
Тема
Тема
применяемость финансирование доставка цена, наличие другое сервис и гарантия
Время для звонка
08:00
08:00 09:00 10:00 11:00 12:00 13:00 14:00 15:00 16:00 17:00 18:00 19:00
19:00
08:00 09:00 10:00 11:00 12:00 13:00 14:00 15:00 16:00 17:00 18:00 19:00

Мы постараемся перезвонить в указанное время

Если вы не хотите ждать, то звоните нашим вежливым консультантам:

8 800 100-2-700
Подтвердите, что вы не робот
Подтвердите, что вы не робот
Спасибо!

Ваше сообщение успешно отправлено!

ЗакрытьПовторить попытку