Каталог запасных частей к технике: ЧТЗ Т-130. Головка цилиндров, комплект 29-02-3СП

zoom-in zoom-out enlarge shrink circle-right circle-left file-text2 info cart arraw right arraw left zoom out zoom in arraw maximize arraw minimize
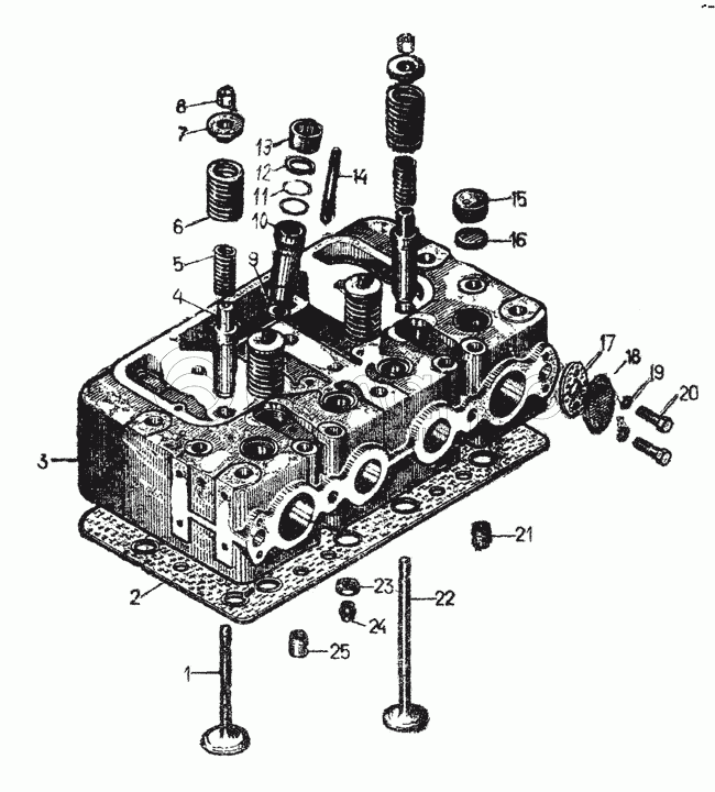
29-02-102СП
1
2
3
4
5
6
7
8
9
10
11
12
13
14
15
16
17
18
19
20
21
22
23
24
25
29-02-102СП
Головка цилиндров
В узле: 2
1
14-02-33-В
Клапан впускной
В узле: 4
2
14-02-101СП/2
Прокладка
В узле: 2
3
29-02-12
Головка цилиндров
В узле: 2
4
14-02-3
Втулка
В узле: 8
5
38330
Пружина
В узле: 8
6
38366
Пружина
В узле: 8
7
0489
Тарелка
В узле: 8
8
02211
Сухарик
В узле: 24
9
700-40-2253
Прокладка
В узле: 4
10
14-02-30-3
Втулка
В узле: 4
11
46764
Кольцо
В узле: 8
12
16-02-30
Прокладка
В узле: 4
13
14-02-31-1
Гайка
В узле: 4
14
29466
Шпилька
В узле: 4
15
14-02-46
Заглушка
В узле: 8
16
14-02-47
Донышко
В узле: 8
17
40157
Прокладка
В узле: 2
18
0299
Заглушка
В узле: 2
19
Шайба 8Т.65Г.06
Шайба 8Т.65Г.06
В узле: 4
20
Болт М8х20.46.019
Болт М8х20.46.019
В узле: 4
21
02204
Дефлектор длинный
В узле: 8
22
14-02-32
Клапан выпускной
В узле: 4
23
40843/2
Кольцо
В узле: 16
24
02218
Труба
В узле: 16
25
02205
Дефлектор короткий
В узле: 8
Содержащиеся в справочниках-каталогах запасные части и детали не предлагаются к продаже, а носят исключительно информационный характер

Ваша заявка была отправлена. В ближайшее время наши специалисты с Вами свяжутся по указанному Вами телефону.

Представьтесь
Поле обязательно для заполнения
Ваш телефон
Введите правильный номер телефона
E-mail
Введите правильный e-mail
Тема
Тема
применяемость финансирование доставка цена, наличие другое сервис и гарантия
Время для звонка
08:00
08:00 09:00 10:00 11:00 12:00 13:00 14:00 15:00 16:00 17:00 18:00 19:00
19:00
08:00 09:00 10:00 11:00 12:00 13:00 14:00 15:00 16:00 17:00 18:00 19:00

Мы постараемся перезвонить в указанное время

Если вы не хотите ждать, то звоните нашим вежливым консультантам:

8 800 100-2-700
Подтвердите, что вы не робот
Подтвердите, что вы не робот
Спасибо!

Ваше сообщение успешно отправлено!

ЗакрытьПовторить попытку