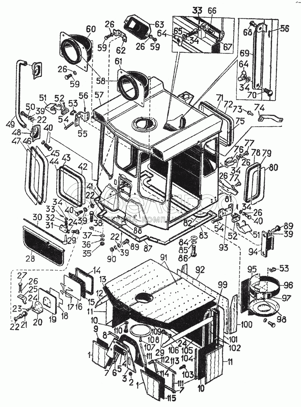
Каталог запасных частей к технике: ЧТЗ Т-130. Кабина 24-59-5СП

zoom-in zoom-out enlarge shrink circle-right circle-left file-text2 info cart arraw right arraw left zoom out zoom in arraw maximize arraw minimize
1
1
2
3
4
5
6
7
7
8
9
10
10
11
11
12
13
14
15
16
17
18
19
20
21
22
22
22
22
23
24
24
24
25
26
26
26
26
26
26
26
27
28
29
29
30
31
32
33
33
34
34
34
34
34
35
36
37
38
39
39
39
39
40
40
40
41
42
43
44
45
46
47
48
49
49
50
51
51
52
52
53
53
54
54
55
56
56
57
58
59
59
59
60
61
62
63
64
64
65
66
67
68
69
70
71
72
73
74
75
76
77
77
78
79
80
81
82
83
84
85
86
87
88
89
89
90
91
92
93
94
95
96
97
98
99
100
101
102
103
104
105
106
107
108
109
110
111
111
112
113
114
115
21-59-сб114
Кронштейн
В узле: 1
21-59-112СП
Козырек светозащитный
В узле: 1
24-59-115СП
Зеркало
В узле: 1
24-59-195СП
Кронштейн
В узле: 1
1
18-59-316СП
Уплотнение
В узле: 2
2
Гайка М4.6019
Гайка М4.6019
В узле: 12
3
50-59-44
Уплотнение
В узле: 3
4
24-59-356
Планка
В узле: 4
5
50-59-142СП
Панель
В узле: 1
6
24-59-431
Планка
В узле: 1
7
24-59-363
Планка
В узле: 2
8
24-59-430
Планка
В узле: 1
9
18-59-239СП
Панель правая
В узле: 1
10
18-59-240СП
Панель
В узле: 2
11
18-59-318СП
Уплотнение
В узле: 2
12
24-59-580
Стенка
В узле: 1
13
50-59-115СП
Панель
В узле: 1
14
24-59-153
Ободок
В узле: 1
15
24-59-148
Зеркало
В узле: 1
16
24-59-152
Прокладка
В узле: 1
17
24-59-155
Пружина
В узле: 1
18
24-59-150
Пластина
В узле: 1
19
24-59-149
Корпус
В узле: 1
20
24-59-сб131
Кронштейн
В узле: 1
21
24-59-156
Опора
В узле: 1
22
31308
Шайба
В узле: 13
23
Винт М6х12.48.019
Винт М6х12.48.019
В узле: 4
24
Шайба 6Т.65Г.06
Шайба 6Т.65Г.06
В узле: 14
25
24-59-154
Прижим
В узле: 1
26
Шайба 8Т.65Г.06
Шайба 8Т.65Г.06
В узле: 36
27
Болт М8х35.46.019
Болт М8х35.46.019
В узле: 1
28
21-59-115СП
Козырек
В узле: 1
29
Болт М6х16.46.019
Болт М6х16.46.019
В узле: 12
30
21-59-сб113
Ось
В узле: 1
31
21-59-77
Кронштейн
В узле: 1
32
700-38-2360
Пружина
В узле: 1
33
Шплинт 2x14-001
Шплинт 2x14-001
В узле: 2
34
31386-1
Шайба
В узле: 17
35
3010
Гайка
В узле: 2
36
Шайба 12.ОТ.65Г.06
Шайба 12.ОТ.65Г.06
В узле: 2
37
31372
Шайба
В узле: 4
38
2826
Болт
В узле: 2
39
Шайба 10.ОТ.65Г.06
Шайба 10.ОТ.65Г.06
В узле: 20
40
Болт М10х20.46.019
Болт М10х20.46.019
В узле: 10
41
700-40-3967СП
Прокладка правая
В узле: 1
42
24-59-198
Стекло
В узле: 1
43
24-59-226
Окантовка
В узле: 1
44
24-59-232
Кант
В узле: 1
45
24-59-197
Стекло
В узле: 2
46
24-59-225
Окантовка
В узле: 2
47
24-59-231
Кант
В узле: 2
48
50-59-27
Накладка
В узле: 4
49
50-59-108СП
Поручень
В узле: 2
49
50-59-109СП
Поручень
В узле: 2
50
Болт М10х40.46.019
Болт М10х40.46.019
В узле: 4
51
24-59-397
Защелка
В узле: 2
52
700-38-2486
Пружина
В узле: 2
53
591044
Амортизатор
В узле: 9
54
700-47-96
Валик
В узле: 2
55
24-59-396
Корпус правый
В узле: 1
56
Шплинт 2,5x14
Шплинт 2,5x14
В узле: 4
57
24-59-180СП
Каркас
В узле: 1
58
700-40-4954
Проставка
В узле: 2
59
Болт М8х20.46.019
Болт М8х20.46.019
В узле: 32
60
24-59-156СП
Кронштейн
В узле: 2
61
24-59-157СП
Кронштейн
В узле: 2
62
24-59-204СП
Планка
В узле: 2
63
24-59-589
Кожух
В узле: 2
64
05573-1
Гайка
В узле: 3
65
700-28-2121
Болт откидной
В узле: 1
66
06465
Валик
В узле: 1
67
700-40-3915
Уплотнитель
В узле: 1
68
591127
Валик
В узле: 1
69
24-59-176
Кулиса
В узле: 2
70
Болт Л18х25.46.019
Болт Л18х25.46.019
В узле: 2
71
24-59-223
Окантовка
В узле: 2
72
24-59-229
Кант
В узле: 2
73
Болт М8х16.46.019
Болт М8х16.46.019
В узле: 2
74
24-59-435
Ручка
В узле: 1
75
24-59-195
Стекло
В узле: 2
76
21-59-180
Скоба
В узле: 1
77
Винт М8х22.48.019
Винт М8х22.48.019
В узле: 3
78
24-59-196
Стекло
В узле: 2
79
24-59-224
Окантовка
В узле: 2
80
24-59-230
Кант
В узле: 2
81
50-59-29
Скоба
В узле: 1
82
700-40-3965СП
Прокладка задняя
В узле: 1
83
700-40-3966СП
Прокладка левая
В узле: 1
84
31477
Шайба
В узле: 8
85
Шайба 16.ОТ.65Г.06
Шайба 16.ОТ.65Г.06
В узле: 8
86
2831
Болт
В узле: 8
87
700-40-5227СП
Прокладка
В узле: 1
88
24-59-488
Кронштейн
В узле: 1
89
Болт M10x25.46.019
Болт M10x25.46.019
В узле: 6
90
Гайка М10.6.019
Гайка М10.6.019
В узле: 2
91
50-59-113СП
Уплотнение
В узле: 2
92
18-59-320СП
Уплотнение
В узле: 1
93
24-59-395
Корпус левый
В узле: 1
94
24-59-447
Защелка
В узле: 2
95
24-59-196СП
Кронштейн
В узле: 1
96
Лента ЛРТ 35x3,3
Лента ЛРТ 35x3,3
В узле: 0,62 м
97
24-59-541
Крючок
В узле: 1
98
24-59-197СП
Застежка
В узле: 1
99
24-59-358
Планка
В узле: 2
100
18-59-328СП
Уплотнение
В узле: 2
101
18-59-319СП
Уплотнение
В узле: 2
102
24-59-407
Уголок
В узле: 4
103
700-35-2007
Шуруп
В узле: 88
104
24-59-368
Планка
В узле: 2
105
62-59-115СП
Обшивка
В узле: 1
106
24-59-579
Стенка
В узле: 1
107
Винт М5х16.48.019
Винт М5х16.48.019
В узле: 4
108
24-59-351
Кольцо
В узле: 1
109
50-59-114СП
Панель
В узле: 1
110
31453
Шайба
В узле: 3
111
24-59-367
Планка
В узле: 12
112
Винт М4х18.48.019
Винт М4х18.48.019
В узле: 12
113
24-59-364
Планка
В узле: 1
114
24-59-366
Планка
В узле: 1
115
18-59-238СП
Панель левая
В узле: 1
Содержащиеся в справочниках-каталогах запасные части и детали не предлагаются к продаже, а носят исключительно информационный характер

Ваша заявка была отправлена. В ближайшее время наши специалисты с Вами свяжутся по указанному Вами телефону.

Представьтесь
Поле обязательно для заполнения
Ваш телефон
Введите правильный номер телефона
E-mail
Введите правильный e-mail
Тема
Тема
применяемость финансирование доставка цена, наличие другое сервис и гарантия
Время для звонка
08:00
08:00 09:00 10:00 11:00 12:00 13:00 14:00 15:00 16:00 17:00 18:00 19:00
19:00
08:00 09:00 10:00 11:00 12:00 13:00 14:00 15:00 16:00 17:00 18:00 19:00

Мы постараемся перезвонить в указанное время

Если вы не хотите ждать, то звоните нашим вежливым консультантам:

8 800 100-2-700
Подтвердите, что вы не робот
Подтвердите, что вы не робот
Спасибо!

Ваше сообщение успешно отправлено!

ЗакрытьПовторить попытку