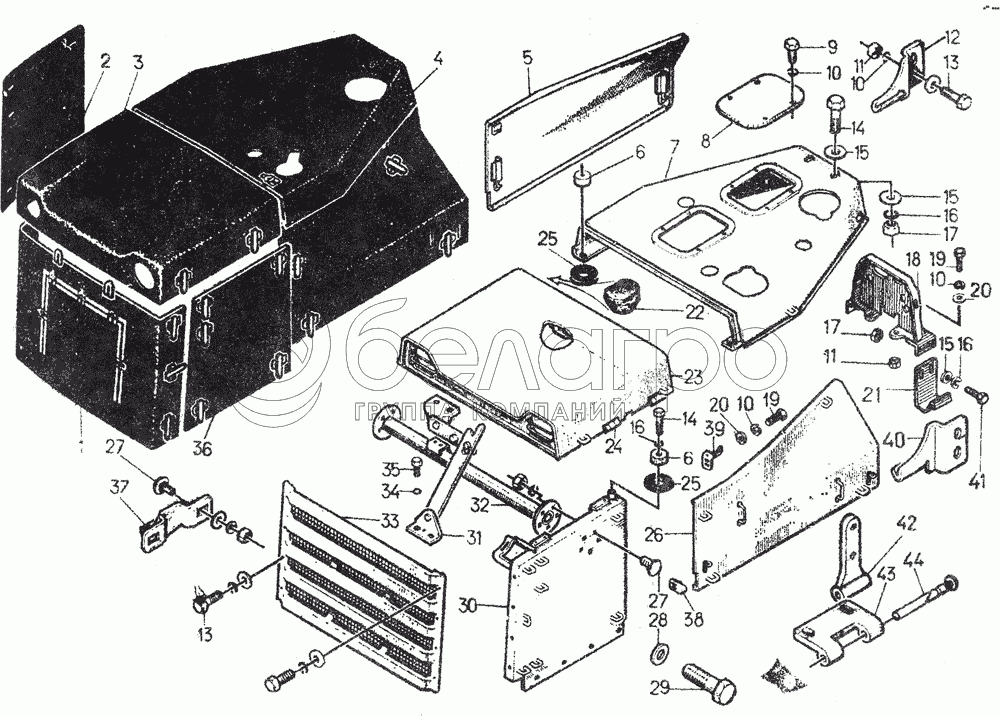
Каталог запасных частей к технике: ЧТЗ Т-130. Капот 24-55-сб5

zoom-in zoom-out enlarge shrink circle-right circle-left file-text2 info cart arraw right arraw left zoom out zoom in arraw maximize arraw minimize
1
2
3
4
5
6
6
7
8
9
10
10
10
10
11
11
12
13
13
14
14
15
15
15
16
16
16
17
17
18
19
19
20
20
21
22
23
24
25
25
26
27
27
28
29
30
31
32
33
34
35
36
37
38
39
40
41
42
43
44
1
24-55-сб124
Чехол решетки радиатора
В узле: 1
2
24-55-cб123
Чехол боковины правый
В узле: 1
3
24-55-сб129
Чехол крыши
В узле: 1
4
24-55-сб130
Чехол задний
В узле: 1
5
24-55-112СП
Створка правая
В узле: 1
6
18-55-408
Колпачок
В узле: 2
7
24-55-сб115
Крыша задняя
В узле: 1
8
18-55-407
Крышка
В узле: 2
9
Болт М10х20.46.019
Болт М10х20.46.019
В узле: 4
10
Шайба 10.ОТ.65Г.06
Шайба 10.ОТ.65Г.06
В узле: 46
11
Гайка М 10.6.019
Гайка М 10.6.019
В узле: 20
12
24-55-96
Кронштейн правый
В узле: 1
13
Болт M10x30.46.019
Болт M10x30.46.019
В узле: 12
14
Болт М12х25.46.019
Болт М12х25.46.019
В узле: 6
15
3135
Шайба
В узле: 16
16
Шайба 12.ОТ.65Г.06
Шайба 12.ОТ.65Г.06
В узле: 10
17
3011
Гайка
В узле: 8
18
24-55-145СП
Опора крыши
В узле: 1
19
Болт M10x25.46.019
Болт M10x25.46.019
В узле: 14
20
31308
Шайба
В узле: 34
21
24-55-145
Крючок
В узле: 2
22
700-40-3727
Амортизатор
В узле: 1
23
24-55-сб109
Крыша передняя
В узле: 1
24
24-55-сб114
Шарнир
В узле: 2
25
700-40-3726
Прокладка
В узле: 1
26
24-55-111СП
Створка левая
В узле: 1
27
Болт М10х25.46.019
Болт М10х25.46.019
В узле: 14
28
Шайба 24Т.65Г.06
Шайба 24Т.65Г.06
В узле: 4
29
Болт М24х60.88.40Х.019
Болт М24х60.88.40Х.019
В узле: 4
30
24-55-сб105
Боковина левая
В узле: 1
31
24-55-сб135
Упор
В узле: 1
32
24-55-сб106
Труба
В узле: 1
33
24-55-сб107
Решетка
В узле: 1
34
Шайба 8Т.65Г.06
Шайба 8Т.65Г.06
В узле: 4
35
Болт М8х16.46.019
Болт М8х16.46.019
В узле: 4
36
24-55-сб122
Чехол боковины левый
В узле: 1
37
24-55-125
Крючок
В узле: 2
38
50-55-12
Крючок
В узле: 1
39
50-55-11
Скоба
В узле: 1
40
24-55-97
Кронштейн левый
В узле: 1
41
Болт М12x30.46.019
Болт М12x30.46.019
В узле: 4
42
24-55-26
Петля шарнира
В узле: 2
43
24-55-25
Петля шарнира
В узле: 2.
44
24-55-32
Ось
В узле: 9
Содержащиеся в справочниках-каталогах запасные части и детали не предлагаются к продаже, а носят исключительно информационный характер

Ваша заявка была отправлена. В ближайшее время наши специалисты с Вами свяжутся по указанному Вами телефону.

Представьтесь
Поле обязательно для заполнения
Ваш телефон
Введите правильный номер телефона
E-mail
Введите правильный e-mail
Тема
Тема
применяемость финансирование доставка цена, наличие другое сервис и гарантия
Время для звонка
08:00
08:00 09:00 10:00 11:00 12:00 13:00 14:00 15:00 16:00 17:00 18:00 19:00
19:00
08:00 09:00 10:00 11:00 12:00 13:00 14:00 15:00 16:00 17:00 18:00 19:00

Мы постараемся перезвонить в указанное время

Если вы не хотите ждать, то звоните нашим вежливым консультантам:

8 800 100-2-700
Подтвердите, что вы не робот
Подтвердите, что вы не робот
Спасибо!

Ваше сообщение успешно отправлено!

ЗакрытьПовторить попытку