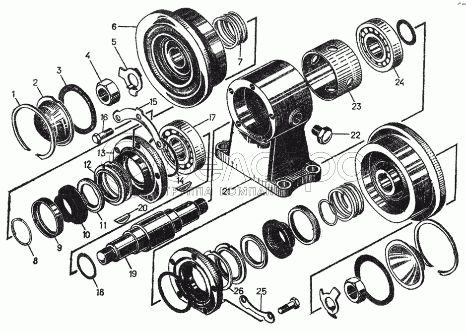
Каталог запасных частей к технике: ЧТЗ Т-130. Каток поддерживающий, комплект 24-21-171СП

zoom-in zoom-out enlarge shrink circle-right circle-left file-text2 info cart arraw right arraw left zoom out zoom in arraw maximize arraw minimize
1
2
3
4
5
6
7
8
9
10
11
12
13
14
15
16
17
18
19
20
21
22
23
24
25
26
24
Подшипник 310
Подшипник 310
В узле: 4
Подшипник 310 (6310) (50x110x27) Под заказ 595.68 р.
1
700-58-2435
Кольцо
В узле: 8
2
24-21-2
Крышка
В узле: 8
3
700-40-2438
Кольцо
В узле: 8
4
700-30-2075
Гайка
В узле: 8
5
24-21-20
Шайба
В узле: 8
6
24-21-172
Ролик
В узле: 8
7
38496
Пружина
В узле: 8
8
700-58-2158
Кольцо
В узле: 8
9
211220
Обойма
В узле: 8
10
700-40-5378
Манжета
В узле: 8
11
24-21-156
Кольцо
В узле: 8
12
24-21-155
Кольцо
В узле: 8
13
50-21-124СП
Крышка
В узле: 8
14
46812
Кольцо
В узле: 8
15
24-21-16
Шайба
В узле: 8
16
Болт M10x30.46.019
Болт M10x30.46.019
В узле: 40
17
Подшипник 2310К
Подшипник 2310К
В узле: 4
18
401063
Кольцо
В узле: 8
19
24-21-171
Ось
В узле: 4
20
700-34-2029
Шпонка
В узле: 8
21
24-21-180
Кронштейн
В узле: 4
22
37115
Пробка
В узле: 4
23
15-21-53
Втулка
В узле: 4
25
24-21-17
Шайба
В узле: 8
26
700-40-5377
Прокладка
В узле: 8
Содержащиеся в справочниках-каталогах запасные части и детали не предлагаются к продаже, а носят исключительно информационный характер

Ваша заявка была отправлена. В ближайшее время наши специалисты с Вами свяжутся по указанному Вами телефону.

Представьтесь
Поле обязательно для заполнения
Ваш телефон
Введите правильный номер телефона
E-mail
Введите правильный e-mail
Тема
Тема
применяемость финансирование доставка цена, наличие другое сервис и гарантия
Время для звонка
08:00
08:00 09:00 10:00 11:00 12:00 13:00 14:00 15:00 16:00 17:00 18:00 19:00
19:00
08:00 09:00 10:00 11:00 12:00 13:00 14:00 15:00 16:00 17:00 18:00 19:00

Мы постараемся перезвонить в указанное время

Если вы не хотите ждать, то звоните нашим вежливым консультантам:

8 800 100-2-700
Подтвердите, что вы не робот
Подтвердите, что вы не робот
Спасибо!

Ваше сообщение успешно отправлено!

ЗакрытьПовторить попытку