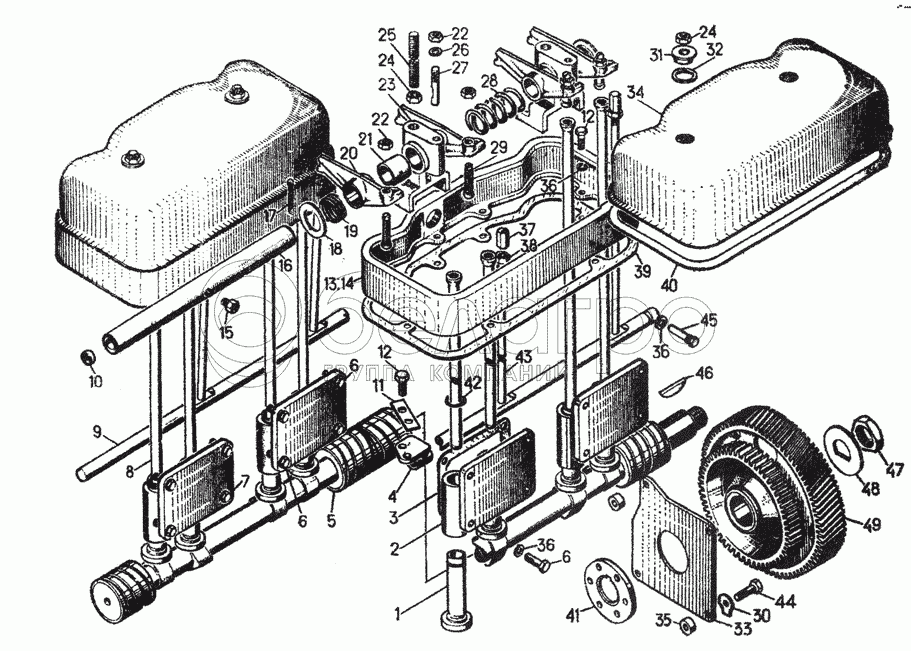
Каталог запасных частей к технике: ЧТЗ Т-130. Механизм газораспределения 16-04-08СП

zoom-in zoom-out enlarge shrink circle-right circle-left file-text2 info cart arraw right arraw left zoom out zoom in arraw maximize arraw minimize
1
2
3
4
5
6
6
6
7
8
9
10
11
12
12
13
14
15
16
17
18
19
20
21
22
22
23
24
24
25
26
27
28
29
30
31
32
33
34
35
36
36
36
37
38
39
40
41
42
43
44
45
46
47
48
49
14-04-116СП
Валик
В узле: 2
14-04-111СП
Вал распределительный
В узле: 1
16-04-110СП
Штанга декомпрессора
В узле: 4
14-04-115CП
Валик коромысел
В узле: 2
14-04-112СП
Коромысло
В узле: 8
1
04204
Толкатель
В узле: 8
2
14-04-23
Кронштейн
В узле: 4
3
40845
Прокладка
В узле: 4
4
02236
Подшипник
В узле: 1
5
14-04-20
Вал раслределительный
В узле: 1
6
04207
Болт
В узле: 8
7
Болт М10х30.46.019
Болт М10х30.46.019
В узле: 8
8
04208СП
Штанга
В узле: 8
9
14-04-26
Валик декомпрессора
В узле: 1
10
0280
Заглушка
В узле: 4
11
31383
Пластина
В узле: 1
12
Болт M10x25.46.019
Болт M10x25.46.019
В узле: 14
13
16-04-22
Основание колпака
В узле: 1
14
16-04-21
Основание колпака
В узле: 1
15
41242
Штуцер
В узле: 2
16
14-04-24
Валик коромысел
В узле: 2
17
Шплинт 4x40
Шплинт 4x40
В узле: 4
18
3177
Шайба
В узле: 4
19
700-38-2026
Пружина
В узле: 4
20
14-04-21-2
Коромысло
В узле: 8
21
14-04-38
Втулка
В узле: 8
22
30209
Гайка
В узле: 12
23
14-04-27
Стойка
В узле: 4
24
30246
Гайка
В узле: 8
25
29314
Шпилька
В узле: 4
26
Шайба 12.ОТ.65Г.06
Шайба 12.ОТ.65Г.06
В узле: 4
27
04516
Стопор
В узле: 4
28
700-38-2465
Пружина
В узле: 2
29
0484
Винт
В узле: 8
30
3137
Шайба
В узле: 4
31
02248
Шайба колпака
В узле: 4
32
46267
Прокладка
В узле: 4
33
04203
Плита
В узле: 1
34
14-04-119СП
Колпак
В узле: 2
35
0474
Втулка
В узле: 4
36
Шайба 10.ОТ.65Г.06
Шайба 10.ОТ.65Г.06
В узле: 29
37
02277
Наконечник
В узле: 4
38
ГПШ-M10х1
Гайка
В узле: 4
39
700-40-2108
Прокладка
В узле: 2
40
700-40-2896
Прокладка
В узле: 2
41
0473
Шайба
В узле: 1
42
04205
Кольцо
В узле: 8
43
02219
Штанга декомпрессора
В узле: 4
44
Болт М10х35.46.019
Болт М10х35.46.019
В узле: 4
45
700-35-2009
Винт
В узле: 1
46
3420
Шпонка
В узле: 1
47
3055
Гайка
В узле: 1
48
3170
Шайба
В узле: 1
49
04202-1
Колесо зубчатое
В узле: 1
Содержащиеся в справочниках-каталогах запасные части и детали не предлагаются к продаже, а носят исключительно информационный характер

Ваша заявка была отправлена. В ближайшее время наши специалисты с Вами свяжутся по указанному Вами телефону.

Представьтесь
Поле обязательно для заполнения
Ваш телефон
Введите правильный номер телефона
E-mail
Введите правильный e-mail
Тема
Тема
применяемость финансирование доставка цена, наличие другое сервис и гарантия
Время для звонка
08:00
08:00 09:00 10:00 11:00 12:00 13:00 14:00 15:00 16:00 17:00 18:00 19:00
19:00
08:00 09:00 10:00 11:00 12:00 13:00 14:00 15:00 16:00 17:00 18:00 19:00

Мы постараемся перезвонить в указанное время

Если вы не хотите ждать, то звоните нашим вежливым консультантам:

8 800 100-2-700
Подтвердите, что вы не робот
Подтвердите, что вы не робот
Спасибо!

Ваше сообщение успешно отправлено!

ЗакрытьПовторить попытку