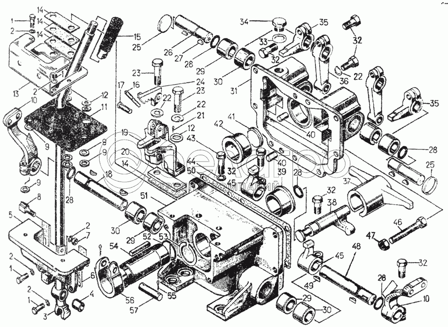
Каталог запасных частей к технике: ЧТЗ Т-130. Механизм управления поворотом 24-13-1СП

zoom-in zoom-out enlarge shrink circle-right circle-left file-text2 info cart arraw right arraw left zoom out zoom in arraw maximize arraw minimize
1
1
1
2
2
2
2
2
3
4
5
6
7
8
9
9
9
9
10
10
11
12
12
13
14
14
14
14
15
16
17
18
19
20
21
22
22
22
23
23
24
25
25
26
27
28
28
28
28
28
29
29
29
30
30
30
31
32
32
32
32
32
33
34
35
35
36
37
38
39
40
41
42
43
44
45
45
46
47
48
49
50
51
52
53
54
55
56
57
24-13-102СП
Корпус
В узле: 1
24-13-103СП
Корпус
В узле: 1
24-13-104СП
Крышка
В узле: 1
1
Болт М8х25.46.019
Болт М8х25.46.019
В узле: 8
2
Шайба 8Т.65Г.06
Шайба 8Т.65Г.06
В узле: 9
3
24-13-101СП
Рычаг
В узле: 1
4
35-13-18
Втулка
В узле: 1
5
24-13-6
Кожух
В узле: 1
6
700-40-3115
Прокладка
В узле: 1
7
Гайка М8.6.019
Гайка М8.6.019
В узле: 1
8
35-13-15
Зуб
В узле: 1
9
31434
Шайба
В узле: 12
10
50-13-103СП
Рычаг
В узле: 2
11
700-40-2590
Чехол
В узле: 1
12
31308
Шайба
В узле: 6
13
21-13-2
Щиток
В узле: 1
14
35-13-24
Прокладка
В узле: 5
15
15202СП
Рукоятка
В узле: 1
16
700-38-2089
Пружина
В узле: 1
17
35-13-20
Палец
В узле: 1
18
24-13-21
Валик
В узле: 1
19
24-13-33
Кронштейн
В узле: 1
20
24-13-9
Прокладка
В узле: 1
21
Шплинт 2x14
Шплинт 2x14
В узле: 1
22
Шайба 10 ОТ.65Г.06
Шайба 10 ОТ.65Г.06
В узле: 6
23
Болт М10х40.46.019
Болт М10х40.46.019
В узле: 2
24
24-13-8
Рычаг
В узле: 1
25
13410
Заглушка
В узле: 2
26
24-13-18
Валик
В узле: 2
27
700-34-2040
Шпонка
В узле: 4
28
Кольцо 020-025-30-2-2
Кольцо 020-025-30-2-2
В узле: 5
29
18-17-27
Втулка
В узле: 2
30
24-13-19
Втулка
В узле: 2
31
24-13-4
Крышка
В узле: 1
32
Болт M10х25.46.019
Болт M10х25.46.019
В узле: 68
33
Кольцо 22x30МН
Кольцо 22x30МН 4152-62
В узле: 1
34
2621
Пробка
В узле: 1
35
35-13-11-1
Рычаг
В узле: 2
36
18-17-29-1
Рычаг
В узле: 2
37
35-13-9
Рычаг
В узле: 1
38
50-13-101СП
Рычаг
В узле: 1
39
35-13-16
Втулка
В узле: 1
40
32232
Штифт
В узле: 2
41
18-17-9
Заглушка
В узле: 1
42
24-13-34
Втулка
В узле: 1
43
28431
Болт
В узле: 4
44
Шайба 16 ОТ.65Г.06
Шайба 16 ОТ.65Г.06
В узле: 4
45
50-13-2
Рычаг
В узле: 2
46
700-28-2381
Болт
В узле: 2
47
Гайка M10.6.019
Гайка M10.6.019
В узле: 2
48
24-13-20
Валик
В узле: 1
49
34128
Шпонка
В узле: 4
50
700-40-3114
Прокладка
В узле: 1
51
24-13-3
Корпус
В узле: 1
52
Кольцо Н2-45х38-2
Кольцо Н2-45х38-2
В узле: 1
53
18-17-87
Кольцо
В узле: 1
54
700-34-2048
Шпонка
В узле: 1
55
Шплинт 2.5x25
Шплинт 2.5x25
В узле: 2
56
24-13-105СП
Валик
В узле: 1
57
35-13-30
Палец
В узле: 1
Содержащиеся в справочниках-каталогах запасные части и детали не предлагаются к продаже, а носят исключительно информационный характер

Ваша заявка была отправлена. В ближайшее время наши специалисты с Вами свяжутся по указанному Вами телефону.

Представьтесь
Поле обязательно для заполнения
Ваш телефон
Введите правильный номер телефона
E-mail
Введите правильный e-mail
Тема
Тема
применяемость финансирование доставка цена, наличие другое сервис и гарантия
Время для звонка
08:00
08:00 09:00 10:00 11:00 12:00 13:00 14:00 15:00 16:00 17:00 18:00 19:00
19:00
08:00 09:00 10:00 11:00 12:00 13:00 14:00 15:00 16:00 17:00 18:00 19:00

Мы постараемся перезвонить в указанное время

Если вы не хотите ждать, то звоните нашим вежливым консультантам:

8 800 100-2-700
Подтвердите, что вы не робот
Подтвердите, что вы не робот
Спасибо!

Ваше сообщение успешно отправлено!

ЗакрытьПовторить попытку