Каталог запасных частей к технике: ЧТЗ Т-130. Подшипники

zoom-in zoom-out enlarge shrink circle-right circle-left file-text2 info cart arraw right arraw left zoom out zoom in arraw maximize arraw minimize
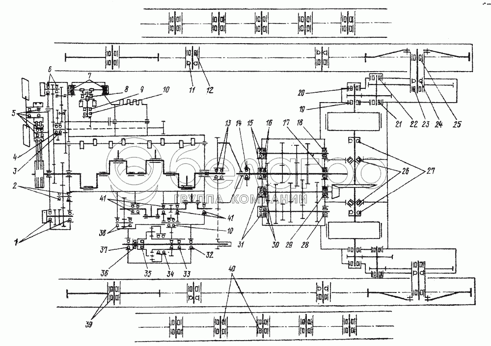
1
2
3
4
5
6
7
8
9
10
10
11
12
13
14
15
16
17
18
19
20
21
22
23
24
25
26
27
28
29
30
31
32
33
34
35
36
37
38
39
40
41
41
25
228
Подшипник шариковый радиальный однорядный
В узле: 2
Подшипник 228 <10 шт. 3 220.60 р.
1
118
Подшипник шариковый радиальный однорядный
В узле: 2
2
407
Подшипник шариковый радиальный однорядный
В узле: 2
3
307
Подшипник шариковый радиальный однорядный
В узле: 1
4
308
Подшипник шариковый радиальный однорядный
В узле: 1
5
206К
Подшипник шариковый радиальный однорядный
В узле: 4
6
304
Подшипник шариковый радиальный однорядный
В узле: 2
7
941/15
Подшипник роликовый игольчатый с одним наружным штампованным кольцом
В узле: 2
8
8205
Подшипник шариковый упорный однорядный
В узле: 1
9
8104
Подшипник шариковый упорный однорядный
В узле: 1
10
203
Подшипник шариковый радиальный однорядный
В узле: 1
11
310
Подшипник шариковый радиальный однорядный
В узле: 4
12
2310К
Подшипник роликовый радиальный с короткими цилиндрическими роликами
В узле: 4
13
180308У1С9Ш
Подшипник шариковый радиальный однорядный
В узле: 2
14
46118
Подшипник шариковый радиально-упорный однорядный
В узле: 1
15
312
Подшипник шариковый радиальный однорядный
В узле: 2
16
2312К
Подшипник роликовый радиальный с короткими цилиндрическими роликами
В узле: 2
17
402311К
Подшипник роликовый однорядный с короткими цилиндрическими роликами со стопорным гнездом на наружном кольце
В узле: 1
18
402411КМ
Подшипник роликовый однорядный с короткими цилиндрическими роликами со стопорным гнездом на наружном кольце
В узле: 1
19
70-12315КМ
Подшипник роликовый радиальный с короткими цилиндрическими роликами
В узле: 2
20
70-42314КМ
Подшипник роликовый радиальный с короткими цилиндрическими роликами
В узле: 2
21
70-42612К
Подшипник роликовый радиальный с короткими цилиндрическими роликами
В узле: 2
22
70-42415КМ
Подшипник роликовый радиальный с короткими цилиндрическими роликами
В узле: 2
23
2224КМ
Подшипник роликовый радиальный с короткими цилиндрическими роликами
В узле: 2
24
2228КМ
Подшипник роликовый радиальный с короткими цилиндрическими роликами
В узле: 2
26
7516М
Подшипник роликовый конический однорядный
В узле: 2
27
46120
Подшипник шариковый радиально-упорный однорядный
В узле: 2
28
402611 КМ
Подшипник роликовый однорядный с короткими цилиндрическими роликами со стопорным гнездом на наружном кольце
В узле: 1
29
402715КМ
Подшипник роликовый однорядный с короткими цилиндрическими роликами со стопорным гнездом на наружном кольце
В узле: 1
30
2311К
Подшипник роликовый радиальный с короткими цилиндрическими роликами
В узле: 2
31
311
Подшипник шариковый радиальный однорядный
В узле: 2
32
408
Подшипник шариковый радиальный однорядный
В узле: 1
33
108
Подшипник шариковый радиальный однорядный
В узле: 2
34
113
Подшипник шариковый радиальный однорядный
В узле: 2
35
8106
Подшипник шариковый упорный однорядный
В узле: 1
36
8109
Подшипник шариковый упорный однорядный
В узле: 1
37
305
Подшипник шариковый радиальный однорядный
В узле: 1
38
60201
Подшипник шариковый радиальный однорядный с одной защитной шайбой
В узле: 2
39
9Н2614КМ
Подшипник роликовый радиальный с короткими цилиндрическими роликами
В узле: 4
40
954712К4
Подшипник роликовый радиальный с длинными цилиндрическими роликами с бортами на внутреннем кольце
В узле: 20
41
206
Подшипник шариковый радиальный однорядный
В узле: 5
Содержащиеся в справочниках-каталогах запасные части и детали не предлагаются к продаже, а носят исключительно информационный характер

Ваша заявка была отправлена. В ближайшее время наши специалисты с Вами свяжутся по указанному Вами телефону.

Представьтесь
Поле обязательно для заполнения
Ваш телефон
Введите правильный номер телефона
E-mail
Введите правильный e-mail
Тема
Тема
применяемость финансирование доставка цена, наличие другое сервис и гарантия
Время для звонка
08:00
08:00 09:00 10:00 11:00 12:00 13:00 14:00 15:00 16:00 17:00 18:00 19:00
19:00
08:00 09:00 10:00 11:00 12:00 13:00 14:00 15:00 16:00 17:00 18:00 19:00

Мы постараемся перезвонить в указанное время

Если вы не хотите ждать, то звоните нашим вежливым консультантам:

8 800 100-2-700
Подтвердите, что вы не робот
Подтвердите, что вы не робот
Спасибо!

Ваше сообщение успешно отправлено!

ЗакрытьПовторить попытку