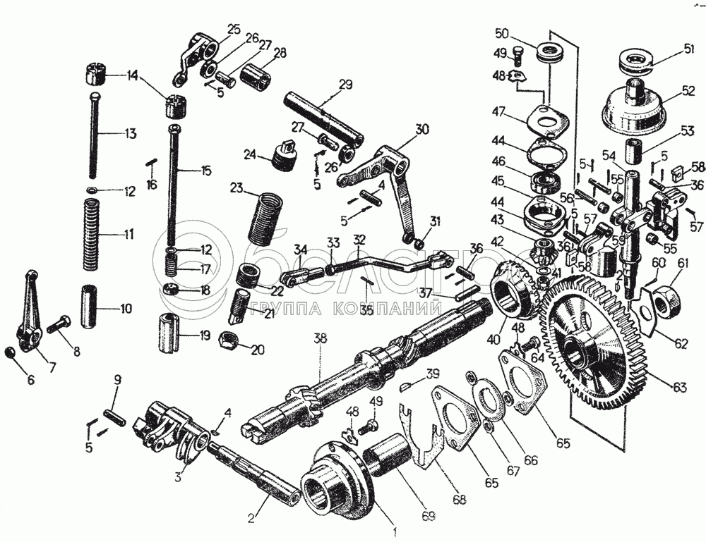
Каталог запасных частей к технике: ЧТЗ Т-130. Регулятор дизеля

zoom-in zoom-out enlarge shrink circle-right circle-left file-text2 info cart arraw right arraw left zoom out zoom in arraw maximize arraw minimize
1
2
3
4
4
4
5
5
5
5
5
5
5
6
7
8
9
10
11
12
12
13
14
15
16
17
18
19
20
21
22
23
24
24
25
25
26
26
27
27
28
29
30
31
32
33
34
35
36
36
36
36
37
38
39
40
41
42
43
44
44
45
46
47
48
48
48
49
49
50
51
52
53
54
54
55
55
56
57
57
58
58
59
59
59
59
60
61
62
63
63
64
65
65
66
67
68
69
46
Подшипник 203
Подшипник 203
В узле: 1
Подшипник 203 (6203) (17x40x12) <10 шт. 140.03 р.
06336СП
Рычаг двуплечий
В узле: 1
06328СП
Муфта
В узле: 1
06581 СП
Валик
В узле: 1
14-06-111СП
Тяга
В узле: 1
16-06-101СП
Валик
В узле: 1
16-06-106СП
Пружина
В узле: 1
29-06-101СТ
Валик
В узле: 1
29-06-102СТ
Валик
В узле: 1
06367СП
Подшипник
В узле: 1
1
06368
Корпус
В узле: 1
2
06339
Валик
В узле: 1
3
06340
Рычаг
В узле: ---
4
341
Шпонка
В узле: 1
5
Шплинт 2x12
Шплинт 2x12
В узле: 16
6
Гайка М8.6.019
Гайка М8.6.019
В узле: 1
7
16-06-13
Рычаг
В узле: 1
8
2848
Болт
В узле: 1
9
06347
Палец
В узле: 2
10
06353
Упор минимальной подачи
В узле: 1
11
38349
Пружина
В узле: 1
12
31365
Шайба
В узле: 1
13
06352
Болт минимальной подачи
В узле: 1
14
06348
Муфта
В узле: 2
15
06375
Болт максимальной подачи
В узле: 1
16
32252
Штифт
В узле: 1
17
38348
Пружина
В узле: 1
18
06350
Колпачок
В узле: 1
19
06351
Упор максимальной подачи
В узле: 1
20
3031-2
Гайка
В узле: 1
21
06346
Наконечник
В узле: 1
22
06345
Наконечник
В узле: 1
23
700-38-2181
Пружина
В узле: 1
24
634406592
Наконечник
В узле: 1
25
06333
Рычаг
В узле: 1
25
06379
Рычаг
В узле: 1
26
06334
Ролик
В узле: 1
27
06335
Валик
В узле: 2
28
06332
Втулка
В узле: 1
29
06331-3
Валик регулятора
В узле: 1
30
51-06-1
Рычаг
В узле: 1
31
06338
Втулка
В узле: 1
32
14-06-112СП
Тяга
В узле: 1
33
Гайка М6.6.019
Гайка М6.6.019
В узле: 1
34
14-06-14
Вилка
В узле: 1
35
32254
Штифт
В узле: 1
36
96322
Ось
В узле: 1
36
06322
Ось
В узле: 2
37
34116
Шпонка
В узле: 1
38
06361-1
Валик привода
В узле: 1
39
3432
Шпонка
В узле: 1
40
06370-1
Шестерня
В узле: 1
41
30225
Гайка
В узле: 1
42
31363
Шайба
В узле: 1
43
06324
Шестерня
В узле: 1
44
06327
Прокладка
В узле: 7
45
06593
Корпус
В узле: 1
47
06576
Фланец
В узле: 1
48
31366
Шайба
В узле: 5
49
Болт М8х20.46.019
Болт М8х20.46.019
В узле: 1
50
Подшипник 8104
Подшипник 8104
В узле: 1
51
Подшипник 8205
Подшипник 8205
В узле: 1
52
06329-1 06534-1
Муфта
В узле: 1
53
06330
Втулка
В узле: 1
54
06683
Валик регулятора
В узле: 1
54
06582СП
Валик
В узле: 1
55
06318
Втулка
В узле: 4
56
06323
Ось
В узле: 2
57
32251
Штифт
В узле: 2
58
06321
Сухарь
В узле: 2
59
06584СП
Груз регулятора
В узле: 2
59
06585
Груз регулятора
В узле: 9
59
29-06-103СП
Груз регулятора
В узле: 2
59
29-06-2
Груз регулятора
В узле: 2
60
Шплинт 2x16
Шплинт 2x16
В узле: 1
61
30227
Гайка
В узле: 1
62
31364
Пластина
В узле: 1
63
29-06-1
Шестерня
В узле: 1
63
16-06-1
Шестерня
В узле: 1
64
Болт М8х25-46.019
Болт М8х25-46.019
В узле: 3
65
06363
Плита
В узле: 2
66
06615
Шайба
В узле: 1
67
06364
Втулка
В узле: 3
68
14-06-3
Прокладка
В узле: 1
69
67205
Втулка
В узле: 1
Содержащиеся в справочниках-каталогах запасные части и детали не предлагаются к продаже, а носят исключительно информационный характер

Ваша заявка была отправлена. В ближайшее время наши специалисты с Вами свяжутся по указанному Вами телефону.

Представьтесь
Поле обязательно для заполнения
Ваш телефон
Введите правильный номер телефона
E-mail
Введите правильный e-mail
Тема
Тема
применяемость финансирование доставка цена, наличие другое сервис и гарантия
Время для звонка
08:00
08:00 09:00 10:00 11:00 12:00 13:00 14:00 15:00 16:00 17:00 18:00 19:00
19:00
08:00 09:00 10:00 11:00 12:00 13:00 14:00 15:00 16:00 17:00 18:00 19:00

Мы постараемся перезвонить в указанное время

Если вы не хотите ждать, то звоните нашим вежливым консультантам:

8 800 100-2-700
Подтвердите, что вы не робот
Подтвердите, что вы не робот
Спасибо!

Ваше сообщение успешно отправлено!

ЗакрытьПовторить попытку