Каталог запасных частей к технике: ЧТЗ Т-130. Рессора, комплект 24-20 112сп

zoom-in zoom-out enlarge shrink circle-right circle-left file-text2 info cart arraw right arraw left zoom out zoom in arraw maximize arraw minimize
24-20-112СП
24-20-103СП
1
2
3
3
4
5
5
6
6
7
8
9
10
11
12
13
14
14
15
15
16
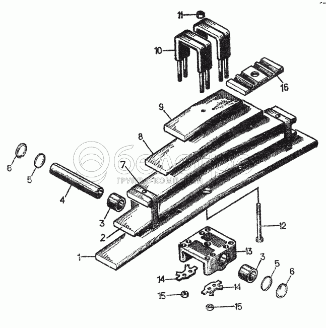
24-20-112СП
Рессора
В узле: 1
24-20-103СП
Рессора
В узле: 1
24-20-109СП
Крышка
В узле: 1
1
24-20-5
Лист рессоры
В узле: 1
2
24-20-7
Лист рессоры
В узле: 1
3
20733
Втулка
В узле: 2
4
20725
Палец
В узле: 1
5
20726
Заглушка
В узле: 2
6
18-20-23
Кольцо
В узле: 2
7
24-20-104СП
Лист рессоры
В узле: 1
8
24-20-6
Лист рессоры
В узле: 1
9
24-20-4
Лист рессоры
В узле: 1
10
50-20-2
Стремянка
В узле: 4
11
Гайка M16x l,5-6H.6.019
Гайка M16x 1,5-6H.6.019
В узле: 1
12
Болт М16х1,5-6gх200.56.019
Болт М16х1,5-6gх200.56.019
В узле: 1
13
24-20-14
Крышка
В узле: 1
14
31384
Пластина
В узле: 4
15
30281
Гайка
В узле: 8
16
50-20-3
Подкладка
В узле: 1
Содержащиеся в справочниках-каталогах запасные части и детали не предлагаются к продаже, а носят исключительно информационный характер

Ваша заявка была отправлена. В ближайшее время наши специалисты с Вами свяжутся по указанному Вами телефону.

Представьтесь
Поле обязательно для заполнения
Ваш телефон
Введите правильный номер телефона
E-mail
Введите правильный e-mail
Тема
Тема
применяемость финансирование доставка цена, наличие другое сервис и гарантия
Время для звонка
08:00
08:00 09:00 10:00 11:00 12:00 13:00 14:00 15:00 16:00 17:00 18:00 19:00
19:00
08:00 09:00 10:00 11:00 12:00 13:00 14:00 15:00 16:00 17:00 18:00 19:00

Мы постараемся перезвонить в указанное время

Если вы не хотите ждать, то звоните нашим вежливым консультантам:

8 800 100-2-700
Подтвердите, что вы не робот
Подтвердите, что вы не робот
Спасибо!

Ваше сообщение успешно отправлено!

ЗакрытьПовторить попытку