Каталог запасных частей к технике: ЧТЗ Т-130. Сервомеханизм, комплект 21-17-4СП

zoom-in zoom-out enlarge shrink circle-right circle-left file-text2 info cart arraw right arraw left zoom out zoom in arraw maximize arraw minimize
21-17-4СП
1
2
2
3
3
4
5
5
6
7
8
8
9
10
10
11
11
12
13
14
15
16
17
18
19
20
21
21
21
21
21
22
22
23
24
25
25
26
26
26
26
27
27
27
27
28
28
29
29
30
30
31
31
32
33
34
34
35
35
36
37
38
39
39
40
41
42
43
44
44
45
45
46
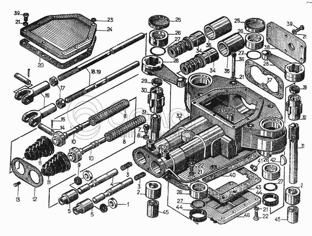
20-17-111СП
Тяга
В узле: 2
21-17-108СП
Корпус сервомеханизма
В узле: 1
21-17-110СП
Тяга
В узле: 2
21-17-4СП
Сервомеханизм
В узле: 1
17309
Муфта
В узле: 2
1
17329
Кольцо
В узле: 2
2
17495
Втулка
В узле: 2
3
700-38-2319
Пружина
В узле: 2
4
21-17-106СП
Золотник
В узле: 2
5
21-17-44
Втулка
В узле: 2
6
Шайба 12 ОТ.65Г.06
Шайба 12 ОТ.65Г.06
В узле: 2
7
35202
Винт
В узле: 2
8
700-38-2723
Пружина
В узле: 2
9
700-40-5960
Манжета
В узле: 2
10
17385
Толкатель
В узле: 2
11
40589
Чехол
В узле: 2
12
17498
Крышка
В узле: 1
13
Болт М6х16.46,019
Болт М6х16.46,019
В узле: 2
14
17366
Палец
В узле: 2
15
Шплинт 4x32
Шплинт 4x32
В узле: 4
16
21-17-38
Вилка
В узле: 4
17
Гайка М18х1,5.6.019
Гайка М18х1,5.6.019
В узле: 4
18
20-17-32
Тяга
В узле: 2
19
21-17-10
Тяга
В узле: 2
20
700-40-5959
Прокладка
В узле: 1
21
Шайба 10 ОТ.65Г.06
Шайба 10 ОТ.65Г.06
В узле: 30
22
Болт М10х25.46.019
Болт М10х25.46.019
В узле: 12
23
40912
Кольцо
В узле: 2
24
21-17-27
Крышка
В узле: 1
25
17311
Заглушка
В узле: 2
26
21-17-22
Втулка
В узле: 4
27
401063
Кольцо
В узле: 4
28
17482
Рычаг
В узле: 2
29
295
Заглушка
В узле: 2
30
17310
Муфта
В узле: 2
31
17494
Валик
В узле: 2
32
21-17-37
Корпус
В узле: 1
33
32202
Штифт
В узле: 1
34
17303-1
Гильза
В узле: 2
35
21-17-21
Поршень
В узле: 2
36
28404
Болт
В узле: 5
37
40714-1
Прокладка
В узле: 1
38
21-17-41
Крышка
В узле: 1
39
Болт М10х30.46.019
Болт М10х30.46.019
В узле: 15
40
40736
Прокладка
В узле: 1
41
371
Пробка
В узле: 2
42
700-34-2036
Шпонка
В узле: 2
43
40725
Прокладка
В узле: 1
44
700-40-4532
Кольцо-прокладка
В узле: 2
45
174352
Втулка
В узле: 2
46
21-17-25
Крышка
В узле: 1
Содержащиеся в справочниках-каталогах запасные части и детали не предлагаются к продаже, а носят исключительно информационный характер

Ваша заявка была отправлена. В ближайшее время наши специалисты с Вами свяжутся по указанному Вами телефону.

Представьтесь
Поле обязательно для заполнения
Ваш телефон
Введите правильный номер телефона
E-mail
Введите правильный e-mail
Тема
Тема
применяемость финансирование доставка цена, наличие другое сервис и гарантия
Время для звонка
08:00
08:00 09:00 10:00 11:00 12:00 13:00 14:00 15:00 16:00 17:00 18:00 19:00
19:00
08:00 09:00 10:00 11:00 12:00 13:00 14:00 15:00 16:00 17:00 18:00 19:00

Мы постараемся перезвонить в указанное время

Если вы не хотите ждать, то звоните нашим вежливым консультантам:

8 800 100-2-700
Подтвердите, что вы не робот
Подтвердите, что вы не робот
Спасибо!

Ваше сообщение успешно отправлено!

ЗакрытьПовторить попытку